( 点击以显示一览表 。) |
适用链条格式 |
适用链条 间距 mm |
齿数 |
 |
RSP35
|
RSP35 |
9.525 |
14T~ |




|
|
 |
RSP40
|
RS40-LMCSC, RS40-NPSC, RS40-SC, RS40-SSSC, RSP40, RSP40P, RSP40-SL, RSP40-T-CU, RSP-PO8PF, RSP-PO8PFT, TP-1843-AS-G, TP-1843-G |
12.70 |
14T~ |




|
|
 |
RSP50
|
RS50-LMCSC, RS50-NPSC, RS50-SC, RS50-SSSC, RSP50 |
15.875 |
14T~ |




|
|
 |
RSP60
|
RS60-LMCSC, RS60-NPSC, RS60-SC, RS60-SSSC, RSP-2, RSP60, RSP60P, RSP-CU, RSP-CU-2, RSP-P-CU, TN, TN-LMCNP, TN-NP, TN-PC, TN-SS, TNU, TNU-AS, TNU-NP, TP-1873-AS-G, TP-1873-G, TP-1873-T, TP-PT, TP-PT-AS, TP-PTS, TP-PTS-AS, TRU, TTKU |
19.05 |
14T~ |




|
|
 |
RSP-2
|
RSP-2, RSP-CU-2 |
19.05 |
12T~ |



|
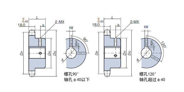
| 类型 |
齿数 |
节距圆直径 mm |
预留孔 mm |
最大轴孔直径 mm |
型号 |
| 一体式 |
19 |
115.74 |
Φ20 |
Φ50 |
RSP-UPO19T |
| 21 |
127.82 |
Φ60 |
RSP-UPO21T |
| 23 |
139.90 |
RSP-UPO23T |
| 25 |
151.99 |
Φ70 |
RSP-UPO25T |
| 类型 |
材质 |
基本形式编号 |
| 预留孔产品 |
钢 |
RS60-1B□T■ |
| 不锈钢 |
RS60-1B□T-SS |
| 工程塑料 |
RS60-1B□T-P |
上述链轮的切削规格,可使用齿数12枚以上。
不能使用双排链轮。请使用两个单排B型链轮,并确保齿相对齐。
请在链轮之间放入距离调整宽度。
|
 |
RSP80, RS80-SC
|
RS80-LMCSC, RS80-NPSC, RS80-SC, RS80-SSSC, RSP80 |
25.4 |
RSP80:14T~ RS80-SC:13T~ |



|
|
 |
RS100-SC
|
RS100-LMCSC, RS100-NPSC, RS100-SC, RS100-SSSC |
31.75 |
13T~ |



|
| 类型 |
材质 |
基本形式编号 |
| 预留孔产品 |
钢 |
RS100-1B□T■ |
| 配孔 |
钢 |
RS100-1B□TQ-H~ |
| 张紧链轮 S 型 |
钢 |
RS100-1B□T■-S○○○○● |
上述链轮的齿数可使用13枚以上。
|
 |
RF06B-SC
|
RF06B-LMSC, RF06B-NPSC, RF06B-SC, RF06B-SSSC |
9.525 |
13T~ |

|
| 类型 |
材质 |
基本形式编号 |
| 预留孔产品 |
钢 |
RF06B-1B□T■ |
| 配孔 |
钢 |
RF06B-1B□T■-H~ |
上述链轮的齿数可使用13枚以上。
|