水幕用途 WAC型

- 是火力发电站取水口等的自动除尘器用的链条。
- 销套滚子使用不锈钢400系列,均已调质。
- 由此,在海水中和空气中往返运行所需的耐腐蚀性、耐磨损性优异。
- 滚子内径使用特殊树脂作为轴承材料,用海水代替润滑剂 (不需要润滑脂),便于维护。
产品目录、使用说明书
商品一览表
※单击查看详细信息
*最大容许张力是根据我们的设计标准计算得出的值,即计算强度。除非另有规定,否则在选择大型输送链时应使用最大容许张力。
该数值因制造商而异,并非保证值。
※平均拉伸强度请咨询本公司。
| 尺寸 | 滚子 类型 |
节距 | 滚子 外径 |
内链节 内宽 |
|---|---|---|---|---|
| 610mm | Φmm | mm | ||
| WAC25610 | R | WAC25610 | 100 | 50 |
| WAC32610 | R | WAC32610 | 100 | 50 |
| WAC45610 | R | WAC45610 | 100 | 50 |
| WAC55610 | R | WAC55610 | 100 | 50 |
| WAC65610 | R | WAC65610 | 110 | 50 |
| WAC75610 | R | WAC75610 | 110 | 66.7 |
| WAC100610 | R | WAC100610 | 130 | 66.7 |
| WAC120610 | R | WAC120610 | 150 | 70 |
一种搅拌机用周边部件
■F型翼板
- 比重:1.9
- 质量:2.4kg/m
- 材质:FRP
- 外观颜色:蓝色
[型号显示示例]
| AC-FL (A尺寸) - (B尺寸) - (C尺寸) - (D尺寸) |
- 备注:1. 订购叶片时,请提供型号(A、B、C、D 尺寸,单位为mm)以便报价。使用300系列不锈钢螺栓、螺母、平垫圈、弹簧垫圈等,将链条的SF4附件、垫块、叶片和压板以及叶片和滑靴连接起来。
(翼板不包含滑靴或距离块) - 2.最低订货量低于100m时,请与我们联系。
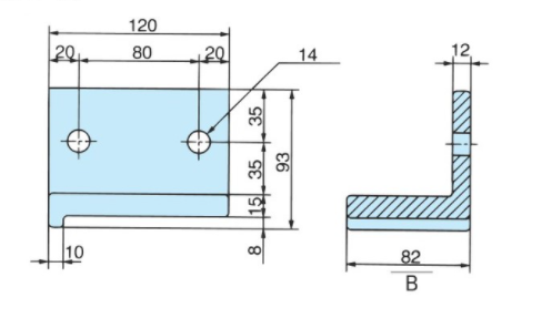
■靴子
双帽檐
- 比重:1.14
- 质量:260g
(宽70mm用时) - 材质:树脂
- 外观颜色:黑色
[型号显示示例]
| AC | - | FL-SH | D | 82 |
| | 鞋 |
| 双帽檐 |
| A部尺寸 |
- ※也有翼板宽度60、50mm用的。其它尺寸与上述相同。
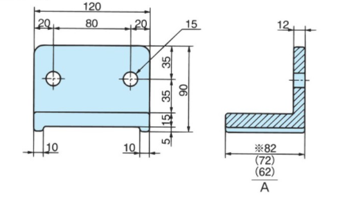
单檐
- 比重:1.17
- 质量:290g
- 材质:聚氨酯
- 外观颜色:黑色
[型号显示示例]
| AC | - | FL-SH | S | 82 |
| | 鞋 |
| 单檐 |
| B部尺寸 |
- 注)本尺寸以外的树脂制鞋也可制作,敬请咨询。
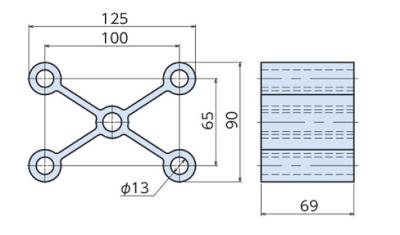
■距离块
- 比重:1.4
- 质量:240g
- 材质:树脂
- 外观颜色:黑色
[型号显示示例]
| AC | - | FL-DIS |
| | 距离块 |
- 注)标注尺寸为公称尺寸,可能与实际尺寸有所不同。
