蜗轮驱动SW/SWM、SWJ/SWJM 系列

产品图片
  • 采用以轴上、法兰安装为基本的专用外壳,为简化装置做贡献。
  • 输出轴既有实心的也有空心的,还有动力锁锥形衬套轴。
  • 为减少装配工时做贡献。

特性

  • ・性能、效率与成本的高度平衡

    采用圆柱形蜗轮,这是一款高度平衡的蜗杆,它利用多年的技术,最大限度地提高齿面传动能力,从而在性能、效率和成本方面实现了高度平衡。

    图解
    图解
  • ·高效节能

    为了进行重视效率的良好滑动传递,追求最佳齿面形状,啮合损失少,实现了高效率。

    效率比较
  • ·油封寿命延长采用自主开发的新型油封构造

    新的油封结构在油封内部加入了过滤器,可以防止磨损粉进入油封,从而延长油封的使用寿命。

    油封结构
    油封寿命比较
  • ·抗剥离静电粉末喷涂 (※SWJ42以下产品)

    使用了不使用稀释剂的环氧聚酯类涂料,非常环保。

    提高了涂料的密着性,耐划伤和涂装膜的剥离,因此可以降低异物混入的风险。

    粉末喷涂工艺
  • - 轴和法兰安装设计有助于简化设备。

  • ·备有小型~中型尺寸 (心间25~200) 。

  • ·SWJ系列采用安装方向自由的专用机箱。

产品规格

SW系列

蜗轮类型 圆柱形蜗轮
尺寸 小型到中型
心間 80mm~200mm
减速比 一级减速 1/10~1/60
高减速 1/100~1/3600
转矩 300~5300 N・m

SWJ系列

蜗轮类型 圆柱形蜗轮
尺寸 小型
心間 25mm~70mm
减速比 一级减速 1/10~1/60
高减速 1/100~1/3600
转矩 12~300 N・m

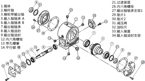
结构 (SW80~200)

SW80~200

结构

本图是典型的例子。

产品目录、使用说明书

请选择电机操作。







选择型号:

请选择电机操作。




选择型号:

型号表示例


・一级减速
无电机 SWJ 50 E 40 LF
带电机 SWJM 50 E 60 DF 040 SB
SWJMR 50 E 15 DF 075 B

・高减速
无电机 SW 100 B 1200 R-LF
带电机 SWM 150 B 3000 L-RF 040 SB
SWMR 150 B 300 L-RF 221 B
|
系列
|
尺寸

安装方向
|
减速比
|
轴配置
|
电机容量
|
使用电机
25
  ~
    200
说明图
 一级减速
 高减速
10:1/10
  ~
3600:1/3600  
说明图
 一级减速
 高减速
010:0.1kW
  ~
550:5.5kW  
请参照下表
电机操作
系列 符号说明
SWJM, SWM S:标准电机安装发货
SB:标准制动器电机安装发货
SX:供给电机安装发货
Y:电机自行安装
SWJMR, SWMR 无标记:标准电机安装发货
B:标准制动器电机安装发货

■椿本产品型号指引

选择型号:

*要生成正确的格式编号,请按从左到右的顺序选择项目。

*有关安装方向和轴系布置的详细信息,请参阅产品目录。减速比1/60或更低;减速比1/100或更高

系列 尺寸 安装方向 减速比 轴配置 电动机容量 电机操作

·无电机




·带马达

 0.1~0.4kW




·带马达

 0.75~5.5kW









减速比1/60以下








EW(J)M・SW(J)M

E
W







S
W


减速比1/100以上

EW(J)MR・SW(J)MR

E
W







S
W


系列

EWJ、EW:以脚架安装为基础的款式。70尺寸以下为EWJ系列80尺寸以上为EW系列。

SWJ、SW:以法兰安装、轴上安装为基本类型。70码以下为SWJ系列,80码以上为SW系列。

EWJM (R)、EWM (R) :在EWJ、EW系列上安装电机的型号。

SWJM (R)、SWM (R) :SWJ、SW系列中安装有电机的型号。

尺寸

表示减速机的大小。

安装方向

E或T:输入轴位于输出轴之上的类型。
减速比1/60以下的EWJ・EWJM・SWJ・SWJM系列为E,
其他场合为T。

B:输入轴低于输出轴的类型。

V:输出轴为垂直方向的类型。

详细内容请参照商品目录。

减速比

表示减速比。

1/60或以下为一级减速,1/100或以上为二级减速。

轴配置

表示安装面与输入轴、输出轴的关系。

详细内容请参照商品目录。

电动机容量

表示带马达时的马达容量。

电机操作

无S或标记:标准电机在敝公司安装发货。

SB, B:附带标准制动器的电机在敝公司安装发货。

SX:客户提供的电机在敝公司安装后发货。

Y:附带电机法兰型,可由客户自行安装电机。

选项符号

Z:该电机兼容变频器驱动。

W:支持室外安装。

V:电源的电压及频率为400/400/440V、50/60/60Hz。

V1:电源的电压及频率为380V、50Hz。

V2:电源的电压及频率为380V、60Hz。

V3:电源的电压及频率为415V、50Hz。

V4:电源的电压及频率为460V、60Hz。

N:CE规格。

N2:符合UL规格。

*N3:CCC规格。

H:附带铝制接线盒。

Q:可以手动释放制动器。

M:可从电机风扇侧进行手动旋转操作。

辅助符号

·端子箱位置

从电机侧看,将端子箱移动到逆时针旋转的位置。

P1:90°转动 P2:180°转动 P3:270°转动

·端子箱口出口方向

朝着端子箱看,将出口移动到顺时针旋转的位置。

·电机容量0.75kW以下时
D1:90°转动 D2:180°转动 D3:270°转动

·电机容量1.5kW以上时
E1:90°转动 E2:180°转动 E3:270°转动

商品一览表

※单击形状编号以显示详细信息。全部开启 全部关闭


モータ無し サイズ25 (形番SWJ25~)

减速比 输出轴 E款
1/10 空心 SWJ25E10DF
1/15 空心 SWJ25E15DF
1/20 空心 SWJ25E20DF
1/25 空心 SWJ25E25DF
1/30 空心 SWJ25E30DF
1/40 空心 SWJ25E40DF
1/50 空心 SWJ25E50DF
1/60 空心 SWJ25E60DF
返回此页面的顶部

モータ無し サイズ35 (形番SWJ35~)

减速比 输出轴 E款
1/10 空心 SWJ35E10DF
1/15 空心 SWJ35E15DF
1/20 空心 SWJ35E20DF
1/25 空心 SWJ35E25DF
1/30 空心 SWJ35E30DF
1/40 空心 SWJ35E40DF
1/50 空心 SWJ35E50DF
1/60 空心 SWJ35E60DF
返回此页面的顶部

モータ無し サイズ42 (形番SWJ42~)

减速比 输出轴 E款
1/10 空心 SWJ42E10DF
1/15 空心 SWJ42E15DF
1/20 空心 SWJ42E20DF
1/25 空心 SWJ42E25DF
1/30 空心 SWJ42E30DF
1/40 空心 SWJ42E40DF
1/50 空心 SWJ42E50DF
1/60 空心 SWJ42E60DF
返回此页面的顶部

モータ無し サイズ50 (形番SWJ50~)

减速比 输出轴 E款
1/10 空心 SWJ50E10DF
1/15 空心 SWJ50E15DF
1/20 空心 SWJ50E20DF
1/25 空心 SWJ50E25DF
1/30 空心 SWJ50E30DF
1/40 空心 SWJ50E40DF
1/50 空心 SWJ50E50DF
1/60 空心 SWJ50E60DF
返回此页面的顶部

モータ無し サイズ63 (形番SWJ63~)

减速比 输出轴 E款
1/10 空心 SWJ63E10DF
1/15 空心 SWJ63E15DF
1/20 空心 SWJ63E20DF
1/25 空心 SWJ63E25DF
1/30 空心 SWJ63E30DF
1/40 空心 SWJ63E40DF
1/50 空心 SWJ63E50DF
1/60 空心 SWJ63E60DF
返回此页面的顶部

モータ無し サイズ70 (形番SWJ70~)

减速比 输出轴 E款
1/10 空心 SWJ70E10LF
SWJ70E10RF
1/15 空心 SWJ70E15LF
SWJ70E15RF
1/20 空心 SWJ70E20LF
SWJ70E20RF
1/25 空心 SWJ70E25LF
SWJ70E25RF
1/30 空心 SWJ70E30LF
SWJ70E30RF
1/40 空心 SWJ70E40LF
SWJ70E40RF
1/50 空心 SWJ70E50LF
SWJ70E50RF
1/60 空心 SWJ70E60LF
SWJ70E60RF
返回此页面的顶部

モータ無し サイズ80 (形番SW80~)

减速比 输出轴 T款 B款 V型
1/10 实心 SW80T10SLF
SW80T10SRF
SW80B10SLF
SW80B10SRF
SW80V10SLF
SW80V10SRF
空心 SW80T10LF
SW80T10RF
SW80B10LF
SW80B10RF
SW80V10LF
SW80V10RF
1/15 实心 SW80T15SLF
SW80T15SRF
SW80B15SLF
SW80B15SRF
SW80V15SLF
SW80V15SRF
空心 SW80T15LF
SW80T15RF
SW80B15LF
SW80B15RF
SW80V15LF
SW80V15RF
1/20 实心 SW80T20SLF
SW80T20SRF
SW80B20SLF
SW80B20SRF
SW80V20SLF
SW80V20SRF
空心 SW80T20LF
SW80T20RF
SW80B20LF
SW80B20RF
SW80V20LF
SW80V20RF
1/25 实心 SW80T25SLF
SW80T25SRF
SW80B25SLF
SW80B25SRF
SW80V25SLF
SW80V25SRF
空心 SW80T25LF
SW80T25RF
SW80B25LF
SW80B25RF
SW80V25LF
SW80V25RF
1/30 实心 SW80T30SLF
SW80T30SRF
SW80B30SLF
SW80B30SRF
SW80V30SLF
SW80V30SRF
空心 SW80T30LF
SW80T30RF
SW80B30LF
SW80B30RF
SW80V30LF
SW80V30RF
1/40 实心 SW80T40SLF
SW80T40SRF
SW80B40SLF
SW80B40SRF
SW80V40SLF
SW80V40SRF
空心 SW80T40LF
SW80T40RF
SW80B40LF
SW80B40RF
SW80V40LF
SW80V40RF
1/50 实心 SW80T50SLF
SW80T50SRF
SW80B50SLF
SW80B50SRF
SW80V50SLF
SW80V50SRF
空心 SW80T50LF
SW80T50RF
SW80B50LF
SW80B50RF
SW80V50LF
SW80V50RF
1/60 实心 SW80T60SLF
SW80T60SRF
SW80B60SLF
SW80B60SRF
SW80V60SLF
SW80V60SRF
空心 SW80T60LF
SW80T60RF
SW80B60LF
SW80B60RF
SW80V60LF
SW80V60RF
1/100 实心 --- SW80B100L-SRF
SW80B100R-SLF
SW80V100L-SRF
SW80V100R-SLF
空心 --- SW80B100L-RF
SW80B100R-LF
SW80V100L-RF
SW80V100R-LF
1/150 实心 --- SW80B150L-SRF
SW80B150R-SLF
SW80V150L-SRF
SW80V150R-SLF
空心 --- SW80B150L-RF
SW80B150R-LF
SW80V150L-RF
SW80V150R-LF
1/200 实心 --- SW80B200L-SRF
SW80B200R-SLF
SW80V200L-SRF
SW80V200R-SLF
空心 --- SW80B200L-RF
SW80B200R-LF
SW80V200L-RF
SW80V200R-LF
1/250 实心 --- SW80B250L-SRF
SW80B250R-SLF
SW80V250L-SRF
SW80V250R-SLF
空心 --- SW80B250L-RF
SW80B250R-LF
SW80V250L-RF
SW80V250R-LF
1/300 实心 --- SW80B300L-SRF
SW80B300R-SLF
SW80V300L-SRF
SW80V300R-SLF
空心 --- SW80B300L-RF
SW80B300R-LF
SW80V300L-RF
SW80V300R-LF
1/400 实心 --- SW80B400L-SRF
SW80B400R-SLF
SW80V400L-SRF
SW80V400R-SLF
空心 --- SW80B400L-RF
SW80B400R-LF
SW80V400L-RF
SW80V400R-LF
1/500 实心 --- SW80B500L-SRF
SW80B500R-SLF
SW80V500L-SRF
SW80V500R-SLF
空心 --- SW80B500L-RF
SW80B500R-LF
SW80V500L-RF
SW80V500R-LF
1/600 实心 --- SW80B600L-SRF
SW80B600R-SLF
SW80V600L-SRF
SW80V600R-SLF
空心 --- SW80B600L-RF
SW80B600R-LF
SW80V600L-RF
SW80V600R-LF
1/800 实心 --- SW80B800L-SRF
SW80B800R-SLF
SW80V800L-SRF
SW80V800R-SLF
空心 --- SW80B800L-RF
SW80B800R-LF
SW80V800L-RF
SW80V800R-LF
1/1000 实心 --- SW80B1000L-SRF
SW80B1000R-SLF
SW80V1000L-SRF
SW80V1000R-SLF
空心 --- SW80B1000L-RF
SW80B1000R-LF
SW80V1000L-RF
SW80V1000R-LF
1/1200 实心 --- SW80B1200L-SRF
SW80B1200R-SLF
SW80V1200L-SRF
SW80V1200R-SLF
空心 --- SW80B1200L-RF
SW80B1200R-LF
SW80V1200L-RF
SW80V1200R-LF
1/1500 实心 --- SW80B1500L-SRF
SW80B1500R-SLF
SW80V1500L-SRF
SW80V1500R-SLF
空心 --- SW80B1500L-RF
SW80B1500R-LF
SW80V1500L-RF
SW80V1500R-LF
1/1800 实心 --- SW80B1800L-SRF
SW80B1800R-SLF
SW80V1800L-SRF
SW80V1800R-SLF
空心 --- SW80B1800L-RF
SW80B1800R-LF
SW80V1800L-RF
SW80V1800R-LF
1/2400 实心 --- SW80B2400L-SRF
SW80B2400R-SLF
SW80V2400L-SRF
SW80V2400R-SLF
空心 --- SW80B2400L-RF
SW80B2400R-LF
SW80V2400L-RF
SW80V2400R-LF
1/3000 实心 --- SW80B3000L-SRF
SW80B3000R-SLF
SW80V3000L-SRF
SW80V3000R-SLF
空心 --- SW80B3000L-RF
SW80B3000R-LF
SW80V3000L-RF
SW80V3000R-LF
1/3600 实心 --- SW80B3600L-SRF
SW80B3600R-SLF
SW80V3600L-SRF
SW80V3600R-SLF
空心 --- SW80B3600L-RF
SW80B3600R-LF
SW80V3600L-RF
SW80V3600R-LF
返回此页面的顶部

モータ無し サイズ100 (形番SW100~)

减速比 输出轴 T款 B款 V型
1/10 实心 SW100T10SLF
SW100T10SRF
SW100B10SLF
SW100B10SRF
SW100V10SLF
SW100V10SRF
空心 SW100T10LF
SW100T10RF
SW100B10LF
SW100B10RF
SW100V10LF
SW100V10RF
1/15 实心 SW100T15SLF
SW100T15SRF
SW100B15SLF
SW100B15SRF
SW100V15SLF
SW100V15SRF
空心 SW100T15LF
SW100T15RF
SW100B15LF
SW100B15RF
SW100V15LF
SW100V15RF
1/20 实心 SW100T20SLF
SW100T20SRF
SW100B20SLF
SW100B20SRF
SW100V20SLF
SW100V20SRF
空心 SW100T20LF
SW100T20RF
SW100B20LF
SW100B20RF
SW100V20LF
SW100V20RF
1/25 实心 SW100T25SLF
SW100T25SRF
SW100B25SLF
SW100B25SRF
SW100V25SLF
SW100V25SRF
空心 SW100T25LF
SW100T25RF
SW100B25LF
SW100B25RF
SW100V25LF
SW100V25RF
1/30 实心 SW100T30SLF
SW100T30SRF
SW100B30SLF
SW100B30SRF
SW100V30SLF
SW100V30SRF
空心 SW100T30LF
SW100T30RF
SW100B30LF
SW100B30RF
SW100V30LF
SW100V30RF
1/40 实心 SW100T40SLF
SW100T40SRF
SW100B40SLF
SW100B40SRF
SW100V40SLF
SW100V40SRF
空心 SW100T40LF
SW100T40RF
SW100B40LF
SW100B40RF
SW100V40LF
SW100V40RF
1/50 实心 SW100T50SLF
SW100T50SRF
SW100B50SLF
SW100B50SRF
SW100V50SLF
SW100V50SRF
空心 SW100T50LF
SW100T50RF
SW100B50LF
SW100B50RF
SW100V50LF
SW100V50RF
1/60 实心 SW100T60SLF
SW100T60SRF
SW100B60SLF
SW100B60SRF
SW100V60SLF
SW100V60SRF
空心 SW100T60LF
SW100T60RF
SW100B60LF
SW100B60RF
SW100V60LF
SW100V60RF
1/100 实心 --- SW100B100L-SRF
SW100B100R-SLF
SW100V100L-SRF
SW100V100R-SLF
空心 --- SW100B100L-RF
SW100B100R-LF
SW100V100L-RF
SW100V100R-LF
1/150 实心 --- SW100B150L-SRF
SW100B150R-SLF
SW100V150L-SRF
SW100V150R-SLF
空心 --- SW100B150L-RF
SW100B150R-LF
SW100V150L-RF
SW100V150R-LF
1/200 实心 --- SW100B200L-SRF
SW100B200R-SLF
SW100V200L-SRF
SW100V200R-SLF
空心 --- SW100B200L-RF
SW100B200R-LF
SW100V200L-RF
SW100V200R-LF
1/250 实心 --- SW100B250L-SRF
SW100B250R-SLF
SW100V250L-SRF
SW100V250R-SLF
空心 --- SW100B250L-RF
SW100B250R-LF
SW100V250L-RF
SW100V250R-LF
1/300 实心 --- SW100B300L-SRF
SW100B300R-SLF
SW100V300L-SRF
SW100V300R-SLF
空心 --- SW100B300L-RF
SW100B300R-LF
SW100V300L-RF
SW100V300R-LF
1/400 实心 --- SW100B400L-SRF
SW100B400R-SLF
SW100V400L-SRF
SW100V400R-SLF
空心 --- SW100B400L-RF
SW100B400R-LF
SW100V400L-RF
SW100V400R-LF
1/500 实心 --- SW100B500L-SRF
SW100B500R-SLF
SW100V500L-SRF
SW100V500R-SLF
空心 --- SW100B500L-RF
SW100B500R-LF
SW100V500L-RF
SW100V500R-LF
1/600 实心 --- SW100B600L-SRF
SW100B600R-SLF
SW100V600L-SRF
SW100V600R-SLF
空心 --- SW100B600L-RF
SW100B600R-LF
SW100V600L-RF
SW100V600R-LF
1/800 实心 --- SW100B800L-SRF
SW100B800R-SLF
SW100V800L-SRF
SW100V800R-SLF
空心 --- SW100B800L-RF
SW100B800R-LF
SW100V800L-RF
SW100V800R-LF
1/1000 实心 --- SW100B1000L-SRF
SW100B1000R-SLF
SW100V1000L-SRF
SW100V1000R-SLF
空心 --- SW100B1000L-RF
SW100B1000R-LF
SW100V1000L-RF
SW100V1000R-LF
1/1200 实心 --- SW100B1200L-SRF
SW100B1200R-SLF
SW100V1200L-SRF
SW100V1200R-SLF
空心 --- SW100B1200L-RF
SW100B1200R-LF
SW100V1200L-RF
SW100V1200R-LF
1/1500 实心 --- SW100B1500L-SRF
SW100B1500R-SLF
SW100V1500L-SRF
SW100V1500R-SLF
空心 --- SW100B1500L-RF
SW100B1500R-LF
SW100V1500L-RF
SW100V1500R-LF
1/1800 实心 --- SW100B1800L-SRF
SW100B1800R-SLF
SW100V1800L-SRF
SW100V1800R-SLF
空心 --- SW100B1800L-RF
SW100B1800R-LF
SW100V1800L-RF
SW100V1800R-LF
1/2400 实心 --- SW100B2400L-SRF
SW100B2400R-SLF
SW100V2400L-SRF
SW100V2400R-SLF
空心 --- SW100B2400L-RF
SW100B2400R-LF
SW100V2400L-RF
SW100V2400R-LF
1/3000 实心 --- SW100B3000L-SRF
SW100B3000R-SLF
SW100V3000L-SRF
SW100V3000R-SLF
空心 --- SW100B3000L-RF
SW100B3000R-LF
SW100V3000L-RF
SW100V3000R-LF
1/3600 实心 --- SW100B3600L-SRF
SW100B3600R-SLF
SW100V3600L-SRF
SW100V3600R-SLF
空心 --- SW100B3600L-RF
SW100B3600R-LF
SW100V3600L-RF
SW100V3600R-LF
返回此页面的顶部

モータ無し サイズ125 (形番SW125~)

减速比 输出轴 T款 B款 V型
1/10 实心 SW125T10SLF
SW125T10SRF
SW125B10SLF
SW125B10SRF
SW125V10SLF
SW125V10SRF
空心 SW125T10LF
SW125T10RF
SW125B10LF
SW125B10RF
SW125V10LF
SW125V10RF
1/15 实心 SW125T15SLF
SW125T15SRF
SW125B15SLF
SW125B15SRF
SW125V15SLF
SW125V15SRF
空心 SW125T15LF
SW125T15RF
SW125B15LF
SW125B15RF
SW125V15LF
SW125V15RF
1/20 实心 SW125T20SLF
SW125T20SRF
SW125B20SLF
SW125B20SRF
SW125V20SLF
SW125V20SRF
空心 SW125T20LF
SW125T20RF
SW125B20LF
SW125B20RF
SW125V20LF
SW125V20RF
1/25 实心 SW125T25SLF
SW125T25SRF
SW125B25SLF
SW125B25SRF
SW125V25SLF
SW125V25SRF
空心 SW125T25LF
SW125T25RF
SW125B25LF
SW125B25RF
SW125V25LF
SW125V25RF
1/30 实心 SW125T30SLF
SW125T30SRF
SW125B30SLF
SW125B30SRF
SW125V30SLF
SW125V30SRF
空心 SW125T30LF
SW125T30RF
SW125B30LF
SW125B30RF
SW125V30LF
SW125V30RF
1/40 实心 SW125T40SLF
SW125T40SRF
SW125B40SLF
SW125B40SRF
SW125V40SLF
SW125V40SRF
空心 SW125T40LF
SW125T40RF
SW125B40LF
SW125B40RF
SW125V40LF
SW125V40RF
1/50 实心 SW125T50SLF
SW125T50SRF
SW125B50SLF
SW125B50SRF
SW125V50SLF
SW125V50SRF
空心 SW125T50LF
SW125T50RF
SW125B50LF
SW125B50RF
SW125V50LF
SW125V50RF
1/60 实心 SW125T60SLF
SW125T60SRF
SW125B60SLF
SW125B60SRF
SW125V60SLF
SW125V60SRF
空心 SW125T60LF
SW125T60RF
SW125B60LF
SW125B60RF
SW125V60LF
SW125V60RF
1/100 实心 --- SW125B100L-SRF
SW125B100R-SLF
SW125V100L-SRF
SW125V100R-SLF
空心 --- SW125B100L-RF
SW125B100R-LF
SW125V100L-RF
SW125V100R-LF
1/150 实心 --- SW125B150L-SRF
SW125B150R-SLF
SW125V150L-SRF
SW125V150R-SLF
空心 --- SW125B150L-RF
SW125B150R-LF
SW125V150L-RF
SW125V150R-LF
1/200 实心 --- SW125B200L-SRF
SW125B200R-SLF
SW125V200L-SRF
SW125V200R-SLF
空心 --- SW125B200L-RF
SW125B200R-LF
SW125V200L-RF
SW125V200R-LF
1/250 实心 --- SW125B250L-SRF
SW125B250R-SLF
SW125V250L-SRF
SW125V250R-SLF
空心 --- SW125B250L-RF
SW125B250R-LF
SW125V250L-RF
SW125V250R-LF
1/300 实心 --- SW125B300L-SRF
SW125B300R-SLF
SW125V300L-SRF
SW125V300R-SLF
空心 --- SW125B300L-RF
SW125B300R-LF
SW125V300L-RF
SW125V300R-LF
1/400 实心 --- SW125B400L-SRF
SW125B400R-SLF
SW125V400L-SRF
SW125V400R-SLF
空心 --- SW125B400L-RF
SW125B400R-LF
SW125V400L-RF
SW125V400R-LF
1/500 实心 --- SW125B500L-SRF
SW125B500R-SLF
SW125V500L-SRF
SW125V500R-SLF
空心 --- SW125B500L-RF
SW125B500R-LF
SW125V500L-RF
SW125V500R-LF
1/600 实心 --- SW125B600L-SRF
SW125B600R-SLF
SW125V600L-SRF
SW125V600R-SLF
空心 --- SW125B600L-RF
SW125B600R-LF
SW125V600L-RF
SW125V600R-LF
1/800 实心 --- SW125B800L-SRF
SW125B800R-SLF
SW125V800L-SRF
SW125V800R-SLF
空心 --- SW125B800L-RF
SW125B800R-LF
SW125V800L-RF
SW125V800R-LF
1/1000 实心 --- SW125B1000L-SRF
SW125B1000R-SLF
SW125V1000L-SRF
SW125V1000R-SLF
空心 --- SW125B1000L-RF
SW125B1000R-LF
SW125V1000L-RF
SW125V1000R-LF
1/1200 实心 --- SW125B1200L-SRF
SW125B1200R-SLF
SW125V1200L-SRF
SW125V1200R-SLF
空心 --- SW125B1200L-RF
SW125B1200R-LF
SW125V1200L-RF
SW125V1200R-LF
1/1500 实心 --- SW125B1500L-SRF
SW125B1500R-SLF
SW125V1500L-SRF
SW125V1500R-SLF
空心 --- SW125B1500L-RF
SW125B1500R-LF
SW125V1500L-RF
SW125V1500R-LF
1/1800 实心 --- SW125B1800L-SRF
SW125B1800R-SLF
SW125V1800L-SRF
SW125V1800R-SLF
空心 --- SW125B1800L-RF
SW125B1800R-LF
SW125V1800L-RF
SW125V1800R-LF
1/2400 实心 --- SW125B2400L-SRF
SW125B2400R-SLF
SW125V2400L-SRF
SW125V2400R-SLF
空心 --- SW125B2400L-RF
SW125B2400R-LF
SW125V2400L-RF
SW125V2400R-LF
1/3000 实心 --- SW125B3000L-SRF
SW125B3000R-SLF
SW125V3000L-SRF
SW125V3000R-SLF
空心 --- SW125B3000L-RF
SW125B3000R-LF
SW125V3000L-RF
SW125V3000R-LF
1/3600 实心 --- SW125B3600L-SRF
SW125B3600R-SLF
SW125V3600L-SRF
SW125V3600R-SLF
空心 --- SW125B3600L-RF
SW125B3600R-LF
SW125V3600L-RF
SW125V3600R-LF
返回此页面的顶部

モータ無し サイズ150 (形番SW150~)

减速比 输出轴 T款 B款 V型
1/10 实心 SW150T10SLF
SW150T10SRF
SW150B10SLF
SW150B10SRF
SW150V10SLF
SW150V10SRF
空心 SW150T10LF
SW150T10RF
SW150B10LF
SW150B10RF
SW150V10LF
SW150V10RF
1/15 实心 SW150T15SLF
SW150T15SRF
SW150B15SLF
SW150B15SRF
SW150V15SLF
SW150V15SRF
空心 SW150T15LF
SW150T15RF
SW150B15LF
SW150B15RF
SW150V15LF
SW150V15RF
1/20 实心 SW150T20SLF
SW150T20SRF
SW150B20SLF
SW150B20SRF
SW150V20SLF
SW150V20SRF
空心 SW150T20LF
SW150T20RF
SW150B20LF
SW150B20RF
SW150V20LF
SW150V20RF
1/25 实心 SW150T25SLF
SW150T25SRF
SW150B25SLF
SW150B25SRF
SW150V25SLF
SW150V25SRF
空心 SW150T25LF
SW150T25RF
SW150B25LF
SW150B25RF
SW150V25LF
SW150V25RF
1/30 实心 SW150T30SLF
SW150T30SRF
SW150B30SLF
SW150B30SRF
SW150V30SLF
SW150V30SRF
空心 SW150T30LF
SW150T30RF
SW150B30LF
SW150B30RF
SW150V30LF
SW150V30RF
1/40 实心 SW150T40SLF
SW150T40SRF
SW150B40SLF
SW150B40SRF
SW150V40SLF
SW150V40SRF
空心 SW150T40LF
SW150T40RF
SW150B40LF
SW150B40RF
SW150V40LF
SW150V40RF
1/50 实心 SW150T50SLF
SW150T50SRF
SW150B50SLF
SW150B50SRF
SW150V50SLF
SW150V50SRF
空心 SW150T50LF
SW150T50RF
SW150B50LF
SW150B50RF
SW150V50LF
SW150V50RF
1/60 实心 SW150T60SLF
SW150T60SRF
SW150B60SLF
SW150B60SRF
SW150V60SLF
SW150V60SRF
空心 SW150T60LF
SW150T60RF
SW150B60LF
SW150B60RF
SW150V60LF
SW150V60RF
1/100 实心 --- SW150B100L-SRF
SW150B100R-SLF
SW150V100L-SRF
SW150V100R-SLF
空心 --- SW150B100L-RF
SW150B100R-LF
SW150V100L-RF
SW150V100R-LF
1/150 实心 --- SW150B150L-SRF
SW150B150R-SLF
SW150V150L-SRF
SW150V150R-SLF
空心 --- SW150B150L-RF
SW150B150R-LF
SW150V150L-RF
SW150V150R-LF
1/200 实心 --- SW150B200L-SRF
SW150B200R-SLF
SW150V200L-SRF
SW150V200R-SLF
空心 --- SW150B200L-RF
SW150B200R-LF
SW150V200L-RF
SW150V200R-LF
1/250 实心 --- SW150B250L-SRF
SW150B250R-SLF
SW150V250L-SRF
SW150V250R-SLF
空心 --- SW150B250L-RF
SW150B250R-LF
SW150V250L-RF
SW150V250R-LF
1/300 实心 --- SW150B300L-SRF
SW150B300R-SLF
SW150V300L-SRF
SW150V300R-SLF
空心 --- SW150B300L-RF
SW150B300R-LF
SW150V300L-RF
SW150V300R-LF
1/400 实心 --- SW150B400L-SRF
SW150B400R-SLF
SW150V400L-SRF
SW150V400R-SLF
空心 --- SW150B400L-RF
SW150B400R-LF
SW150V400L-RF
SW150V400R-LF
1/500 实心 --- SW150B500L-SRF
SW150B500R-SLF
SW150V500L-SRF
SW150V500R-SLF
空心 --- SW150B500L-RF
SW150B500R-LF
SW150V500L-RF
SW150V500R-LF
1/600 实心 --- SW150B600L-SRF
SW150B600R-SLF
SW150V600L-SRF
SW150V600R-SLF
空心 --- SW150B600L-RF
SW150B600R-LF
SW150V600L-RF
SW150V600R-LF
1/800 实心 --- SW150B800L-SRF
SW150B800R-SLF
SW150V800L-SRF
SW150V800R-SLF
空心 --- SW150B800L-RF
SW150B800R-LF
SW150V800L-RF
SW150V800R-LF
1/1000 实心 --- SW150B1000L-SRF
SW150B1000R-SLF
SW150V1000L-SRF
SW150V1000R-SLF
空心 --- SW150B1000L-RF
SW150B1000R-LF
SW150V1000L-RF
SW150V1000R-LF
1/1200 实心 --- SW150B1200L-SRF
SW150B1200R-SLF
SW150V1200L-SRF
SW150V1200R-SLF
空心 --- SW150B1200L-RF
SW150B1200R-LF
SW150V1200L-RF
SW150V1200R-LF
1/1500 实心 --- SW150B1500L-SRF
SW150B1500R-SLF
SW150V1500L-SRF
SW150V1500R-SLF
空心 --- SW150B1500L-RF
SW150B1500R-LF
SW150V1500L-RF
SW150V1500R-LF
1/1800 实心 --- SW150B1800L-SRF
SW150B1800R-SLF
SW150V1800L-SRF
SW150V1800R-SLF
空心 --- SW150B1800L-RF
SW150B1800R-LF
SW150V1800L-RF
SW150V1800R-LF
1/2400 实心 --- SW150B2400L-SRF
SW150B2400R-SLF
SW150V2400L-SRF
SW150V2400R-SLF
空心 --- SW150B2400L-RF
SW150B2400R-LF
SW150V2400L-RF
SW150V2400R-LF
1/3000 实心 --- SW150B3000L-SRF
SW150B3000R-SLF
SW150V3000L-SRF
SW150V3000R-SLF
空心 --- SW150B3000L-RF
SW150B3000R-LF
SW150V3000L-RF
SW150V3000R-LF
1/3600 实心 --- SW150B3600L-SRF
SW150B3600R-SLF
SW150V3600L-SRF
SW150V3600R-SLF
空心 --- SW150B3600L-RF
SW150B3600R-LF
SW150V3600L-RF
SW150V3600R-LF
返回此页面的顶部

モータ無し サイズ175 (形番SW175~)

减速比 输出轴 T款 B款 V型
1/10 实心 SW175T10SLF
SW175T10SRF
SW175B10SLF
SW175B10SRF
SW175V10SLF
SW175V10SRF
空心 SW175T10LF
SW175T10RF
SW175B10LF
SW175B10RF
SW175V10LF
SW175V10RF
1/15 实心 SW175T15SLF
SW175T15SRF
SW175B15SLF
SW175B15SRF
SW175V15SLF
SW175V15SRF
空心 SW175T15LF
SW175T15RF
SW175B15LF
SW175B15RF
SW175V15LF
SW175V15RF
1/20 实心 SW175T20SLF
SW175T20SRF
SW175B20SLF
SW175B20SRF
SW175V20SLF
SW175V20SRF
空心 SW175T20LF
SW175T20RF
SW175B20LF
SW175B20RF
SW175V20LF
SW175V20RF
1/25 实心 SW175T25SLF
SW175T25SRF
SW175B25SLF
SW175B25SRF
SW175V25SLF
SW175V25SRF
空心 SW175T25LF
SW175T25RF
SW175B25LF
SW175B25RF
SW175V25LF
SW175V25RF
1/30 实心 SW175T30SLF
SW175T30SRF
SW175B30SLF
SW175B30SRF
SW175V30SLF
SW175V30SRF
空心 SW175T30LF
SW175T30RF
SW175B30LF
SW175B30RF
SW175V30LF
SW175V30RF
1/40 实心 SW175T40SLF
SW175T40SRF
SW175B40SLF
SW175B40SRF
SW175V40SLF
SW175V40SRF
空心 SW175T40LF
SW175T40RF
SW175B40LF
SW175B40RF
SW175V40LF
SW175V40RF
1/50 实心 SW175T50SLF
SW175T50SRF
SW175B50SLF
SW175B50SRF
SW175V50SLF
SW175V50SRF
空心 SW175T50LF
SW175T50RF
SW175B50LF
SW175B50RF
SW175V50LF
SW175V50RF
1/60 实心 SW175T60SLF
SW175T60SRF
SW175B60SLF
SW175B60SRF
SW175V60SLF
SW175V60SRF
空心 SW175T60LF
SW175T60RF
SW175B60LF
SW175B60RF
SW175V60LF
SW175V60RF
1/100 实心 --- SW175B100L-SRF
SW175B100R-SLF
SW175V100L-SRF
SW175V100R-SLF
空心 --- SW175B100L-RF
SW175B100R-LF
SW175V100L-RF
SW175V100R-LF
1/150 实心 --- SW175B150L-SRF
SW175B150R-SLF
SW175V150L-SRF
SW175V150R-SLF
空心 --- SW175B150L-RF
SW175B150R-LF
SW175V150L-RF
SW175V150R-LF
1/200 实心 --- SW175B200L-SRF
SW175B200R-SLF
SW175V200L-SRF
SW175V200R-SLF
空心 --- SW175B200L-RF
SW175B200R-LF
SW175V200L-RF
SW175V200R-LF
1/250 实心 --- SW175B250L-SRF
SW175B250R-SLF
SW175V250L-SRF
SW175V250R-SLF
空心 --- SW175B250L-RF
SW175B250R-LF
SW175V250L-RF
SW175V250R-LF
1/300 实心 --- SW175B300L-SRF
SW175B300R-SLF
SW175V300L-SRF
SW175V300R-SLF
空心 --- SW175B300L-RF
SW175B300R-LF
SW175V300L-RF
SW175V300R-LF
1/400 实心 --- SW175B400L-SRF
SW175B400R-SLF
SW175V400L-SRF
SW175V400R-SLF
空心 --- SW175B400L-RF
SW175B400R-LF
SW175V400L-RF
SW175V400R-LF
1/500 实心 --- SW175B500L-SRF
SW175B500R-SLF
SW175V500L-SRF
SW175V500R-SLF
空心 --- SW175B500L-RF
SW175B500R-LF
SW175V500L-RF
SW175V500R-LF
1/600 实心 --- SW175B600L-SRF
SW175B600R-SLF
SW175V600L-SRF
SW175V600R-SLF
空心 --- SW175B600L-RF
SW175B600R-LF
SW175V600L-RF
SW175V600R-LF
1/800 实心 --- SW175B800L-SRF
SW175B800R-SLF
SW175V800L-SRF
SW175V800R-SLF
空心 --- SW175B800L-RF
SW175B800R-LF
SW175V800L-RF
SW175V800R-LF
1/1000 实心 --- SW175B1000L-SRF
SW175B1000R-SLF
SW175V1000L-SRF
SW175V1000R-SLF
空心 --- SW175B1000L-RF
SW175B1000R-LF
SW175V1000L-RF
SW175V1000R-LF
1/1200 实心 --- SW175B1200L-SRF
SW175B1200R-SLF
SW175V1200L-SRF
SW175V1200R-SLF
空心 --- SW175B1200L-RF
SW175B1200R-LF
SW175V1200L-RF
SW175V1200R-LF
1/1500 实心 --- SW175B1500L-SRF
SW175B1500R-SLF
SW175V1500L-SRF
SW175V1500R-SLF
空心 --- SW175B1500L-RF
SW175B1500R-LF
SW175V1500L-RF
SW175V1500R-LF
1/1800 实心 --- SW175B1800L-SRF
SW175B1800R-SLF
SW175V1800L-SRF
SW175V1800R-SLF
空心 --- SW175B1800L-RF
SW175B1800R-LF
SW175V1800L-RF
SW175V1800R-LF
1/2400 实心 --- SW175B2400L-SRF
SW175B2400R-SLF
SW175V2400L-SRF
SW175V2400R-SLF
空心 --- SW175B2400L-RF
SW175B2400R-LF
SW175V2400L-RF
SW175V2400R-LF
1/3000 实心 --- SW175B3000L-SRF
SW175B3000R-SLF
SW175V3000L-SRF
SW175V3000R-SLF
空心 --- SW175B3000L-RF
SW175B3000R-LF
SW175V3000L-RF
SW175V3000R-LF
1/3600 实心 --- SW175B3600L-SRF
SW175B3600R-SLF
SW175V3600L-SRF
SW175V3600R-SLF
空心 --- SW175B3600L-RF
SW175B3600R-LF
SW175V3600L-RF
SW175V3600R-LF
返回此页面的顶部

モータ無し サイズ200 (形番SW200~)

减速比 输出轴 T款 B款 V型
1/10 实心 SW200T10SLF
SW200T10SRF
SW200B10SLF
SW200B10SRF
SW200V10SLF
SW200V10SRF
空心 SW200T10LF
SW200T10RF
SW200B10LF
SW200B10RF
SW200V10LF
SW200V10RF
1/15 实心 SW200T15SLF
SW200T15SRF
SW200B15SLF
SW200B15SRF
SW200V15SLF
SW200V15SRF
空心 SW200T15LF
SW200T15RF
SW200B15LF
SW200B15RF
SW200V15LF
SW200V15RF
1/20 实心 SW200T20SLF
SW200T20SRF
SW200B20SLF
SW200B20SRF
SW200V20SLF
SW200V20SRF
空心 SW200T20LF
SW200T20RF
SW200B20LF
SW200B20RF
SW200V20LF
SW200V20RF
1/25 实心 SW200T25SLF
SW200T25SRF
SW200B25SLF
SW200B25SRF
SW200V25SLF
SW200V25SRF
空心 SW200T25LF
SW200T25RF
SW200B25LF
SW200B25RF
SW200V25LF
SW200V25RF
1/30 实心 SW200T30SLF
SW200T30SRF
SW200B30SLF
SW200B30SRF
SW200V30SLF
SW200V30SRF
空心 SW200T30LF
SW200T30RF
SW200B30LF
SW200B30RF
SW200V30LF
SW200V30RF
1/40 实心 SW200T40SLF
SW200T40SRF
SW200B40SLF
SW200B40SRF
SW200V40SLF
SW200V40SRF
空心 SW200T40LF
SW200T40RF
SW200B40LF
SW200B40RF
SW200V40LF
SW200V40RF
1/50 实心 SW200T50SLF
SW200T50SRF
SW200B50SLF
SW200B50SRF
SW200V50SLF
SW200V50SRF
空心 SW200T50LF
SW200T50RF
SW200B50LF
SW200B50RF
SW200V50LF
SW200V50RF
1/60 实心 SW200T60SLF
SW200T60SRF
SW200B60SLF
SW200B60SRF
SW200V60SLF
SW200V60SRF
空心 SW200T60LF
SW200T60RF
SW200B60LF
SW200B60RF
SW200V60LF
SW200V60RF
1/100 实心 --- SW200B100L-SRF
SW200B100R-SLF
SW200V100L-SRF
SW200V100R-SLF
空心 --- SW200B100L-RF
SW200B100R-LF
SW200V100L-RF
SW200V100R-LF
1/150 实心 --- SW200B150L-SRF
SW200B150R-SLF
SW200V150L-SRF
SW200V150R-SLF
空心 --- SW200B150L-RF
SW200B150R-LF
SW200V150L-RF
SW200V150R-LF
1/200 实心 --- SW200B200L-SRF
SW200B200R-SLF
SW200V200L-SRF
SW200V200R-SLF
空心 --- SW200B200L-RF
SW200B200R-LF
SW200V200L-RF
SW200V200R-LF
1/250 实心 --- SW200B250L-SRF
SW200B250R-SLF
SW200V250L-SRF
SW200V250R-SLF
空心 --- SW200B250L-RF
SW200B250R-LF
SW200V250L-RF
SW200V250R-LF
1/300 实心 --- SW200B300L-SRF
SW200B300R-SLF
SW200V300L-SRF
SW200V300R-SLF
空心 --- SW200B300L-RF
SW200B300R-LF
SW200V300L-RF
SW200V300R-LF
1/400 实心 --- SW200B400L-SRF
SW200B400R-SLF
SW200V400L-SRF
SW200V400R-SLF
空心 --- SW200B400L-RF
SW200B400R-LF
SW200V400L-RF
SW200V400R-LF
1/500 实心 --- SW200B500L-SRF
SW200B500R-SLF
SW200V500L-SRF
SW200V500R-SLF
空心 --- SW200B500L-RF
SW200B500R-LF
SW200V500L-RF
SW200V500R-LF
1/600 实心 --- SW200B600L-SRF
SW200B600R-SLF
SW200V600L-SRF
SW200V600R-SLF
空心 --- SW200B600L-RF
SW200B600R-LF
SW200V600L-RF
SW200V600R-LF
1/800 实心 --- SW200B800L-SRF
SW200B800R-SLF
SW200V800L-SRF
SW200V800R-SLF
空心 --- SW200B800L-RF
SW200B800R-LF
SW200V800L-RF
SW200V800R-LF
1/1000 实心 --- SW200B1000L-SRF
SW200B1000R-SLF
SW200V1000L-SRF
SW200V1000R-SLF
空心 --- SW200B1000L-RF
SW200B1000R-LF
SW200V1000L-RF
SW200V1000R-LF
1/1200 实心 --- SW200B1200L-SRF
SW200B1200R-SLF
SW200V1200L-SRF
SW200V1200R-SLF
空心 --- SW200B1200L-RF
SW200B1200R-LF
SW200V1200L-RF
SW200V1200R-LF
1/1500 实心 --- SW200B1500L-SRF
SW200B1500R-SLF
SW200V1500L-SRF
SW200V1500R-SLF
空心 --- SW200B1500L-RF
SW200B1500R-LF
SW200V1500L-RF
SW200V1500R-LF
1/1800 实心 --- SW200B1800L-SRF
SW200B1800R-SLF
SW200V1800L-SRF
SW200V1800R-SLF
空心 --- SW200B1800L-RF
SW200B1800R-LF
SW200V1800L-RF
SW200V1800R-LF
1/2400 实心 --- SW200B2400L-SRF
SW200B2400R-SLF
SW200V2400L-SRF
SW200V2400R-SLF
空心 --- SW200B2400L-RF
SW200B2400R-LF
SW200V2400L-RF
SW200V2400R-LF
1/3000 实心 --- SW200B3000L-SRF
SW200B3000R-SLF
SW200V3000L-SRF
SW200V3000R-SLF
空心 --- SW200B3000L-RF
SW200B3000R-LF
SW200V3000L-RF
SW200V3000R-LF
1/3600 实心 --- SW200B3600L-SRF
SW200B3600R-SLF
SW200V3600L-SRF
SW200V3600R-SLF
空心 --- SW200B3600L-RF
SW200B3600R-LF
SW200V3600L-RF
SW200V3600R-LF
返回此页面的顶部