准双曲面齿轮减速电机TA/TR 系列
- 直交轴准双曲面齿轮减速机。
- TA系列 (0.1~0.4kW) 采用铝框马达和静音制动器,实现了小型、轻量、安静运行。
- TR系列符合高能效电机要求。(高能效:IE3级别)
特性
-
·高效
与蜗杆相比,滑动少,效率高。如果输出功率相同,则功耗更低,驱动器更经济。
-
·低噪音
利用齿轮减速电机领域不断磨练的加工技术,我们承诺低噪音和高可靠性。
-
·易用性
已封入润滑脂,可直接使用。安装方向也是自由的,没有限制。
输出轴端标准进行攻丝加工。中空轴型还可选配扭矩臂和轴端盖。
-
- 配备变频电机(仅限 0.1kW 至 0.4kW)
它可以直接连接变频器兼容电机,并且尺寸与标准电机相同。即使在低速范围(6Hz 起)内,它也能以 100% 恒定扭矩运行。
带0.75kW以上高能效电机类型与带伺服电机的类型具有相同特性。
-
·紧凑
特别强调了准双曲面齿轮减速电机的高度,从而造就了极其低矮紧凑的减速机。
安装间距a相同。
-
·符合海外高效率规定 (TR系列)
随着节能意识的提高,世界各国都在推进高效率马达的制造和销售义务的法律法规。
椿本小型齿轮马达TR系列不仅在日本国内,还符合各国的高效率规定。提供符合时代需求的高品质产品。
[国外标准对应表]
有关规格的详细信息,请联系我们。 电动机容量 0.2kW 0.4kW 0.75kW 1.5kW 2.2kW 3.7kW 5.5kW 无制动器 制动装置 无制动器 制动装置 无制动器 制动装置 无制动器 制动装置 无制动器 制动装置 无制动器 制动装置 无制动器 制动装置 中国高效率规定
GB18613-2020支持 支持 支持 支持 支持 支持 支持 支持 支持 支持 支持 支持 支持 支持 欧洲高效规定
IEC60034-30-1 (2017)
※1支持 支持 支持 支持 支持 支持 支持 支持 支持 支持 支持 支持 支持 支持 韩国高效率规定
KS C 4202不适用 支持 支持 请咨询 支持 支持 支持 支持 美国高效法规
MEMA MG1-12-12不适用 支持 支持 请咨询 支持 支持 支持 支持
标准机型
·TA系列 (相当于IE1)
| 电动机容量 | 减速比 |
|---|---|
| 0.1kW | 1/5~1/1200 |
| 0.2kW | 1/5~1/1200 |
| 0.4kW | 1/5~1/1200 |
·TR系列 (相当于IE3)
| 电动机容量 | 减速比 |
|---|---|
| 0.75kW | 1/5~1/480 |
| 1.5kW | 1/5~1/200 |
| 2.2kW | 1/5~1/120 |
| 3.7kW | 1/5~1/60 |
| 5.5kW | 1/5~1/40 |
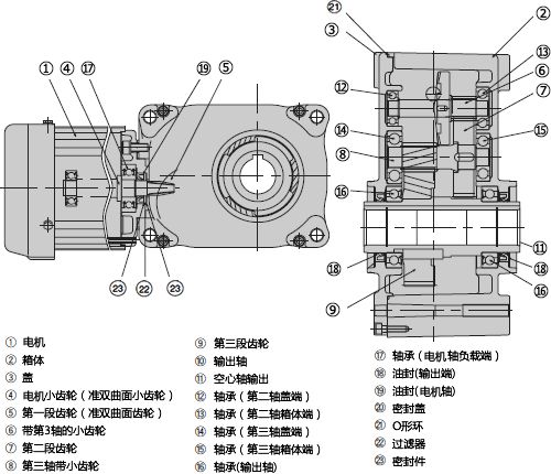
结构(三级减速空心轴型)
产品目录、使用说明书
型号表示例
| ·带三相电机:0.1kW~0.4kW | |||||||
| HMTA | 010 | - | 38 | L | 1200 | L | B |
| ·带三相电机:0.75kW~5.5kW | |||||||
| HMTR | 075 | - | 42 | U | 200 | S | B |
| | | | | | |
| 电机容量 |
| 边框编号 |
| 安装形式 |
| 减速比 |
| | | | | |
| 规格符号 |
|
| 010:0.1kW | H:中空轴型 U:表面固定型 L:脚固定型 |
1200:1/1200 | B:带制动器 FI:附适配器 |
||||
| 系列名 HMTA, HMTR:附三相电机 HRTA:附双轴形及转接器 |
轴配置 L:从电机侧看输出轴为左侧 T:输出轴为两侧 R:从电机侧看输出轴为右侧 S:输出轴为单侧(表面侧,仅表面安装类型) 无符号:中空轴形 |
||||||
■椿本产品型号指引
系列
HMTA:附带三相电机。
HMTR:附带三相高效电机。
HRTA:一种无电机减速机有两种类型:双轴型和带适配器的型,可安装通用法兰电机。
电动机容量
使用HMTA、HMTR时:为电机的容量。
HRTA时:表示相当于电机容量的数值。
边框编号
这表示减速机的尺寸。对于大多数型号而言,该值与输出轴直径相同。
由电机容量和减速比自动决定。
安装形式
H:输出轴为空心类型。
U:输出轴是实心类型,是面安装类型。
L:输出轴为实心型,安装支脚。
减速比
表示减速比。
区域分隔符对应于框架编号。
轴配置
L:安装形式为脚安装 (L) 时,从电机侧看实心输出轴伸出左侧的类型。
R:安装形式为脚安装 (L) 时,从电机侧看实心输出轴伸出右侧的类型。
T:实心输出轴位于两侧的类型。
S:安装形式为表面安装 (U) 时,实心输出轴伸出安装面侧的类型。
无符号:安装类型为空心轴类型 (H) 时,不需要轴对齐符号。
规格代号
无标记:带电机无制动器及无电机双轴形时,不需要规格标记。
B:附带电机、附带制动器时附加。
FI:无电机时、电机安装适配器型时附加。
K:空心轴时,使用联结件安装从动机轴。
BE:在电机后部安装旋转编码器。带刹车。
SR:安装一种名为“过载保护继电器”的电气过载保护装置。
选项符号A
Z:该电机兼容变频器驱动。
W:支持室外安装。
WC:带制动器室外型,电机连续额定。
P:附带树脂制接线盒。
J:支持溅水环境下的安装。
V:电源电压加倍。
V1:电源的电压及频率为380V、50Hz。
V2:电源的电压及频率为380V、60Hz。
V3:电源的电压及频率为415V、50Hz。
V4:电源的电压及频率为460V、60Hz。
N:CE规格。
N2:符合UL规格。
*N3:CCC规格。
H:附带铝制接线盒。
Q:可以手动释放制动器。
M:可从电机风扇侧进行手动旋转操作。
A1:支持环境温度为0°C至+60°C的环境。
A2:支持-30°C至+40°C的环境温度。
选项符号B (以前称为辅助符号)
·端子箱位置
从电机一侧看,将端子箱移动到顺时针旋转的位置。
P1:90°转动 P2:180°转动 P3:270°转动
·端子箱口出口方向
朝着端子箱看,将出口移动到顺时针旋转的位置。
·HMTA电机容量0.75kW以下时
D1:90°转动 D2:180°转动 D3:270°转动
·HMTA电机容量1.5kW以上时
E1:90°转动 E2:180°转动 E3:270°转动
·HMTR时
F1:90°转动 F2:180°转动 F3:270°转动
·油漆颜色
C0:浅灰色C1:浅银金属
C2:象牙白C3:深银金属
·空心轴孔径
S1:Φ20 S2:Φ25 S3:Φ30 S4:Φ35
S5:Φ40 S6:Φ45 S7:Φ50
商品一览表
无电机附带适配器、双轴型相当于0.1kW (型号HRTA010~)
无电机附带适配器·双轴型相当于0.2kW (型号HRTA020~)
无电机附带适配器、双轴型相当于0.4kW (型号HRTA040~)
无电机附带适配器、双轴型相当于0.75kW (型号HRTA075~)
无电机附带适配器、双轴型相当于1.5kW (型号HRTA150~)
选项
轴端盖
·备有中空轴形、安装在与安装相反一侧的中空轴端的盖板。附适配器,可对应双轴形。
(材质:聚丙烯树脂制,绿色)
尺寸(单位:mm)、PDF图纸、标准价格和交货期
| 型号 | 容量、速比 | PDF图纸 | 标准价格 | 交货期 |
|---|---|---|---|---|
| HM70CAP | 0.1kW 1/5~1/120 0.2kW 1/5~1/60 |
PDF 标准规格、无键规格共用 | 请咨询 | 请咨询 |
| HM90CAP | 0.1kW 1/160~1/1200 0.2kW 1/80~1200 0.4kW 1/5~1/480 0.75kW 1/5~1/200 1.5kW 1/5~1/80 2.2kW 1/5~1/60 |
PDF 标准规格用 | 请咨询 | 请咨询 |
| HM140CAP | 0.4kW 1/600~1/1200 0.75kW 1/300~1/480 1.5kW 1/100~1/200 2.2kW 1/80~1/120 3.7kW 1/5~1/60 5.5kW 1/5~40 |
PDF 标准规格用 | 请咨询 | 请咨询 |
| HM90CAP-PL | 0.1kW 1/160~1/200 0.2kW 1/80~1/200 0.4kW 1/5~1/200 0.75kW 1/5~1/50 |
PDF 标准规格、无键规格共用 | 请咨询 | 请咨询 |
扭力臂
·中空轴形,备有轴上安装时的扭矩臂。附适配器,可对应双轴形。(材质:SS400)

根据减速机的安装情况,它可以安装在任一位置。
・尺寸(单位:mm)、PDF图纸、标准价格和交货期
| 型号 | 容量、速比 | A | B | C | D | H | L | R1 | R2 | R3 | ΦZ1 | ΦZ2 | 推荐 螺栓 |
板厚 t |
PDF图纸 | 标准价格 | 交货期 |
|---|---|---|---|---|---|---|---|---|---|---|---|---|---|---|---|---|---|
| HM100TA | 60W 1/5~1/240 90W 1/5~1/240 0.1kW 1/5~1/120 0.2kW 1/5~1/60 |
100 | 62 | 38 | 70 | 82 | 126 | 9 | 11 | 37 | 9 | 11 | M10 | 4.5 | 请咨询 | 请咨询 | |
| HM150TA | 0.1kW 1/160~1/480 0.2kW 1/80~200 0.4kW 1/5~1/50 |
150 | 103 | 47 | 88 | 129 | 157 | 11 | 15 | 47 | 11 | 13 | M12 | 6 | 请咨询 | 请咨询 | |
| HM200TA | 0.1kW 1/600~1/1200 0.2kW 1/300~1/480 0.4kW 1/60~1/200 0.75kW 1/5~1/50 |
200 | 142 | 58 | 106 | 171 | 188 | 12 | 17 | 47 | 13 | 17 | M16 | 6 | 请咨询 | 请咨询 | |
| HM250TA | 0.2kW 1/600~1/1200 0.4kW 1/300~1/480 0.75kW 1/60~1/200 1.5kW 1/5~1/80 2.2kW 1/5~1/60 |
250 | 177 | 73 | 123 | 214 | 228 | 16 | 21 | ― | 17 | 21 | M20 | 9 | 请咨询 | 请咨询 | |
| HM350TA | 0.4kW 1/600~1/1200 0.75kW 1/300~1/480 1.5kW 1/100~1/200 2.2kW 1/80~1/120 3.7kW 1/5~1/60 5.5kW 1/5~1/40 |
350 | 245 | 105 | 182 | 293 | 331 | 22 | 26 | ― | 22 | 22 | M20 | 9 | 请咨询 | 请咨询 |
