LD系列

- 是安装、操作简单的经济型。
- 低速、轻负荷专用。
- 不需要润滑相关的维护。
- トルク範囲:5.88~49N・m
特性
- -内环凸轮离合器,易于在低速和轻负载下操作。
- ·是含有润滑脂的类型,不需要加脂。
- ·所有品种都是库存即纳品。
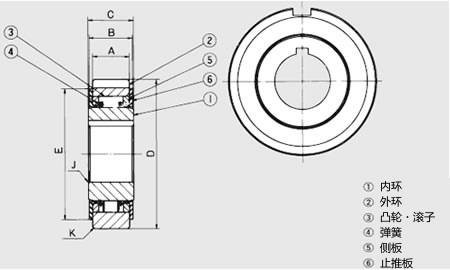
结构
型号表示例
| LD | 08 |
| | 系列名 |
| 尺寸 |
※外径尺寸与6200型轴承的外径尺寸相同。
(示例:LD08为6208。)
椿本产品选择

| LD | 08 |
| | 系列名 |
| 尺寸 |
※外径尺寸与6200型轴承的外径尺寸相同。
(示例:LD08为6208。)