TCL型输送链用自动加油器

- TCL型加油机是输送链用的自动加油机。
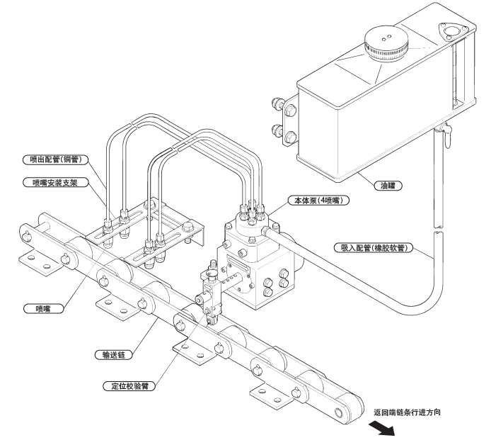
- 一种通过链条的滚子上推加油机主体泵的格子臂,泵机构动作,从喷嘴喷出适量润滑油的加油机。
- 因此,不需要电力等动力源,可以简单地设置,可以准确地进行稳定的加油。
特性
-
·无电源
通过链条的行走,主体的泵机构启动,因此不需要电力、空气等动力源,安装和维护都很方便。
-
·准确加油
因为是与链条的运动联动进行加油的,所以可以准确地进行稳定的加油。
-
·小尺寸、低价格
与现有的输送链用加油机相比,轻量、小型且容易操作,价格也很经济。
集合内容
自动加油机可降低传送带链条的
磨损、行走阻力、行走噪音。
TCL4
TCL2
■集合内容
- 1.主泵:1个
- 2.油箱 (5L) :1个
- 3.橡胶软管 (2m) :1根
- 4.铜管 (2m) :TCL2型2根、TCL4型4根
- 5.喷嘴:TCL2型2个、TCL4型4个
- 6.喷嘴安装金属配件:TCL2型1组、TCL4型2组
[角钢:1、喷嘴安装板:2]
性能
| 种类 | TCL4 | TCL2 |
|---|---|---|
| 排出口 | 4口 | 2口 |
| 可操作次数 | 最多 3 次/秒 请参考产品清单,了解可用链节距与链条速度之间的关系。 |
|
| 排出量 | 固定式0.05CC/镜头/口 | |
| 定时检测 | 棋盘臂检测系统 | |
| 运行、停止 (ON、OFF) | 停止传送带后,手动切换方格臂。 | |
| 油箱 | 5L | |
| 工作温度 | -10℃~120℃ | |
注)工作温度是尖端喷嘴可以使用的温度。本机的工作温度为-10°C~60°C。
产品目录、使用说明书
型号表示例
| TCL4 | - | R | |
| | 尺寸 TCL4:4个喷嘴 TCL2:2个喷嘴 |
| 链条行进方向 R:从棋盘臂侧看向右 L:从棋盘臂侧看向左 |
||
