Lift Master梯形螺纹型

- 采用梯形螺杆悬臂式电动升降机
- ・自锁
梯形螺杆在数学上具有自锁特性,可以承受一定的载荷。
电机需要制动机构,因为振动和冲击会导致自锁机构失效。
我们的标准产品采用制动电机。 - 经济
它比滚珠丝杆式更经济。利用滑动接触梯形螺杆的优势,它适用于低速、低频应用。
特性和结构视频内容
优势
规格(梯形螺杆型)
- ·升降负荷:4.90kN~9.80kN
- ·行程:400mm/1,500mm
- ·驱动部:带三相电机
- ·速度:0.6~0.9m/min
容许OHL负荷曲线 (工件安装面基准:参照外形图)
产品目录、使用说明书
有关Zip Chain机构和螺丝式锁扣机构的比较,请参见此处。
型号显示
| LME | M | 0500 | S | 10 | G | E |
| | | Lift Master |
| 螺钉式 M:梯形螺杆 |
| 升降荷重 0500:4.90kN{500kgf} 1000:9.80kN{1000kgf} |
| 速度 S 各机种的速度请参照 产品型号一览表 。 |
| 行程 04:400mm 06:600mm 08:800mm 10:1000mm 12:1200mm 15:1500mm |
| 驱动部 G:附三相电机 |
| 可选 详情请参照以下内容 |
产品型号导航
使用的螺丝类型。
升降荷载
在规定的重心位置可升降的负荷。
速度
表示升降速度的记号。
各机型的速度值请参照详细信息。
行程
是可以升降的距离。
驱动部
G:附带三相电机。
K:附带伺服电机。
选项符号
J:开口部分安装防尘罩的规格。
L1至L3:添加1至3个位置检测传感器。
V:电源电压加倍。
E:电机后部安装旋转编码器。
D1~D3:变更电机安装方向。
D1:相对标准安装位置90°转动
D2:相对标准安装位置180°转动
D3:相对标准安装位置270°转动
产品型号列表
※单击形状编号以显示详细信息。
| 升降负荷 kN{kgf} |
行程 mm |
速度S 0.72m/min (50Hz) ・0.9m/min (60Hz) |
|---|---|---|
| 4.90 {500} | 400 | LMEM0500S04G |
| 600 | LMEM0500S06G | |
| 800 | LMEM0500S08G | |
| 1000 | LMEM0500S10G | |
| 1200 | LMEM0500S12G | |
| 1500 | LMEM0500S15G | |
| 9.80 {1000} | 400 | LMEM1000S04G |
| 600 | LMEM1000S06G | |
| 800 | LMEM1000S08G | |
| 1000 | LMEM1000S10G | |
| 1200 | LMEM1000S12G | |
| 1500 | LMEM1000S15G |
选项
前防尘罩 [选项符号:J]
- 波纹管可防止灰尘从正面进入Lift Master。
对应行程:400mm~1,200mm
※希望以超过1,200mm的行程安装防尘罩时,请与我们联系。
※LME0200系列、LME0500系列中,仅当行程为800mm和1,200mm时,
安装前防尘罩时的有效行程会变短。详情请咨询。
<安装参考示例>
尺寸请咨询。
单击放大
位置检测传感器追加 [选项符号:L1~L3]
·标准品备有4个 (仅S速为2个) 位置检测传感器,
仅S速最多3个,其他速度可选择追加1个传感器。
·选项符号为 [L1] (增加1个传感器)、[L2] (增加2个传感器) 和 [L3] (增加3个传感器) 。
若希望追加更多传感器,请与我们联系。
对应型号L1:全标准型号
L2、L3:仅LMEB0200S、LMEM0500S、LMEM1000S
电机电压400V级 [选项符号:V]
·将驱动用电机的电压变更为400V级。
对应型号:所有标准型号产品
带旋转编码器 [选项符号:E]
·在带三相电机的电机反负荷侧轴端安装旋转编码器,可输出电机的旋转信号。
对应型号:附带三相电机的标准型号产品
特性
・可控性
可以从减速机中提取出开集电极输出信号,从而实现各种操作。
·袖珍的
电机轴和旋转编码器之间无需使用联轴器连接。
・降低成本
与传统的独立安装方式相比,无需联轴器、底板或调平工作。
旋转编码器规格
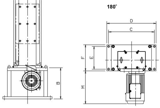
变更电机安装方向 [选项符号:D1~D3]
- 电机安装方向可根据设备的安装位置、工件的安装位置、搬运物的转移方向等因素而改变。
※根据电机的安装方向和行程,总高尺寸可能会变更。
※以下附图纸、尺寸表记载的是附带三相电机的规格。还可选配附带伺服电机的产品,敬请咨询。
对应型号:所有标准型号产品
D1:变更电机安装方向90°转动
D2:变更电机安装方向180°转动
D3:变更电机安装方向270°转动
| 形式 | 电机容量 kW |
电机安装方向标准 | D1:90°转动 | ||||||||||
|---|---|---|---|---|---|---|---|---|---|---|---|---|---|
| B | C | D | E | F | M | B | C | D | E | F | M | ||
| 0200S | 0.1 | - | 250 | 280 | 170 | 200 | 141 | - | 250 | 280 | 170 | 200 | 154 |
| 0200H | 0.4 | 245 | 340 | 370 | 193 | 245 | 340 | 370 | 190 | 220 | 160 | ||
| 0500S | 0.4 | ||||||||||||
| 0500H | 0.75 | 270 | 270 | 210 | 240 | 237 | |||||||
| 0500U | 1.5 | 273 | 400 | 430 | 200 | 230 | 369 | 318 | 400 | 430 | 255 | 285 | 283 |
| 1000S | 0.75 | 250 | 273 | 240 | 270 | 217 | |||||||
| 1000H | 1.5 | 368.5 | 318 | 255 | 285 | 293 | |||||||
| 1000U | 2.2 | 407 | 343 | ||||||||||
| 形式 | 电机容量 kW |
电机安装方向标准 | D2:180°转动 | ||||||||||
|---|---|---|---|---|---|---|---|---|---|---|---|---|---|
| B | C | D | E | F | M | B | C | D | E | F | M | ||
| 0200S | 0.1 | - | 250 | 280 | 170 | 200 | 141 | - | 250 | 280 | 170 | 200 | 172 |
| 0200H | 0.4 | 245 | 340 | 370 | 193 | 245 | 340 | 370 | 223 | ||||
| 0500S | 0.4 | ||||||||||||
| 0500H | 0.75 | 270 | 265 | 300 | |||||||||
| 0500U | 1.5 | 273 | 400 | 430 | 200 | 230 | 369 | 273 | 400 | 430 | 200 | 230 | 366 |
| 1000S | 0.75 | 250 | 290 | ||||||||||
| 1000H | 1.5 | 368.5 | 366 | ||||||||||
| 1000U | 2.2 | 407 | 416 | ||||||||||
| 形式 | 电机容量 kW |
电机安装方向标准 | D3:270°转动 | ||||||||||
|---|---|---|---|---|---|---|---|---|---|---|---|---|---|
| B | C | D | E | F | M | B | C | D | E | F | M | ||
| 0200S | 0.1 | - | 250 | 280 | 170 | 200 | 141 | - | 250 | 280 | 170 | 200 | 80 |
| 0200H | 0.4 | 245 | 340 | 370 | 193 | 245 | 340 | 370 | 190 | 220 | 86 | ||
| 0500S | 0.4 | ||||||||||||
| 0500H | 0.75 | 270 | 270 | 210 | 240 | 163 | |||||||
| 0500U | 1.5 | 273 | 400 | 430 | 200 | 230 | 369 | 318 | 400 | 430 | 255 | 285 | 209 |
| 1000S | 0.75 | 250 | 273 | 240 | 270 | 123 | |||||||
| 1000H | 1.5 | 368.5 | 318 | 255 | 285 | 199 | |||||||
| 1000U | 2.2 | 407 | 249 | ||||||||||
选定
我们的工作人员将根据您的要求和需求选择合适的升降机。
请点击本页面顶部的“选型计算”选项卡。
特殊规格产品
墙壁安装规格

如果Lift Master不能安装在地板上,也可以安装在墙上,有效利用设备框架的坚固侧面来节省空间。
防跌落规格

可以在Lift Master上安装手动防坠落销,以防止其坠落。
转轴规格

工件安装部设有手动式旋转机构。
低地板规格

即使由于空间限制您无法安装Lift Master,我们也可以通过降低高度规格来满足您的需求。
高速规格

这是最高速度可达 500 mm/s的高速规格。请提供伺服电机。详情请联系我们。*最高速度可达 300 mm/s的高速规格可通过变频器控制通用电机运行。
防尘防水规格

Lift Master具有防尘防滴漏功能,也可用于存在切削油和冷却液的环境。*不适用于户外使用。
水平传送机构

我们还可以生产用于水平运输的Lift Master。
高刚性规格

升降时的摇晃、停止时的弯曲等成为问题时,可以通过强化支柱本体的规格应对。
线轴同步类型

Lift Master可连接至椿本的ECHT挠性联轴器和MD齿轮箱,实现同步运行。我们提供一套符合您使用条件的系统,包括齿轮减速电机。
电缆拖链复合方案

在升降传送带等可移动物体时,可以考虑使用电缆拖链支架或电缆拖链框架等方案来保护相关电缆。








