产品信息顶板链配件
提供种类多样的专用链轮,惰轮,塑料轨道,固定环,链条导件,框架支撑件,产品导件,轴承单元等输送机关联配件。
有关每个附件的使用方法,请单击下图。
- 链轮
- 惰轮
- 分解连接工具
×
(可以通过拖动来移动)
惰轮/惰轮链轮
-
·用途
请安装在传送带的从动轴上使用。
不锈钢顶板链配件清单
链型编号的适用附件
附件型号。
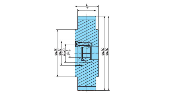
※单击形状编号以显示详细信息。单击可放大尺寸图。
链轮
( 点击以显示一览表。) |
适用链条格式 | 适用链条 间距 mm |
齿数 | |||||||||||||||||||||||||||||||||||||||||||||||||||||||||||||||||||||||||||||||||||||||||||||||||||||||||||||||||||||||||||||||
|---|---|---|---|---|---|---|---|---|---|---|---|---|---|---|---|---|---|---|---|---|---|---|---|---|---|---|---|---|---|---|---|---|---|---|---|---|---|---|---|---|---|---|---|---|---|---|---|---|---|---|---|---|---|---|---|---|---|---|---|---|---|---|---|---|---|---|---|---|---|---|---|---|---|---|---|---|---|---|---|---|---|---|---|---|---|---|---|---|---|---|---|---|---|---|---|---|---|---|---|---|---|---|---|---|---|---|---|---|---|---|---|---|---|---|---|---|---|---|---|---|---|---|---|---|---|---|---|---|---|---|
![]() |
TT
|
TT | 38.10 | 19, 21, 23, 25 | ||||||||||||||||||||||||||||||||||||||||||||||||||||||||||||||||||||||||||||||||||||||||||||||||||||||||||||||||||||||||||||||
![]() ![]() ![]() |
× (可以通过拖动来移动)
× (可以通过拖动来移动)
× (可以通过拖动来移动)
|
|||||||||||||||||||||||||||||||||||||||||||||||||||||||||||||||||||||||||||||||||||||||||||||||||||||||||||||||||||||||||||||||||
![]() |
TTU
|
TTU | 38.10 | 21, 23, 25 | ||||||||||||||||||||||||||||||||||||||||||||||||||||||||||||||||||||||||||||||||||||||||||||||||||||||||||||||||||||||||||||||
![]() ![]() ![]() |
× (可以通过拖动来移动)
× (可以通过拖动来移动)
× (可以通过拖动来移动)
|
|||||||||||||||||||||||||||||||||||||||||||||||||||||||||||||||||||||||||||||||||||||||||||||||||||||||||||||||||||||||||||||||||
![]() |
TS/TSA
|
TS, TSA, TSA-HTP, TS-CTP | 38.10 | 9½, 10½, 11½, 12, 12½ | ||||||||||||||||||||||||||||||||||||||||||||||||||||||||||||||||||||||||||||||||||||||||||||||||||||||||||||||||||||||||||||||
![]() ![]() |
|
|||||||||||||||||||||||||||||||||||||||||||||||||||||||||||||||||||||||||||||||||||||||||||||||||||||||||||||||||||||||||||||||||
![]() |
TO
|
TO, TORP/TOSP | 76.20 | 11, 31 | ||||||||||||||||||||||||||||||||||||||||||||||||||||||||||||||||||||||||||||||||||||||||||||||||||||||||||||||||||||||||||||||
![]() |
|
|||||||||||||||||||||||||||||||||||||||||||||||||||||||||||||||||||||||||||||||||||||||||||||||||||||||||||||||||||||||||||||||||
![]() |
TU
|
TU | 76.20 | 11 | ||||||||||||||||||||||||||||||||||||||||||||||||||||||||||||||||||||||||||||||||||||||||||||||||||||||||||||||||||||||||||||||
![]() |
|
|||||||||||||||||||||||||||||||||||||||||||||||||||||||||||||||||||||||||||||||||||||||||||||||||||||||||||||||||||||||||||||||||
惰轮
( 点击以显示一览表。) |
适用链条格式 | 适用链条 间距 mm |
相应齿数 | |||||||||||||||||||||||||||||||||||||||
|---|---|---|---|---|---|---|---|---|---|---|---|---|---|---|---|---|---|---|---|---|---|---|---|---|---|---|---|---|---|---|---|---|---|---|---|---|---|---|---|---|---|---|
![]() |
TT,TTU
|
TPF, TPH, TP-OTD, TPS, TPS-P, TT, TTP, TTPH, TTPH-P, TTP-P, TTPT, TTU, TTUP, TTUPH, TTUPM838H, TTUP-P, TTUPS-H | 25.4, 38.1 | 21, 23, 25 | ||||||||||||||||||||||||||||||||||||||
![]() |
|
|||||||||||||||||||||||||||||||||||||||||
分解连接工具
| 配件名称 ( 点击以显示一览表。) |
适用链条编号 | |||||||||||||
|---|---|---|---|---|---|---|---|---|---|---|---|---|---|---|
![]() |
分解连接工具
|
TT, TRU, TTKU, TS | ||||||||||||
![]() ![]() ![]() |
|
|||||||||||||
点击以显示一览表




















