埋刮板输送机用输送链

- 一种用于在密闭箱内输送粉粒体的流动传送带专用链。
- 以“Tsubaki Flow”为名,拥有众多的采用业绩和高超的技术。
- 有水平流动、倾斜垂直流动、谷物流动传送带用的产品阵容。
- 衬套、滚子经过特殊硬化处理,提高了耐磨损性的FA规格也很齐全。
产品目录、使用说明书
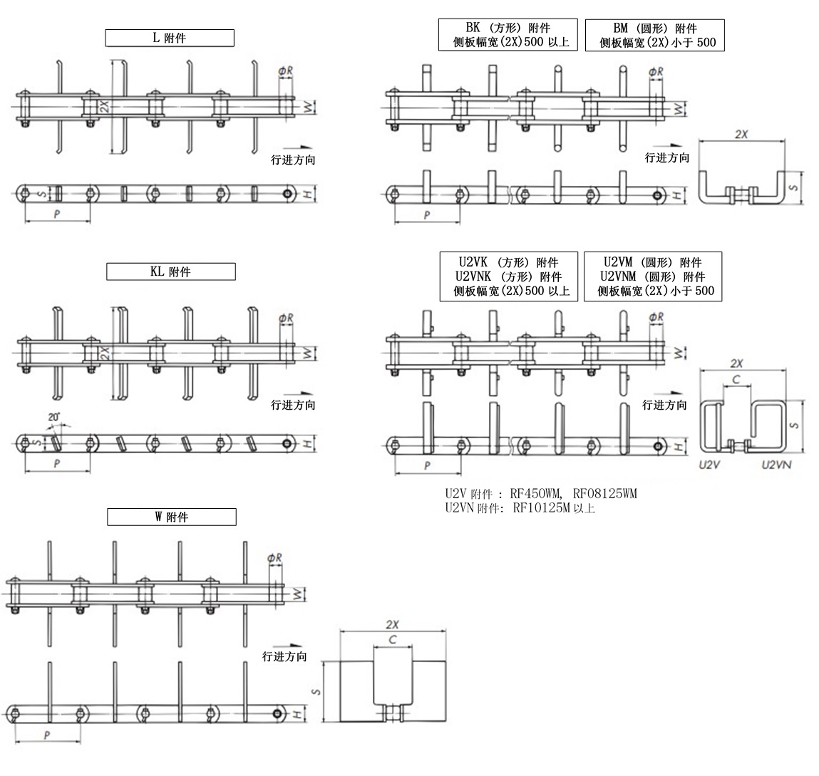
功能和附件
- - 流体输送机在密封的容器中输送粉末和颗粒状物料,因此搬运物散装物。
- ・根据我们丰富的经验和良好的业绩记录,我们可以根据运输类型(如水平流、倾斜垂直流、谷物流)和搬运物,推荐并提供最合适的附件。
- -附件材料为标准碳钢,但也可制造不锈钢材质。
我们将根据搬运物的特性,提出最合适的主体材料规格。详情请联系我们。 - ・附件类型如下图所示。更多信息请查看产品列表中的产品详情页面。
水平输送机链条附件类型
- -附件材质为标准碳钢,但也可根据要求制造不锈钢材质。
- ・标准链体材料为DT规格和AT规格规格,但也可根据搬运物的性质选择其他链条规格。
- ・就价格和交货期时间而言,我们推荐 W附件,而不是 U2V 和 U2VN附件。
当每隔两个链节安装一个流量附件时,通常将其安装内链节上。
在这种情况下,附件格式将以 RL 结尾(例如,2LKL45RL)。
用于倾斜垂直流的输送链附件类型
・附件类型及用途
- UM (圆形) :一般粉体输送用
- 英国(方形):用于输送块状、粉状或搬运物
- U2M (圆形)、U2NM (圆形) —运输效率高于UM
- U2K (方形)、U2NK (方形) —运输效率高于英国
- -当每隔两个链节安装流量附件时,通常安装内链节上。
- ・在这种情况下,附件格式将以 RL 结尾(例如 2LUM32RL)。
商品一览表
*最大容许张力是根据我们的设计标准计算得出的值,即计算强度。除非另有规定,否则在选择大型输送链时应使用最大容许张力。
该数值因制造商而异,并非保证值。
※平均拉伸强度请咨询本公司。
水平流动输送链
| 尺寸 | 滚子 类型 |
节距 | 滚子 外径 |
内链节 内宽 |
表壳 内宽 |
||||
|---|---|---|---|---|---|---|---|---|---|
| 125mm | 150mm | 200mm | 250mm | 300mm | Φmm | mm | mm | ||
| RF08W | M | RF08125WM | --- | --- | --- | --- | 25.4 | 27 | 200 |
| RF10 | M | RF10125M | RF10150M | --- | --- | --- | 31.8 | 30 | 200/270 |
| RF12 | M | --- | --- | RF12200M | --- | --- | 38.1 | 37.1 | 350 |
| RF17 | M | --- | --- | RF17200M | RF17250M | --- | 44.5 | 51.4 | 350/450 |
| RF26 | M | --- | --- | RF26200M | --- | --- | 50.8 | 57.2 | 410 |
| N | --- | --- | --- | RF26250N | RF26300N | 450/580 | |||
| RF36 | M | --- | --- | --- | --- | RF36300M | 57.2 | 66.7 | 580 |
| N | --- | --- | --- | --- | RF36300N | ||||
| 尺寸 | 滚子 类型 |
节距 | 滚子 外径 |
内链节 内宽 |
表壳 内宽 |
|
|---|---|---|---|---|---|---|
| 101.6mm | 152.4mm | Φmm | mm | mm | ||
| RF450W | M | RF450WM | --- | 25.4 | 27 | 150 |
| RF6205 | M | --- | RF6205M | 38.1 | 37.1 | 270 |


