问答:大型输送链

我们已将客户提出的“常见问题”以问答形式发布。请点击问题查看答案。

大型输送链

Q&A 中的词语

Q1 传送链中每个零件的使用限制是多少?
Q2 如何提高流动输送链的耐磨性?
Q3 为什么轴承滚子输送链条经济实惠?
Q4 在超过400°C的条件下需要注意什么?
Q5 输送机摇晃的原因和对策是什么?
Q6 输送链的收紧力应该设置多少?
Q7 如何引导链条?

链外设

Q8 输送链用加油机 (TCL型) 的寿命是多少?
Q9 输送机链条用加油机 (TCL型) 也可以安装在倾斜输送机上吗?
回答
Q1 传送链中每个零件的使用限制是多少?
A1

传送链的寿命通常由各部件的磨损决定。哪些部件将首先达到使用寿命取决于使用情况。
各零件的磨损寿命界限如下所示。

  1. (1) R滚子F滚子

    以由于触轨面及与衬套滑动部分的磨损,板的下面开始接触导轨时为极限。

    此外,导轨有弯曲部分时,如右图所示,只有相当于S的尺寸磨损较少,因此与平面时相比,需要更加注意。

  2. (2) S滚子

    滚子厚度磨损60%,剩下40%的时候是极限。

  3. (3) 套筒

    衬套厚度磨损60%,剩下40%时是极限。

  4. (4) 板块
    • 板之间的摩擦以及滚子侧面与板内侧的接触会产生磨损,如下图 (左) 中的 (A) (B) 所示。这个磨损量超过板厚的1/3的话就是极限。
    • 如果板直接在运输物体或导轨上滑动,则板会沿宽度方向磨损,如下图 (右) 所示。该磨损量达到钢板宽度的1/8时为极限。

  5. (5) 链条磨损伸长

    链条与链轮啮合时,会在导轨的弯曲部分弯曲。由于此时衬套和销子的滑动产生的磨损,链条的全长会延长。

    此使用极限定义为链条伸长至参考长度(节距 x链节数)的 2% 时的长度。如图所示,尽可能多地测量链节数(至少 4 个链节)。使用以下方法 A 或 B 测量链条长度,并将其与参考长度进行比较,以确定链条的伸长率(%)。

    • (A) 从销钉中心到中心
    • (B) 销钉的一端到另一端

返回到问题
Q2 如何提高流动输送链的耐磨性?
A2

用于输送水泥等物料的输送机传统上采用BT规格,通过改进材料和热处理工艺来提高销轴、衬套和滚轮的耐磨性。然而,在输送粉煤灰(水泥原料之一)等高磨蚀性物料时,需要更高的耐磨性。因此,我们在2000年6月推出了适用于粉煤灰输送的FA规格输送链。

这是在衬套及滚子的外周进行特殊硬化处理,使耐磨损性得到飞跃性提高的产品。

[BT规格与粉煤灰规范(FA规范)的比较]

【磨损比较】

■ BT规格

■FA规格

返回到问题
Q3 为什么轴承滚子输送链条经济实惠?
A3

比较相同尺寸的通用输送链和轴承滚子输送链条的价格,轴承滚子输送链条价格更高。然而,轴承滚子输送链条具有以下特点,可在以下方面降低成本,并显著降低运行成本。

【轴承滚子的特点】

摩擦系数小

轴承滚子输送链条在轴套和滚筒之间插入圆柱形滚筒,以形成滚动接触。因此,其滚筒的滚动摩擦系数比普通输送链低1/3至1/6。

因此,施加到链条的张力也从1/3降低到1/6。

滚动摩擦系数 (μ)

  • 通用输送链
    无加油μ=0.13~0.18,有加油μ=0.08~0.12
  • 轴承滚子输送链条
    µ = 0.03

单击放大

滚子承重大

轴承滚轮的容许负荷大约是通用输送链(R 滚轮)的三倍。

对于水平输送或略微倾斜的输送,链条尺寸通常由滚筒的容许负荷决定,因此结合特性 1,可以使用较小的输送链(尺寸 2)。

维护方便,使用寿命长

由于它包含圆筒滚珠(轴承),与采用普通滑动轴承的通用输送链相比,润滑时间可以延长 5 到 10 倍,从而减少所需的维护量。

而且,衬套至滚子间的磨损寿命显著提高。

不容易引起皲裂

滚子的滚动摩擦系数的变动少,不易发生晃动。

※有关Shakuri,请参阅“Q5.传送带摇晃的原因和对策是什么?”一节。

【成本优势】

返回到问题
Q4 在超过400°C的条件下需要注意什么?
A4

在高温环境中使用链时通常会遇到以下问题:。

  1. (1) 硬度降低导致强度降低
  2. (2) 增加伸长率 (可能破坏蠕变)
  3. (3) 由于硬度降低和摩擦系数增加导致的磨损增加
  4. (4) 进行热膨胀和润滑时,由于油劣化、碳化导致链条弯曲不良

超过400°C时使用不锈钢,在考虑上述问题的基础上,根据应用选择和设计链条。在400°C以上的温度下使用时,请与本公司协商。

返回到问题
Q5 输送机摇晃的原因和对策是什么?
A5

shakuri是一种自激振动,也称为“suring”或“stick slip”,是指即使驱动部连续运行,链条也会反复移动和停止的现象。

一般来说,当输送机输送机长度为 10 米或以上,链条速度为 15 m/min或以下时,更容易发生输送机抖动。

原因包括以下几点。

  1. (1) 衬套、滚子间摩擦系数的变动
  2. (2) 链刚性不足
  3. (3) 驱动部、车架的刚性不足

对策如下。

  1. (1) 提高链条速度。
  2. (2)分割传送带并缩短输送机长度。
  3. (3) 使用大尺寸链条,加强框架和导轨,提高输送机本身的刚性。
  4. (4) 使套筒、滚子之间的摩擦系数小而稳定。有以下两种方法。
    • 防滑链采用无痕设计,利用椿本无痕润滑油进行润滑。
    • 采用轴承滚子输送链条。

(但是,链条速度在2m/min以下时,请与本公司协商。)

返回到问题
Q6 输送链的收紧力应该设置多少?
A6

最好在驱动部分下方保持适当的松弛,以便传送链的张力 (收紧) 不会变得太强。但是,在以下情况下,您需要通过收拢链条来松弛链条:。

  1. (1) 在输送机上定位
  2. (2) 经常有正反运行
  3. (3) 在运送侧链条随意推进

一般情况下,通过目视、手的触感调整适度的张力就足够了,数值的大致标准如下。

【计算方法】
· 链质量 … M (kg/m) X N (条数)
· 安装在链条上的板条和夹具质量 … W (kg/m)
搬运物数量 … m (kg/m)
· 轴距 … C (m)
链条(或夹具)与导轨之间的摩擦系数
(链条返回侧(底部))
… µ
· 重力加速度 … G ( = 9.80665m/s2)
  • 旋转方向A时 (正转)
    收束力:F≥{ (M X N+W) X C Xμ}X G/1000 X 2 X 1.2~1.5
  • 旋转方向B时 (反转)
    束缚力:F≥{ (M X N+W+m) X C Xμ}X G/1000 X 2 X 1.2~1.5

有正反运行时,请使用“旋转方向B时 (反转) ”的收束力进行调整。

【注意】

  • 上面的F是收腰的标准。请根据传送带的运行状况进行调整。
  • 确保施加的张力加上张紧力后,不超过链条的最大容许张力,或低于适当的安全系数。
  • 链条绷得过紧会促进磨损,缩短寿命。
返回到问题
Q7 如何引导链条?
A7

以下是如何导引链的示例:。请将其用作设计和构思的参考。

  1. (1)套筒链条区块链

  2. (2) R滚子、S滚子形链

  3. (3) F滚子链

返回到问题
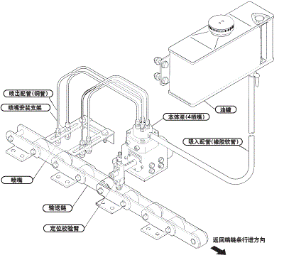
Q8 输送链用加油机 (TCL型) 的寿命是多少?
A8

寿命由以下两点决定。

  1. (1) 主体泵

    由于过度使用,无法正常加油时。

  2. (2) 方格臂是指前端滚子磨损、方格臂主体开始与链条滚子发生干涉的时刻。

    通常,(2) 的寿命较早。

    我们准备了更换用的格子臂,请更换零件。

    格子臂的前端滚子如果连续运转,磨损损伤会明显加快。加完所需量的油后,请用油箱的旋塞停止加油,如右图所示,不要让棋盘臂与链条接触。

    另外,在磨损性高的粉尘等环境下,磨损会明显加剧,请注意。

返回到问题
Q9 输送机链条用加油机 (TCL型) 也可以安装在倾斜输送机上吗?
A9

如果安装在倾斜部分,可能会发生出油不良。请将输送链用加油机的主体安装在水平部。

返回到问题