塑料顶板链条TPUH-BO型用工程塑料链轮

-
用途
是将马达的动力传给链条的商品。
请安装在传送带的驱动轴上使用。
塑料顶板链条TPUH-BO型用工程塑料链轮一览
一体式 (工程塑料)
| 类型 | 一体式 |
|---|---|
| 用途 | - |
| 型号 | TP-C12781LT-SPR |
| 适用链条格式 | TPUH-BO |
| 适用链节距(mm) | 38.1 |
| 适用链轮格式 | - |
| 适用导向法兰 | - |
| 应用轮毂 | TP-C12773T-HB |
| 形状 | ![]() |
| 本体材质 | 齿形部:聚酰胺 轮毂部:铝 |
| 材质等级 | - |
| 机身外观颜色 | 黑色 |
| 旋钮外观颜色 | - |
| 轴承材质 | - |
| 密封圈材质 | - |
| 结构 | - |
| 碟形螺钉 | - |
| 螺栓螺母材质 | - |
| 齿数 | 32 |
| 有效齿数 | - |
| 轴孔形状 | 圆形 |
| 轴孔尺寸mm | Φ25 |
| 预留孔(mm) | - |
| 最大轴孔直径mm | - |
| 宽度mm | - |
| 长度mm | - |
| 链条横向弯曲半径R mm | - |
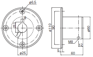
轮毂
| 类型 | - |
|---|---|
| 用途 | - |
| 型号 | TP-C12773T-HB |
| 适用链条格式 | TPUH-BO, TPUH-BO |
| 适用链节距(mm) | 38.1 |
| 适用链轮格式 | TP-C12781LT-SPR |
| 适用导向法兰 | - |
| 应用轮毂 | - |
| 形状 | ![]() |
| 本体材质 | 铝 |
| 材质等级 | - |
| 机身外观颜色 | - |
| 旋钮外观颜色 | - |
| 轴承材质 | - |
| 密封圈材质 | - |
| 结构 | - |
| 碟形螺钉 | - |
| 螺栓螺母材质 | - |
| 齿数 | - |
| 有效齿数 | - |
| 轴孔形状 | - |
| 轴孔尺寸mm | - |
| 预留孔(mm) | - |
| 最大轴孔直径mm | - |
| 宽度mm | - |
| 长度mm | - |
| 链条横向弯曲半径R mm | - |
型号表示例
| TP-C12781LT | - | SPR |
| | 形式 |
| 缩写符号 SPR:链轮 |
|
| TP-C12773T | - | HB |
| | 形式 |
| 缩写符号 HB:轮毂 |
|


