扭矩限制器

- 用途最广泛的摩擦式过载保护器
- ·可安装在轴上,通过滚子链条、皮带、齿轮进行传动。
- ·它在超载时滑动,并在超载消除后自动恢复。
- ·滑动扭矩的设定只要拧紧调节螺母或调节螺栓就很简单。
- ·备有丰富尺寸,可设定各种扭矩。
- -我们还有多种链轮和联轴器可供选择。
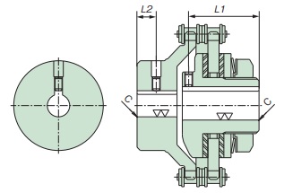
结构
正常运转时,中心构件被夹在摩擦片之间,通过碟形弹簧加压,在设定扭矩以下时,通过摩擦力传递旋转。
当过载时,如果扭矩超过设定值,中心构件会在摩擦片之间打滑。如果过载解除,它将自动恢复。
*上图所示为TL200至TL350的结构。TL500至TL700以及TL10至TL20的滑动扭矩是通过拧紧调节螺栓来设定的。详情请参阅使用使用说明书。
规格 (标准型号)
| 设定扭矩范围N・m | 背隙 | 复原方法 |
|---|---|---|
| 1.0~9310 | 无 (仅单向运行时) | 自动 |
(注)反转使用方向时,会产生背隙。
扭矩限制器联轴器
>>有关紧定螺钉、倒角和精加工的信息,请点击此处。
规格 (标准型号)
·固定螺钉位置和尺寸
| 扭矩限制器 | 扭矩限制器侧 | 扭矩限制器(联轴器式) | |||
|---|---|---|---|---|---|
| 固定螺钉 | 固定螺钉位置 (L1) | 固定螺钉 | 固定螺钉位置 (L2) | ||
| TL200 | TL200-C | - | - | M 5× 5 | 8 |
| TL250 | TL250-C | M 5× 8 | 44 | M 5× 5 | 12 |
| TL350 | TL350-C | M 6×12 | 56 | M 6× 6 | 18 |
| TL500 | TL500-C | M 8×20 | 69 | M 8× 8 | 20 |
| TL700 | TL700-C | M10×20 | 90 | M10×10 | 33 |
| TL10 | TL10-C | M 8× 8 | 10 | M 8× 8 | 15 |
| TL14 | TL14-C | M10×10 | 12 | M10×10 | 20 |
| TL20 | TL20-C | M14×14 | 15 | M14×14 | 35 |
·倒角和精加工
| 轴孔直径 | 倒角尺寸 |
|---|---|
| Φ25以下 | C0.5 |
| Φ50以下 | C1 |
| Φ125以下 | C1.5 |
| 超过Φ125时 | C2 |
产品目录、使用说明书
型号显示
※单体类型
| TL250 | - | 2 | - | B6.5 | - | TH20JD1 |
| | 尺寸 |
| 碟形弹簧张数 1:1 2:2 1L:弱弹簧 |
| 衬套长度 (无衬套 时无) |
| 轴孔符号 |
|||
※带链轮
| TL250 | - | 2 | - | 04022 | - | TH20JD1 | - | N49 |
| | 尺寸 |
| 碟形弹簧张数 |
| 链轮型号 |
| 轴孔符号 |
| 扭矩设定值 N・m |
||||
*联轴器类型
| TL250 | - | 2 | C | - | TH18JD1 | X | CH30JD1 | - | N49 |
| | 尺寸 |
| | | |
| 联轴器 类型 |
| 扭矩限制器侧 轴孔符号 |
| 联轴器侧 轴孔符号 |
| 扭矩设定值 N・m |
||||
| | 碟形弹簧张数 |
|||||||||
| 轴孔公差 | 轴孔直径 | 键槽公差 | 固定螺钉位置 | |
|---|---|---|---|---|
| T | H | 18 | J | D1 |
| C | H | 30 | J | D1 |
| T:トルクリミター側 C:カップリング側 | F:F7 G:G7 H:H7 J:JS7 P:P7 M:M7 N:N7 K:K7 R:R7 |
轴孔直径为 1mm单位 |
J:新JISJs9 (标准) P:新JISP9 F:旧JISF7 E:旧JISE9 |
![]() 单击放大 |
注)扭矩限制器侧的定位螺钉位置是从调节螺母侧看到的位置,联轴器侧的定位螺钉位置是从轮毂端面看到的位置。
■椿本产品型号指引
产品型号列表
※单击形状编号以显示详细信息。
| 设定扭矩范围 N・m |
单体 | 联轴器类型 | ||
|---|---|---|---|---|
| 轴孔直径范围 mm |
型号 | 联轴器侧 轴孔直径范围(mm) |
型号 | |
| 1.0~2.0 | 9~14 | TL200-1L | 10~31 | TL200-1LC |
| 2.9~9.8 | TL200-1 | TL200-1C | ||
| 6.9~20 | TL200-2 | TL200-2C | ||
| 2.9~6.9 | 12~22 | TL250-1L | 15~38 | TL250-1LC |
| 6.9~27 | TL250-1 | TL250-1C | ||
| 14~54 | TL250-2 | TL250-2C | ||
| 9.8~20 | 18~25 | TL350-1L | 15~45 | TL350-1LC |
| 20~74 | TL350-1 | TL350-1C | ||
| 34~149 | TL350-2 | TL350-2C | ||
| 20~49 | 22~42 | TL500-1L | 20~65 | TL500-1LC |
| 47~210 | TL500-1 | TL500-1C | ||
| 88~420 | TL500-2 | TL500-2C | ||
| 49~118 | 32~64 | TL700-1L | 25~90 | TL700-1LC |
| 116~569 | TL700-1 | TL700-1C | ||
| 223~1080 | TL700-2 | TL700-2C | ||
| 392~1270 | 32~72 | TL10-16 | 35~95 | TL10-16C |
| 588~1860 | TL10-24 | TL10-24C | ||
| 882~2660 | 42~100 | TL14-10 | 40~118 | TL14-10C |
| 1960~3920 | TL14-15 | TL14-15C | ||
| 2450~4900 | 52~130 | TL20-6 | 45~150 | TL20-6C |
| 4610~9310 | TL20-12 | TL20-12C | ||
选定
在人员运输设备或起重设备中使用扭矩限制器时,应在设备侧采取措施,防止人员受伤或跌倒。
1. 根据机器的强度、负载和其他条件,确定不应施加超过此水平的扭矩,并将其用作扭矩限制器的滑移扭矩。
如果该扭矩不清楚,则根据原动机的额定输出功率和扭矩限制器所连接的轴的转速计算该扭矩,并将其乘以 1.5 到 2 倍作为扭矩限制器的滑移扭矩。
2. 在确定扭矩限制器的尺寸时,确保滑移扭矩落在扭矩限制器的额定扭矩范围内。
3. 查看尺寸表,确保你选择的扭矩限制器的最大轴孔直径大于安装轴的直径。
如果安装轴的直径较大,请使用比安装轴直径大一号的扭矩限制器。
4. 根据要夹紧到扭矩限制器中的中心构件的厚度,确定合适的衬套长度(参见产品型号页)。
参考尺寸表中列出的衬套长度,选择尽可能长的衬套(可以是单个衬套,也可以是多个衬套的组合),但长度不得超过中心构件的厚度。
关于中心构件的选定、制作、动作的检测
有关选择和制造要夹在扭矩限制器中作为中心构件的链轮或其他零件的详细信息,以及使用中心构件的过载检测方法,请参阅此处。
使用扭矩限制器时
・购买带导向预留孔的扭矩限制器时,需要加工轮毂的轴孔和键槽,制造中心构件,并在将其连接到轴之前设置扭矩。
·摩擦系数降低时,滑动扭矩也会降低,因此请避免水分、油分等附着到摩擦板上。
作为对策,如果过度拧紧,通过碟形弹簧施加在摩擦板上的负担会变大,摩擦板可能会破裂。
·如果转速较高,滑动时摩擦片会变热,摩擦片表面可能会碳化,导致强度下降,因此请勿以最高转速以上使用。
・当转速低于5 r/min时,滑移扭矩可能会降低。如果您打算在极低转速下使用本产品,请咨询我们。

