BB系列

- 轴承 (6200系列) 与凸轮离合器一体化。
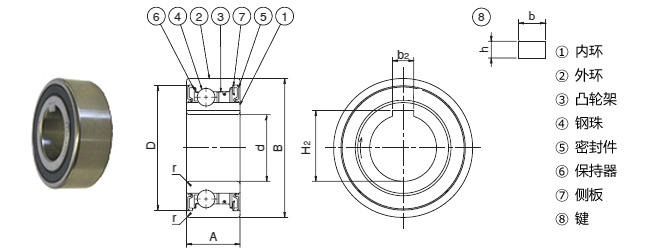
- 轴承 (6200系列) 内置凸轮离合器。考虑到氛围,备有带油封的商品。
- 从低速到高速可广泛使用,适用于小型、轻负荷用途。
- トルク範囲:29~260N・m
特性
- ·小巧设计
小空间兼具单向离合器与轴承的功能,可有效利用空间。 - ·易于安装
轴或壳体的安装方式有两种:压入和键槽固定式。 - ・扭矩容量增加
通过外环之间布置多个凸轮,可以传递比壳式滚子离合器更大的扭矩。 - ·所有品种库存立即交货
考虑到使用氛围,备有附油封的商品。
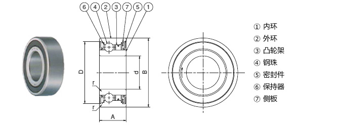
结构
·BB款
这是基本类型。凸轮离合器内置于6200系列滚珠轴承中。外环采用过盈配合来传递压入。
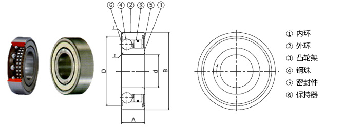
・BB系列1K-K型(带内环键槽)
这是一款BB型轴承,内环带有键槽。外环通过压入配合传递扭矩。随附一把键。
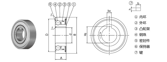
・BB系列2K-K型(带内环和外环键槽)
这是一款BB型轴承,外环均带有键槽。轴承通过键槽与壳体和轴连接。键槽已包含在内。
·BB系列2GD款 (附两侧橡胶密封垫片)
这是一款两侧带有橡胶密封圈的BB型轴承。外环通过压入配合传递扭矩。其宽度比普通BB型轴承宽5mm。
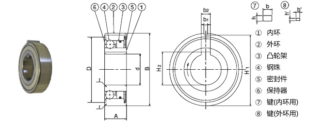
・BB系列2GD1K-K型(两侧带橡胶接触密封圈,内环键槽)
这是BB-2GD型,内环带有键槽。外环通过压入配合传递扭矩。随附一把键。
型号表示例
| BB30 | - | 1K | - | K | |
| | 尺寸 |
| 1K:内环,带键槽 2K:内部/外环,带键槽 |
| 附带按键 |
|||
| (没有键槽时,“1K-K”和“2K-K”为空白) | |||||
| BB30 | - | 2GD | 1K | - | K |
| | 尺寸 |
| 两侧附松紧接触贴纸 |
| 带内环键槽 |
| 附带按键 |
||
| (没有键槽时“1K-K”为空白) | |||||
