Japan

ZH-CN

椿本产业机械产品 信息网站

彰显椿本威信的微型链—不锈钢规格Epsilon Chain

不锈钢规格Epsilon Chain

在极小空间内的动力传递不会困扰吗?

“不锈钢规格Epsilon Chain”实现了紧凑的尺寸和高性能。

“不锈钢规格Epsilon Chain”是一种通过精密零件制造和组装技术制成世界上最小尺寸的滚子链。

您是否曾因可靠的动力传递、定位精度、紧凑的弯曲性等原因想采用滚子链,但因空间问题而搁置?

“不锈钢规格Epsilon Chain”可满足以前无法使用链条进行动力传输的紧凑布局需求。

当然,也可以缩小传统链的大小,因此它有助于缩小应用程序的尺寸。

↑播放视频

不锈钢规格Epsilon Chain
三大优势

1.世界最小尺寸

世界最小尺寸

单击放大

世界上最小的滚子链,链节距为 1.905 mm

高度、宽度、质量与以往产品截然不同,实现了惊人的省空间传动。

2.确保足够的强度

确保足够的强度

单击放大

链条虽小,但抗拉强度为0.36kN。

毫不吝啬地投入了椿本所拥有的核心技术,完成了虽小却很强的高规格链子。

一般而言,小型链条是无滚子的套筒链条,但我们选择了一种带滚子的结构。

为延长链轮等周边部件的寿命做贡献。

3.适应腐蚀环境

适应腐蚀环境

为了能在各种环境下长久使用,采用了不锈钢材质。

在清洗等有水的环境中也可以使用。

与小型传动部件的比较

由于实现了世界最小尺寸,可以应对以往链条不适用的用途,并支持从皮带、钢丝绳进行替换。

链条的优势

  • 可靠的动力传动
    与摩擦传动不同,由于是啮合传动,因此不会产生打滑。
  • 可用于推力应用
    由于刚性高,在正反向运动时也不易发生“挠曲”
  • 小巧弯曲
    不会像钢丝绳或皮带的芯线那样,因弯曲而变形或断线。

Epsilon
链条

Epsilon Chain

小间距
附齿
皮带

小间距带齿皮带

小直径
钢圈
绳索

小直径钢丝绳
紧凑
抗拉强度 -
定位
精度
X
挤出
用途
X X
安装张力
设定
○(不需要) X (必需) -

“不锈钢规格Epsilon Chain”可非常紧凑地进行卷挂,适用于狭小且复杂的布局空间。

用于承载齿形带或钢丝绳的滑轮需要法兰以防止其脱落,这增加了节距圆直径方向上所需的空间。

约7.6mm
紧凑型

应用实例

通过缩小链的尺寸,实现各种应用程序的小型化和轻量化。

另外,通过减小背隙,可以期待操作精度的提高。

内窥镜装置的操作部

内窥镜装置的操作部

此外还广泛应用于下述场景

末端效应器

末端效应器

农作物收获机器人

农作物收获机器人

辅助套装

辅助套装

假手

假手

规格

不锈钢规格Epsilon Chain

商品名称

不锈钢规格Epsilon Chain

规格

尺寸图
品名 间距
P
滚子直径
R
内链节
内宽
W
链板
厚度
T
宽度
H
宽度
h
RS6-ESS-1 1.905 1.19 1.27 0.25 1.81 1.56
最小拉伸强度
kN{kgf}
概略质量
kg/m
1 单位
链节数
直径D L1 L2
0.596 1.4 2.1 0.36
{37}
0.017 532

型号表示例

RS6 - ESS - 1 - RP + 151L - RR
尺寸 规格 排数 本体
销轴
样式
链节数 末端
记号

注)

  • 1. 本产品是一种非常小的链条,与常规尺寸的链条相比,其操作方式有很多不同之处。
    请注意,传动链及链轮产品目录中的技术说明以及椿本工业用机械产品信息网站上的技术资料中的部分技术信息可能不适用于本产品。有关选型和操作方面的信息,请联系我们。
  • 2 链板上没有任何印记。
  • 3. 销轴未進行铆接。
  • 没有 4 点过渡链节。
  • 5不支持超过1个单位的长尺编制。
  • 6. 对于少于 40 个连接点的无限列车配置,请使用连接链节。
    如需了解各种列车配置方案,请联系我们。
    对于奇数编号的链接,两端的链接均为内链节。如果您需要与上述不同的配置,请联系我们。

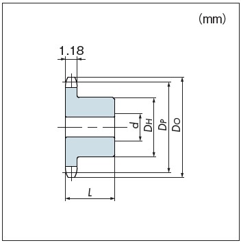
尺寸图

系列

不锈钢规格Epsilon Chain
链轮

规格

尺寸图
型号 齿数 节距圆
直径
DP
外径
Do
轴孔直径
d
轮毂 固定螺孔
质量
g
直径
D H
长度
L
RS6-1B9T-ESS-2 9 5.57 6.3 2 5.5 5 3-M1.6 0.6
RS6-1B15T-ESS-3 15 9.16 10.1 3 7.8 6.5 3-M2.5 1.8
RS6-1B21T-ESS-4 21 12.78 13.7 4 10 6 2-M3 3.2

注)

  • 1材质不锈钢。
  • 2最小齿数是9T。关于记载以外的齿数、规格也会进行制作研究,请咨询。
  • 3轴孔已完成加工,附带固定螺丝。
  • 4也有提高耐磨损性的表面处理,请咨询。

维修夹具

链条支撑台

商品名称

仅适用于Epsilon Chain
链条支撑台

规格

链条支撑台
型号 尺寸
L H B
RS6-CR 50 15 20
专用冲头

商品名称

专用于Epsilon Chain冲孔

规格

专用冲头
型号 全长mm
RS-P10 77

点击这里查看如何切割和连接Epsilon Chain说明。