技术资料直线作动机Zip Chain传动装置选择
选定表
右边的图表表示笔画和基本容量的关系。
请在此图表中确认每台ZCA的所需推力和使用行程,确定型号。
需要详细讨论时,请通过以下计算进行确认。
选择方法
使用机器.....机器构成、ZCA的使用台数、使用环境etc
负荷.....负荷的性质、负荷或工件的质量、驱动源、驱动方法etc
安装形状.....安装方向(上推、水平、悬挂)、直线导轨的方式
运行速度..... ZCA所需速度
笔划.....实际使用的笔划
1.补偿负荷Fs的计算
考虑荷载的性质,参照使用系数(表 1)计算修正荷载 Fs。
修正载荷 Fs N{kgf} = 所需推力 PN{kgf} ×使用系数Sf
表1使用系数
| 负载性质 | 使用案例 | 使用系数Sf |
|---|---|---|
| 无冲击顺畅动作 负荷惯性小 |
切换输送机 | 1.0~1.3 |
| 有轻微冲击的动作 负荷惯性中 |
各种移载装置 各种升降机升降 |
1.3~1.5 |
2.每台所需推力Fs1的计算
每单位所需推力 Fs1 由修正载荷 Fs 计算得出。
对于联动操作,请参考连动系数(表 2)进行计算。
每 ZCA 单元推力 Fs1 N{kgf} = 修正载荷 Fs N{kgf} ÷ (连接单元数 ×连动系数Fg)
表2:连动系数
| 联动台数 (台) | 1台 | 2台 | 4台 |
|---|---|---|---|
| 连动系数Fg | 1.0 | 0.83 | 0.69 |
3. 选择无驱动单元、准双曲面齿轮减速电机或 TERVO。
4.临时选定型号
根据机型一览,确认每台的推力Fs1在ZCA的基本容量以下。请在使用的行程中预留出富余的行程。
[选择了无驱动部时]
从机型一览中,根据每台的推力及容许行程临时选定型号。请进入第5项以后。
[如果您选择准双曲面齿轮减速电机或 TERVO]
从机型一览中临时选定满足每台的推力、链条运转速度及容许行程的型号。
请继续阅读第 9 节及后续章节。有关型号列表,请参阅配备准准双曲面齿轮减速电机的型号列表(此处)和配备 TERVO 的型号列表(此处)。
5.最大速度
确保不超过最大速度。
6.确认所需输入转速
根据运行速度求出所需输入转速。
N = V×60/K N:输入旋转速度r/min V:运行速度 mm/s K:Zip Chain每旋转一周的移动距离 mm(表 3)
7.必要输入扭矩的确认
计算所需输入扭矩。
T = Fs1×Dp 2×1000×η + To
T:所需输入扭矩N・m{kgf・m}
Fs 1:1台所需推力N{kgf}
D p:链轮节距圆直径(mm)(表 3)
η:ZCA的综合效率 (表3)
To:平均无负荷工作扭矩N・m{kgf・m} (表3)
表3能力表
| 形式 | ZCA25 | ZCA35 | ZCA45 |
|---|---|---|---|
| 总效率η | 90% | 90% | 90% |
| ※平均无负荷工作扭矩To N・m{kgf・m} | 0.62{0.063} | 1.63{0.17} | 5.85{0.6} |
| 每转输入轴的移动量K mm | 95.3 | 142.9 | 240 |
| 链轮节距圆直径 Dp mm | Φ30.92 | Φ46.48 | Φ78.0 |
※空载时连续旋转输入轴所需的平均扭矩。
链条的每一节距都会因啮合而产生扭矩变动。
8.复查可接受的过载
使用链条、齿轮、齿带、V带等驱动轴时检查悬载是否在公差以下。
O.H.L.:过载N{kgf}
f:传动要素系数 (表4)
Lf:负荷作用位置的系数 (表5)
T:所需输入扭矩N・m{kgf・m}
D:链轮、齿轮、滑轮等的节距圆直径(米)
容许O.H.L.≥ 2×T×f×Lf D
表4传动要素系数 (f)
| 链条 | 齿轮带 | V带 |
|---|---|---|
| 1.0 | 1.25 | 1.5 |
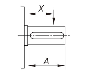
表5负荷作用位置的系数 (Lf)
| X/A | 0.25 | 0.5 | 0.75 | 1.0 |
|---|---|---|---|---|
| Lf | 0.9 | 1.0 | 1.15 | 1.25 |
表6容许过载
| 形式 | ZCA25 | ZCA35 | ZCA45 |
|---|---|---|---|
| 允许的过载N{kgf} | 638{65.0} | 946{96.4} | 2065{210.5} |
9.选择选项
根据使用情况选择选项。
- ·安装座
- ·罩盖
- ·防尘罩
- ·加脂板
10.确定型号
11.必要输入容量的计算 (无电机时)
必要输入容量P kW=T×N/9550
注意:
平均无负荷工作扭矩在必要输入扭矩中所占的比例在25%以上时,链条特有的啮合动作所产生的扭矩变动的影响会变大。为了使运转顺畅,请选择1.5倍的平均无负荷工作扭矩 (表3) 。
选定必要输入扭矩时的注意事项
ZCA的配置如下图所示为直型时,请确认驱动源的输入扭矩在容许输入轴扭矩以下。
驱动源侧的ZCA (1) 向输入轴传递2台车的必要输入扭矩。
请确认这2台的扭矩在容许输入轴扭矩以下。
仅ZCA (1) 所需的输入扭矩T1
仅ZCA (2) 所需的输入扭矩T2
驱动源所需扭矩 TM = T1 + T2 < 允许输入轴扭矩
选定示例
使用机械.....升降装置使用ZCA2台、工厂内(常温,无粉尘)
所需推力……轻冲击,1200N(122kgf)/2 台,小型带制动器的齿轮电机单独安装并通过联轴器连接。
安装形状.....导杆4根 (按压时使用)
运行速度..... 250mm/s ( (恒速:预计不加减速)
行程..... 450mm
电源..... 200V/60Hz
| SI单位 |
|---|
ZCA
马达 (60Hz)
联轴器
|
| {重力单位} |
|---|
ZCA
马达 (60Hz)
联轴器
|
需要位置控制时,请使用带编码器的电机或伺服电机。
(需要带编码器的马达时,请另行咨询。)
此选择示例仅供参考,因此在选择联轴器、MD齿轮箱和电机时,请参考专用目录。
驱动部
准双曲面齿轮减速电机TA/TR 系列
- -这是一款结构紧凑、尺寸小巧的齿轮电机,采用高效的准准双曲面齿轮,高度降低。
- ·采用独自的润滑脂泄漏对策,使用方便,如果并用附带编码器的规格,多点定位控制也很简单。
MD齿轮箱
- ・当多个Zip Chain传动装置同步运行时,使用MD齿轮箱。
- ·备有尺寸、轴配置、速比、材质等标准机种的丰富变化。
ECHT挠性连接件
- - 一种无需润滑、高精度的联轴器,也是驱动伺服电机的理想选择。
- ·可支持键槽、夹紧、锥形锁等丰富的轴连接方式和1mm单位的精细轴孔加工。
