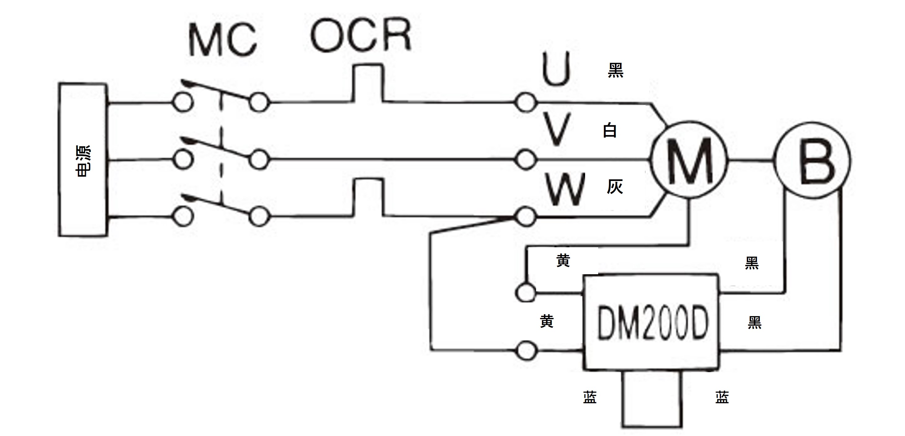
技术资料直线作动机Zip Chain传动装置准双曲面齿轮减速电机带制动电机接线
制动电机接线
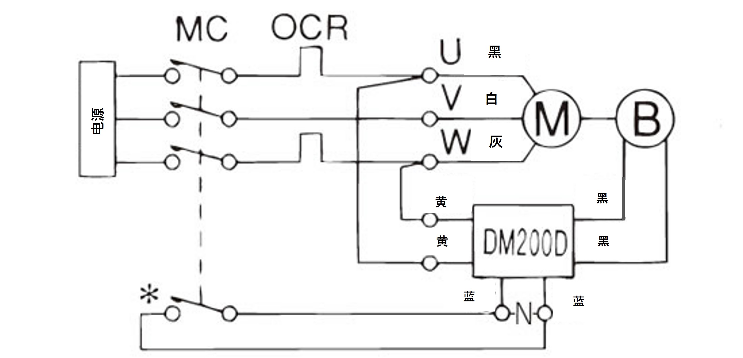
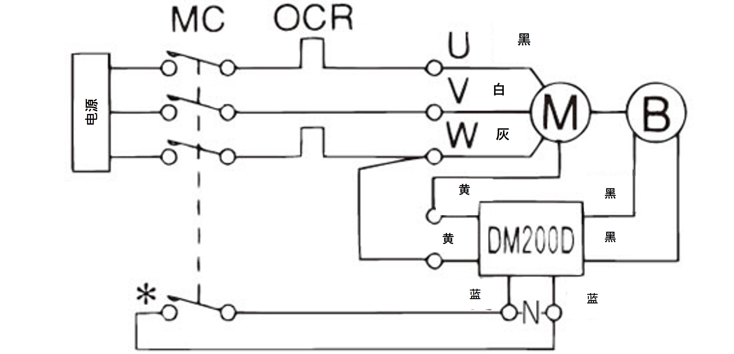
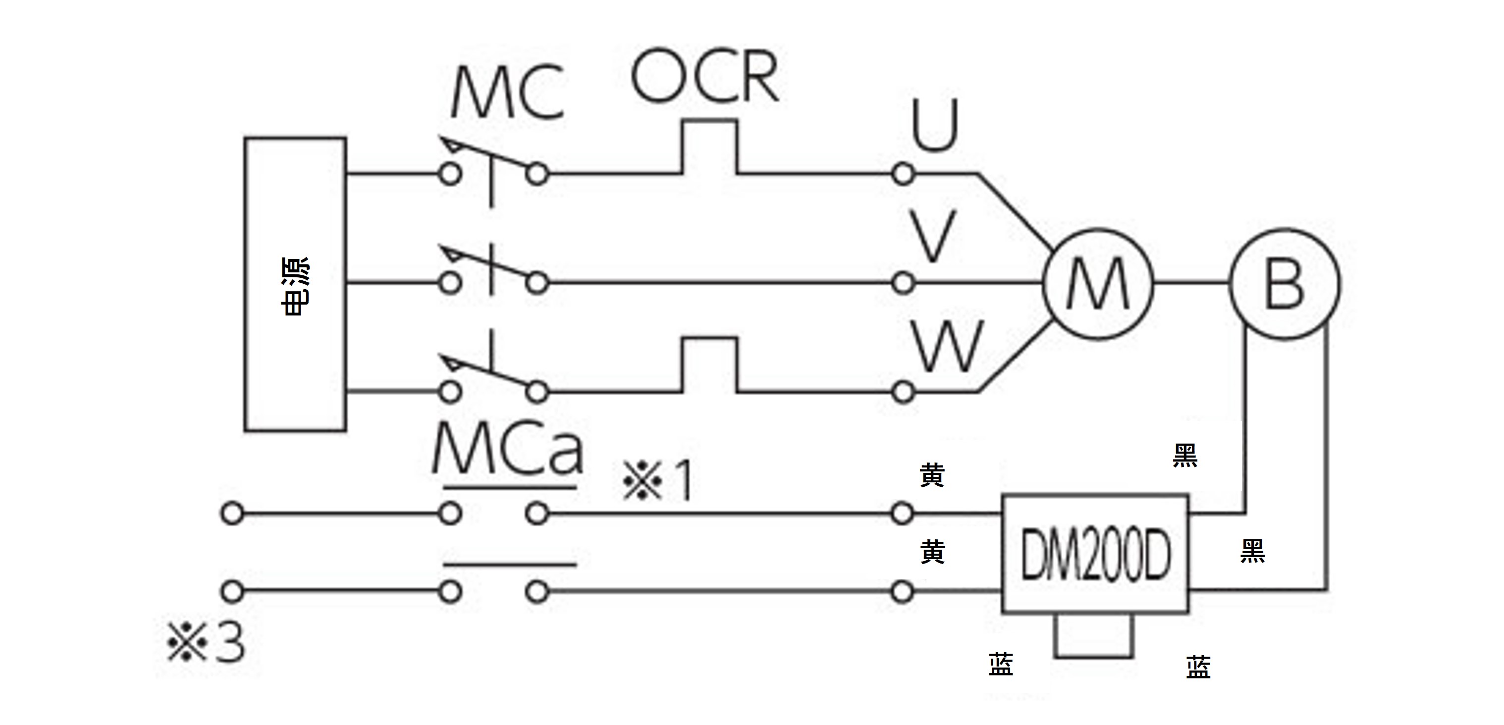
1.ZCA25M:60W・90W
・标准产品出厂时均配备交流同时断开。
·由于响应时间因接线而异,请参考下图并根据用途进行选择。
- M:电机
- B:制动器
- MC:电磁接触器
- MCa:辅助继电器
- OCR:过流继电器
- C:电容器 (配件)
- DM200D:DC模块
- -N-:保护元件 (压敏电阻)
- 注 1)接线完成后,在接通电源之前,请确保DC模块的黄色(或红色)引线接在电源侧,黑色引线接在制动侧。
- 注2)DC模块内置二极管,因此如果由于接线错误导致短路,DC模块将会损坏。
- 注3) 请根据需要在每个触点添加保护元件。
- 注 4)使用变频器时,请勿将其用于交流另行操作以外的电路。
- 注5)使用直流另行断开时,制动电源模块可能会因线路长度、接线方式、继电器类型等因素而损坏,因此需要在直流另行断开端子之间连接一个压敏电阻。最好将其连接在靠近制动电源模块的位置(连接到蓝色引线)。具体的压敏电阻型号如下,但也可以使用等效的压敏电阻。对于DM200D,请选择470V的压敏电阻。
商品名称 制造商 型号 DM200D时 浪涌吸收器 Panasonic ERZV14D471 陶瓷压敏电阻 Nippon Chemi-Con TND14V-471KB00AAA0
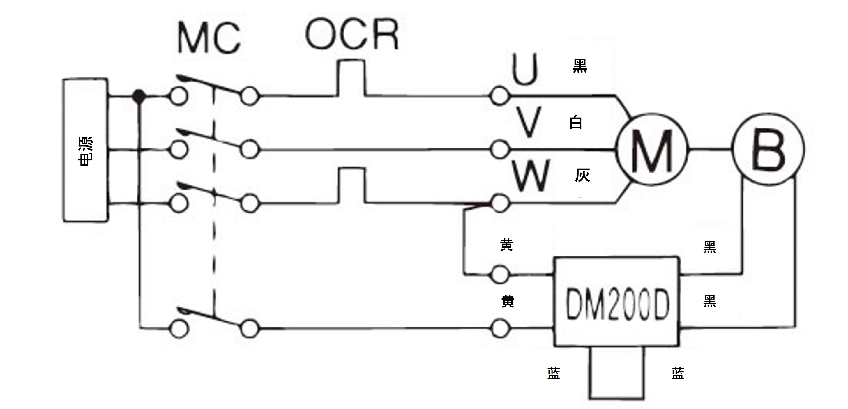
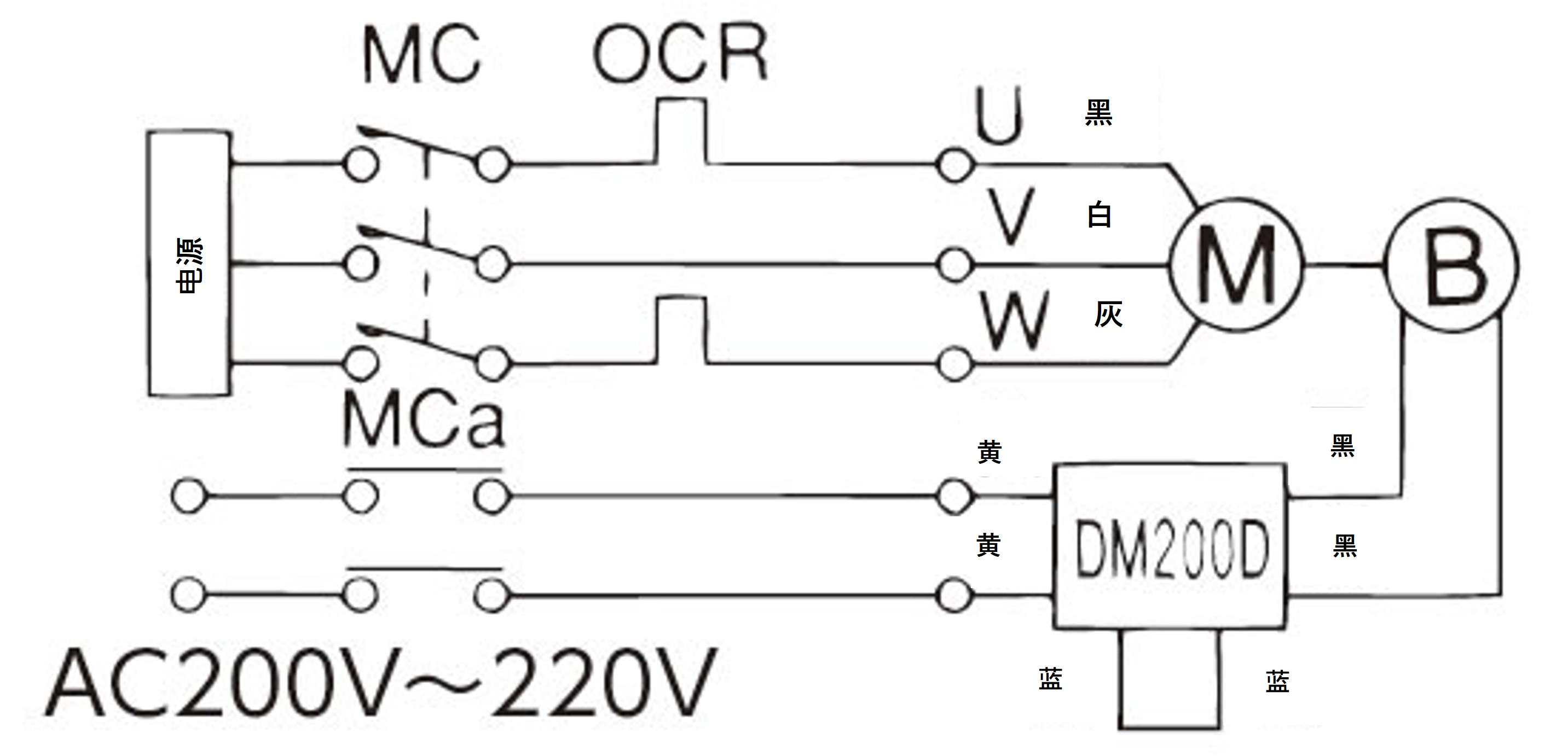
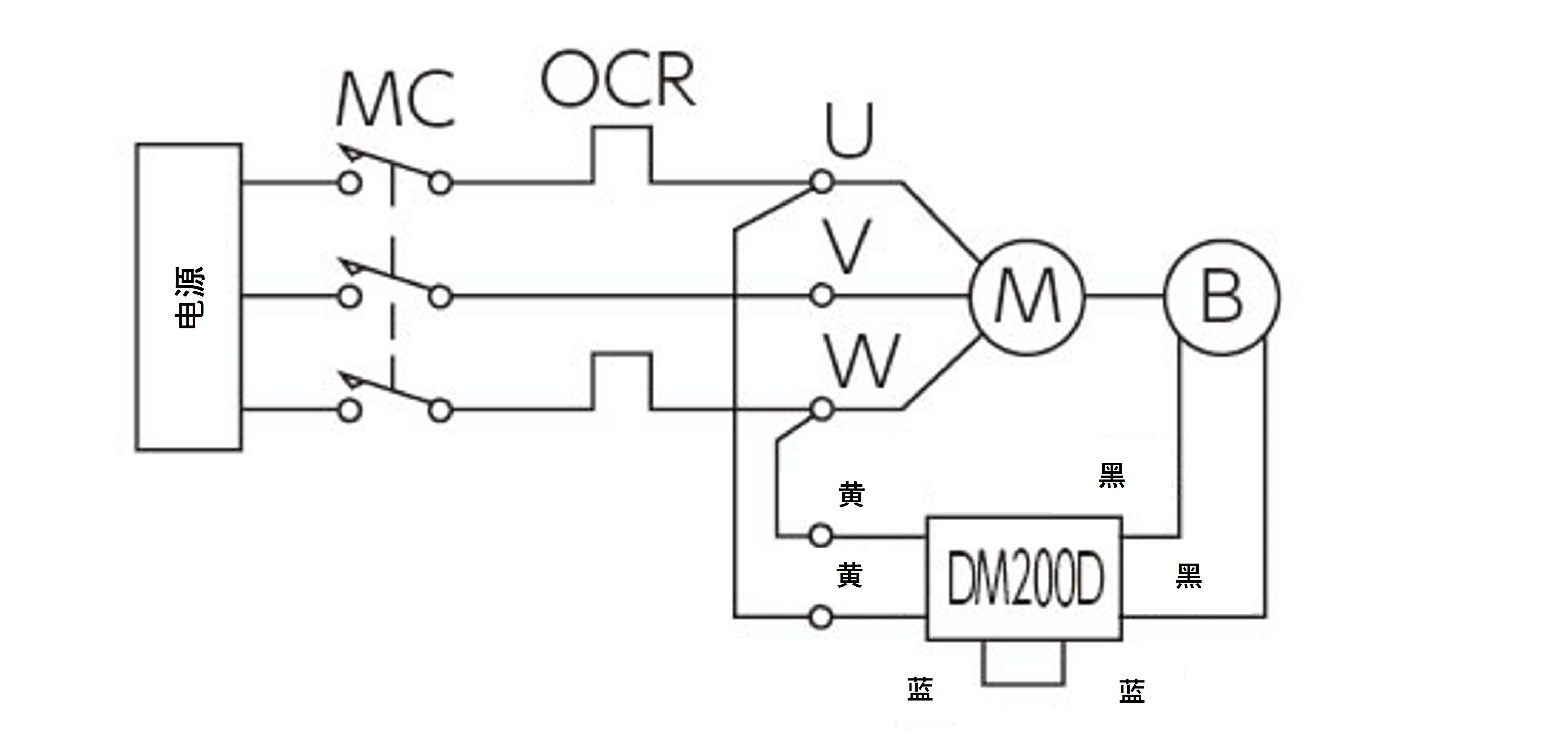
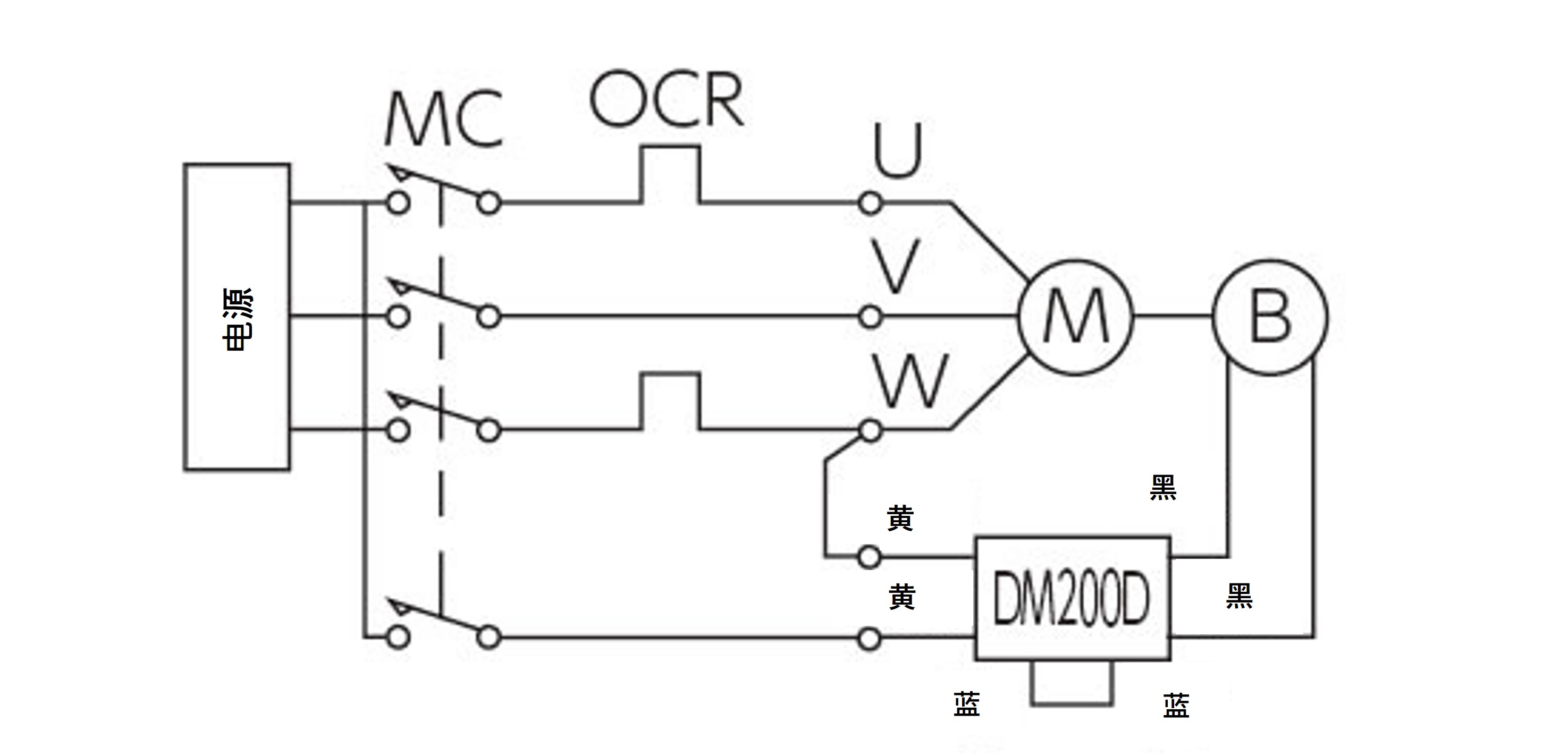
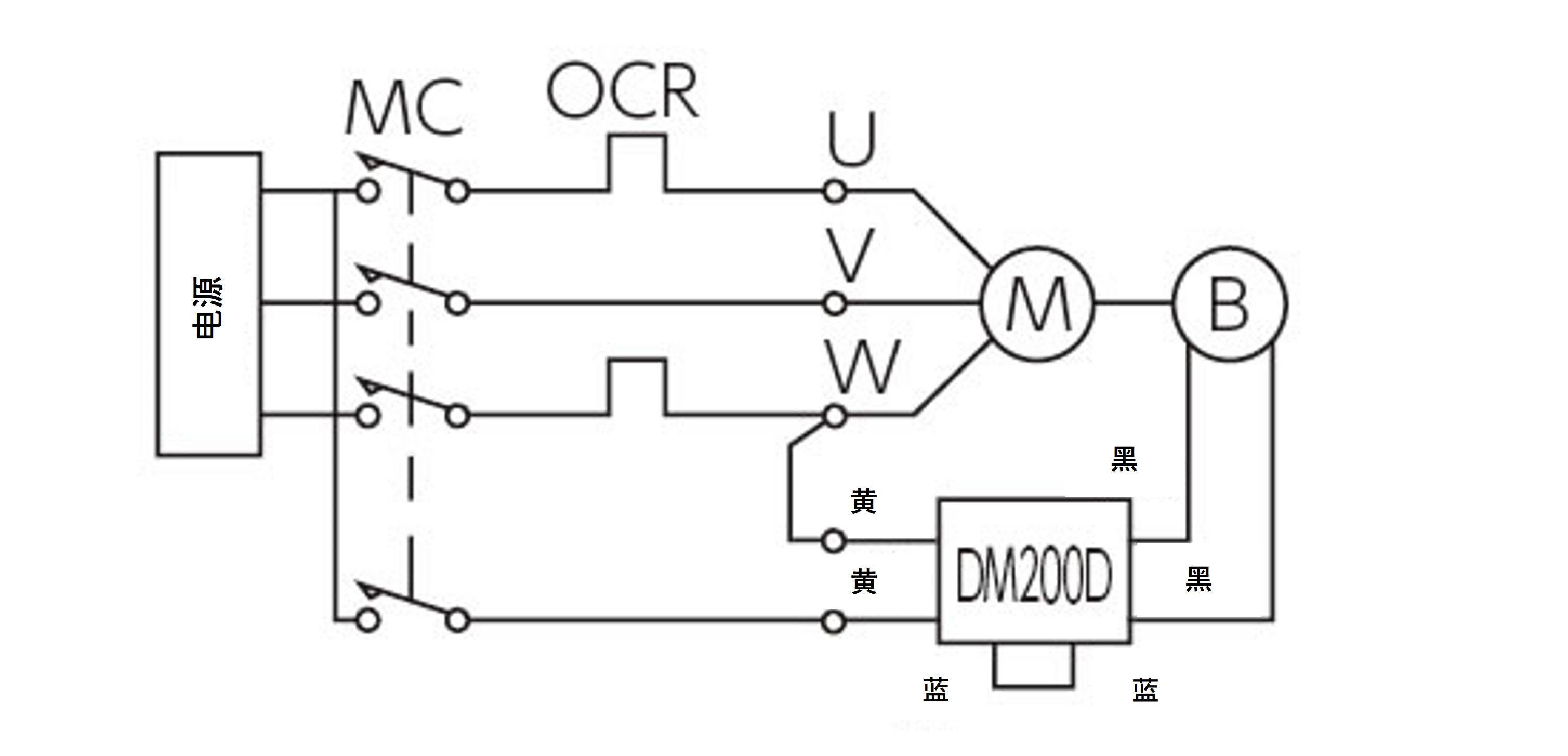
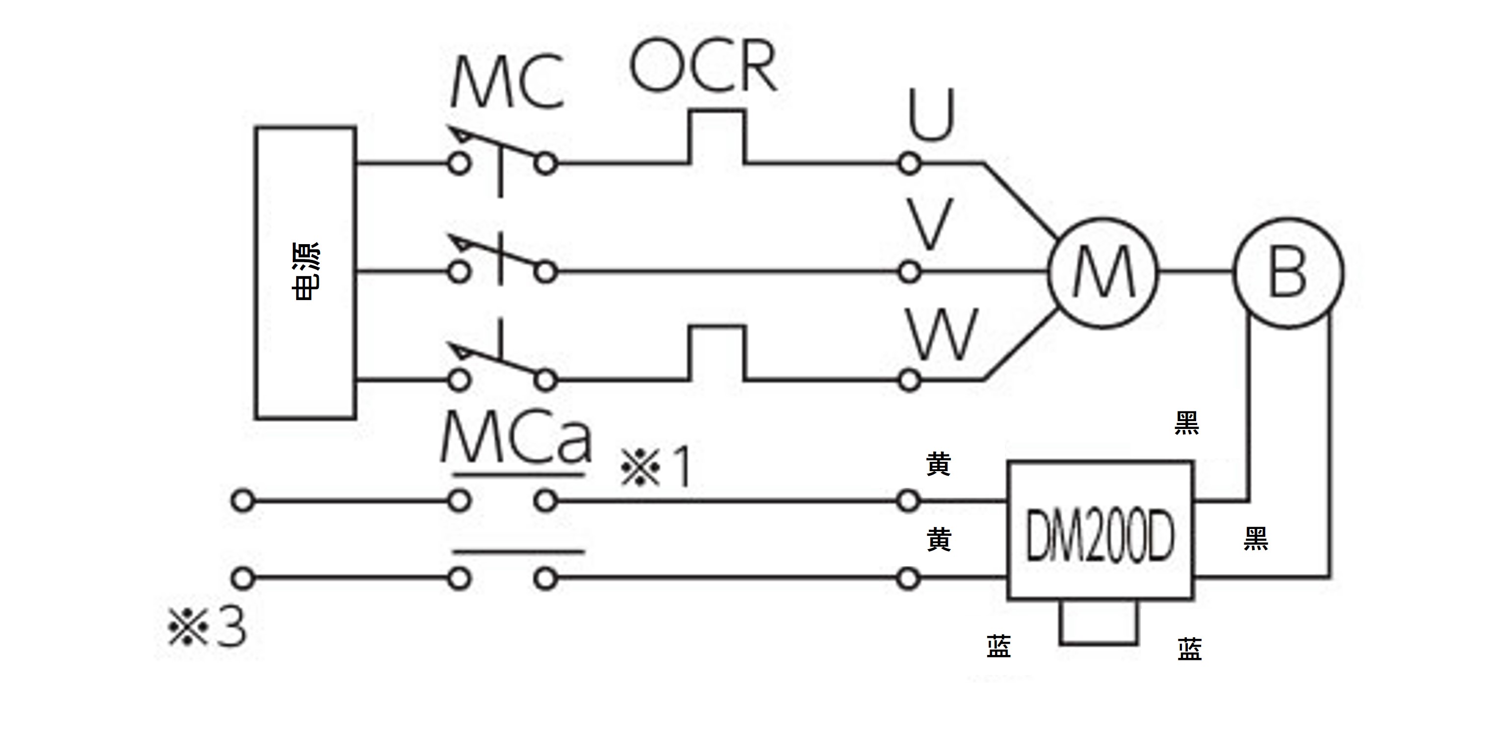
2. ZCA35M・45M:0.2kW・0.4kW・0.75kW
・标准产品出厂时均配备交流同时断开。
·由于响应时间因接线而异,请参考下图并根据用途进行选择。
- M:电机
- B:制动器
- MC:电磁接触器
- MCa:辅助继电器
- OCR:过流继电器
- DM200D:DC模块
- -N-:保护元件 (压敏电阻)
- 注1) 制动电压为DC90V。(200V交流电输入DM200D)
- 注2)使用直流另行断开时,制动电源模块可能会因线路长度、接线方式、继电器类型等因素而损坏,因此需要在直流另行断开端子之间连接一个压敏电阻。最好将其连接在靠近制动电源模块的位置(蓝色引线)。具体压敏电阻型号如下所示,但也可以使用等效的压敏电阻。对于DM200D,请选择470V的压敏电阻。
商品名称 制造商 型号 DM200D时 浪涌吸收器 Panasonic ERZV14D471 陶瓷压敏电阻 Nippon Chemi-Con TND14V-471KB00AAA0 - 注3) 请使用触点容量AC200V7A以上 (电阻负荷) 的※1中的辅助继电器 (MCa) 。
※2使用MC的辅助接点或辅助继电器时,接点容量请在AC200V10A以上 (电阻负荷) 。
















