技术资料直线作动机电动缸电机规格

连接 (U系列)

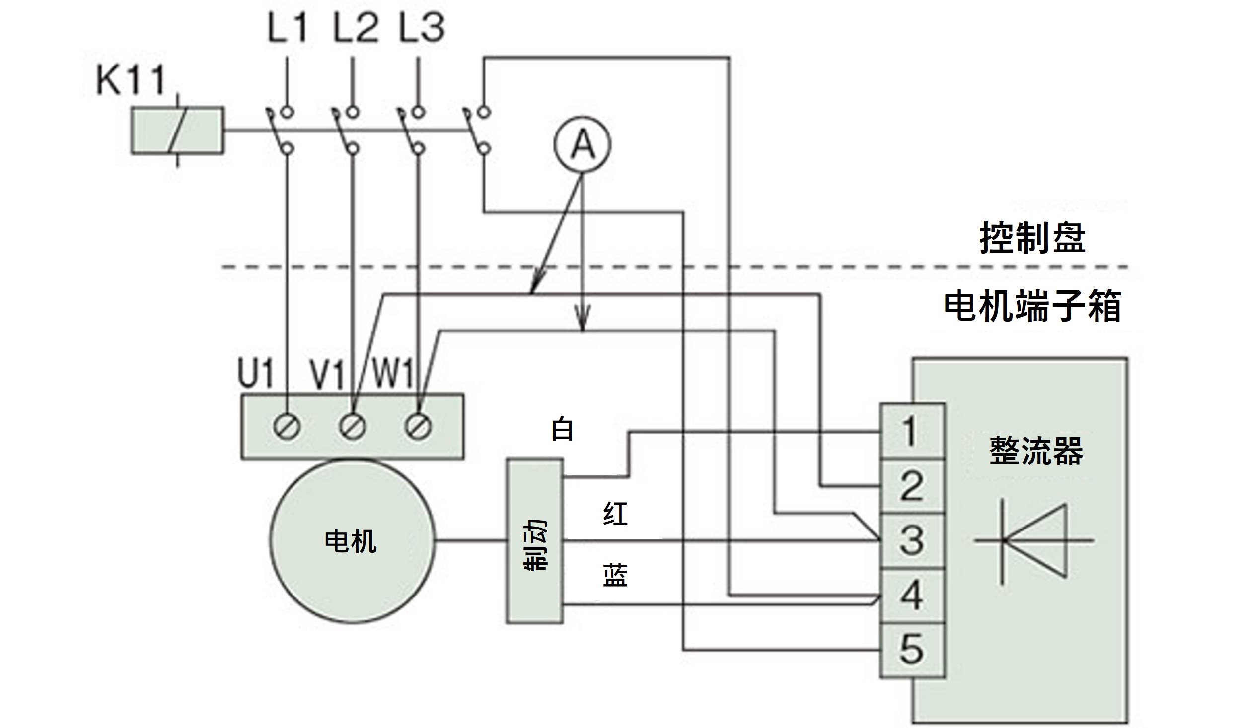
制动马达的接线 (直流制动马达)

0.75~3.7kW

制动器同时断开(发货时)

200V规格

200V规格

400V规格

400V规格
交流交流另行断开(*2.2kW 和 3.7kW 型号还具有直流另行断开)

200V规格

200V规格

400V规格

400V规格

※端子排螺丝尺寸0.75~3.7kW:M4 [拧紧扭矩1.2N·m{0.12kgf·m}]

5.5kW~15kW

制动器交流/直流另行断开(发货时)

200V/400V通用

200V/400V通用

* 可采用变频器驱动。

200V/400V通用

200V/400V通用

*电源线 A 未连接,以防止使用变频器时接线错误。
请自行准备并连接电缆。

※端子台螺丝尺寸5.5kW・7.5kW:M5 [拧紧扭矩2.0N・m{0.2kgf・m}] /11kW・15kW:M8 [拧紧扭矩6.0N・m{0.61kgf・m}]

杆工作方向

在上图中,杆的运动方向如下所示。

DC模块组装好后装在接线盒内发货。

杆工作方向 LPU6000S、L、M、H
LPU8000S、L、M
LPU12000L、M
LPU16000L
LPU50000L、M、H
LPU8000H
LPU12000H
LPU16000M、H
LPU22000L、M、H
LPU32000L、M、H
杆推进 杆后退

使用变频器时的接线方法

  • 1. 使用变频器驱动电机时,必须单独关闭制动器。如前所述,移除短路元件,并将普通电源电压(而非变频器输出电压)施加到制动器DC模块。
  • 2. 对于 200V 级电磁接触器(用于制动器),请使用额定负载为 AC250V、7A 或以上的接触器。
    对于 400V 等级,请使用 400 至 440V 交流触点电压和 1A 或以上的感性负载(例如,用于 2.2kW 交流电机的电磁接触器)。DC模块包含浪涌吸收保护元件。根据需要为每个触点添加保护元件。
  • 3.[直流 (DC) 别切] 制动器时,请与我们联系。

※特殊规格的情况下,接线可能不同,请确认交付图纸。