技术资料直线作动机电动缸电机规格
连接 (G系列)
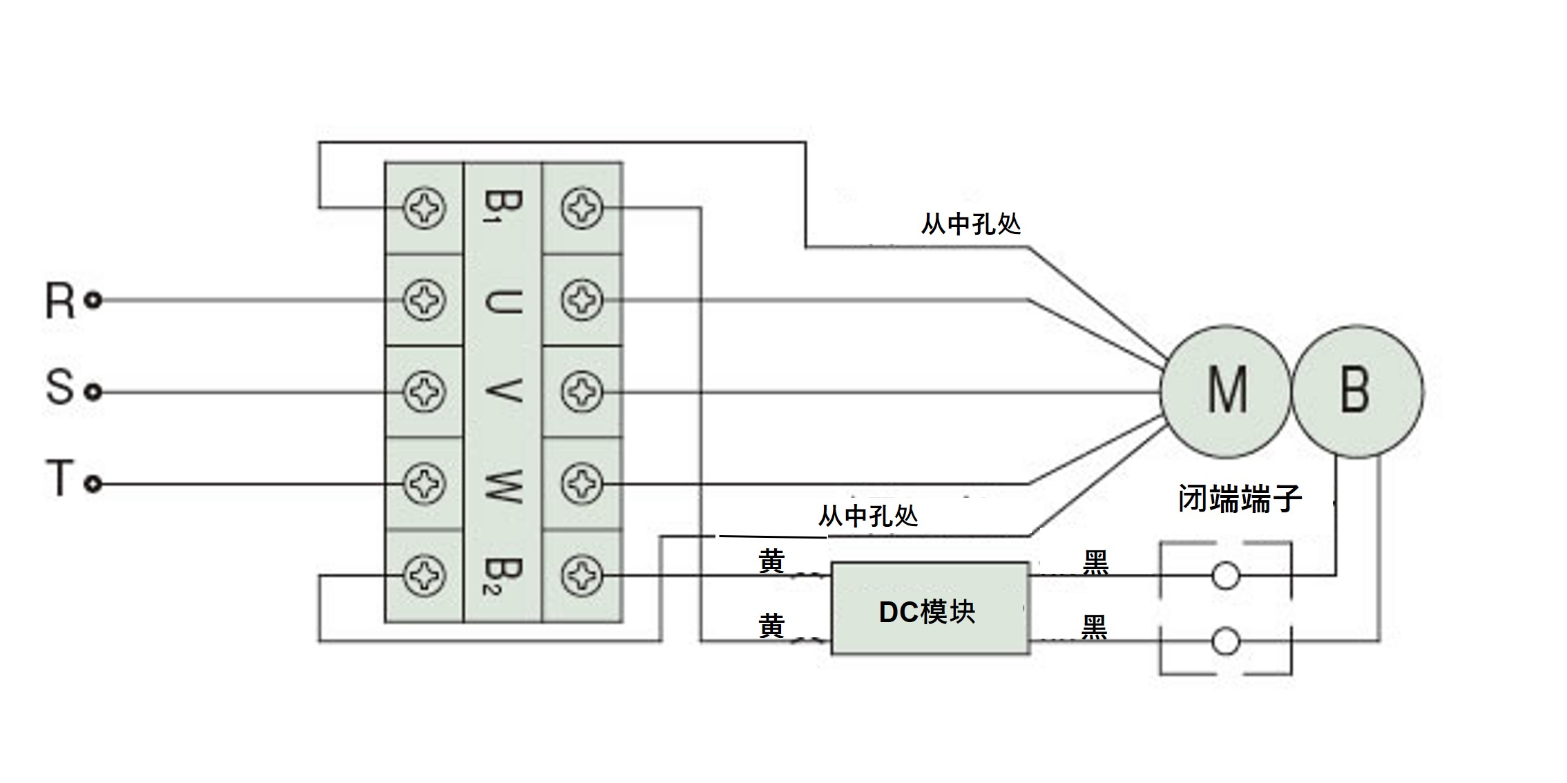
制动马达的接线 (直流制动马达)
制动器同时断开(发货时)
200V规格
400V规格
制动器AC分离
200V规格
400V规格
* 务必将引线末端与中间接头绝缘。
※另外需要200V级的电源。
杆工作方向
在上图中,杆的运动方向如下所示。
DC模块组装好后装在接线盒内发货。
| 杆工作方向 |
LPGA070~LPGA300 LPGB070~LPGB300 LPGC070~LPGC300 |
|---|---|
| 在上面的连接图中,直型是杆后退,平行型是杆前进。 |
※压接端子的螺栓:M4 [拧紧扭矩1.2N・m{0.12kgf・m}]
使用变频器时的接线方法
- 1. 当使用变频器操作电机时,必须单独关闭制动器,因此请移除上一节所示的短路段,并将 200V 至 220V 的电源电压(而不是变频器输出)施加到制动器DC模块。
- 2. 如果电机电压等级为400V,且电机功率为0.4kW或以下,请断开电机中心抽头的接线并进行绝缘处理,然后为制动DC模块单独提供200V至220V的电源。如果没有200V至220V的电源,请使用变压器将电压降至200V至220V。变压器的容量应为90VA或以上,并确保无电压降。
- 3. 对于 200V 级电磁接触器(用于制动器),请使用额定负载为 AC250V、7A 或以上的接触器。
对于 400V 等级,请使用 400 至 440V 交流触点电压和 1A 或以上的感性负载(例如,用于 2.2kW 交流电机的电磁接触器)。DC模块包含浪涌吸收保护元件。根据需要为每个触点添加保护元件。 - 4.[直流 (DC) 别切] 制动器时,请与我们联系。
※特殊规格的情况下,接线可能不同,请确认交付图纸。
