技术资料顶板链处理
顶板链处理
3-1.链的分解、连接
3-1-1. D销类型连接销(TPUN555型除外)
可以从链的任何部分拆卸。也可以从左侧或右侧拔出销钉。
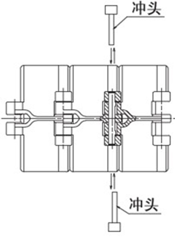
3-1-2. 连接销为滚销类型
拆卸时,请将冲孔对准未进行滚花加工的一侧的端部进行拔出。再次连接时,请在滚花加工一侧的端部打孔连接。
(仅TTPDH型、TTPDH-LBP型滚花滚花端即使重新连接也为同一方向。)
3-1-3.TTUPM838H型
连接销为D销类型,因此可以从左侧或右侧插入和拔出。请使用外径为Φ6至7.5的冲头。
注意不要塞太多或太少。
如果使用外径Φ6或更小、Φ7.5或更大的冲孔,将损坏链条和销。
3-1-4. TN/TNU/TRU/TP-PT/TP-PTS/TP-1873T
连接部的插针和外板的一侧是松紧的。
在接头部分以外的地方拆卸时,请使用链钳等平行拔出一对销子。
请注意,在连接部分以外分解的链节不能重复使用。
3-1-5.TP-1843G型/TP-1873G型
接头用的顶板附带茶色和白色各一个。为了辨别接头部分,可以使用白色的顶板。
连接部的插针和外板的一侧是松紧的。
在接头部分以外的地方拆卸时,请使用链钳等平行拔出一对销子。
请注意,在连接部分以外分解的链节不能重复使用。
3-1-6.ST/RT型
所有销钉和板都是松紧的,可以从链的任何部分拆卸。也可以从左侧或右侧拔出销钉。
3-1-7.TO/TU型
请从顶板的相反一侧拔出旗杆。
3-1-8.TS型
可以通过从开口销侧拔出销钉,将链条从任何部分拆卸下来。
3-1-9.TTKU型
连接部的插针和外板的一侧是松紧的。
在接头部分以外的地方拆卸时,由于已经拧紧销钉,因此请用研磨机削去销钉的端部,平行拔出一对销钉。
请注意,在连接部分以外分解的链节不能重复使用。
3-1-10.TPUN555型
插针方向为单向。在与插入方向相反一侧的销钉端面上打孔,将其拔出。
3-1-11. 月牙形塑料链条
1. 从连接销上取下卡销,然后取下过渡链节。
2. 将过渡链节旋转 90 度。
3.将连接销连同主体连接一起从上一个连接拔出。
注)拆卸时,请勿将连接销从主体连接上拔出。

3-2.销类型器的使用注意事项及拆卸/连接
| 对象商品 | TTP-P型、TTPH-P型、TPS-P型、TPH-P型、TPM-P-SN型、TTUP-P型、TTUPM-P型、TTUPM-PC型、TPU-P型、TTUPM838H型、TPUSR-P型、TP-UB36P型、RSP40P型、RSP60P型、RSP60P-CU型 |
|---|
- 1.请进行慢启动、慢停止。
- 2.不要对链施加初始张力。
- 3. 工程塑料销钉用于切断和连接和拼接链条,因此重复使用已经取下的销钉会降低配合力,导致销钉脱落。
切断和连接链条时,请务必遵循以下说明。 - 4.塑料模块链条列于选择部分。
- 5.在潮湿条件下,工程塑料销钉链的温度不得高于60°C。
连接D销
- 1)连接时,请使用提供的专用D销(主体针:白色,连接销:橙色)。
- 2)接头销钉为橙色,用于与主体D型销 (白色) 进行识别。
- 3) 每条链条都配有一个D销接头。
切继要领
(1) 分解时
- 1)将外径略小于连接环销孔的冲头放在D销端面上,用锤子轻轻敲击即可取出销钉。销钉可以从左侧或右侧取出。
- 2)D销一旦被取出,就不要再重复使用。
(2) 合并时
- 1)请使用专用的D销接头(橙色)。
- 2)将冲子放在D销末端,用锤子轻轻敲击,将D销插入链节的销孔中。
可以从左侧或右侧插入。请勿在连接销(橙色)已插入的位置进行切割或连接。 - 3)检查连接的D销是否从铰链端面两侧均匀插入。
- 4)请确保已连接的链弯曲平滑。
