技术资料大型输送链选定
9.作用在链条上的张力的计算方法
运行中作用于输送链的静态最大张力T max可由表3计算。
表3的链张力T的公式以质量M (重量) ×摩擦系数为基础,求出了传送带整体的张力。
当高速输送机突然启动或停止,或者推杆式输送机突然移动搬运物时,惯性力会变得非常大。在这种情况下,计算链条张力和所需功率时,应考虑惯性力的影响。
计算公式同时记载了SI单位和重力单位。按重力单位计算张力T时,重力单位的重量 (kgf) 等于SI单位的质量 (kg) 。
9.1术语说明
| SI单位 | 重力单位 | ||
|---|---|---|---|
| TMAX | 作用在链上的最大静态张力 | kN | {kgf} |
| T'MAX | 修正链张力 | kN | {kgf} |
| T | 作用在链上的静态张力 | kN | {kgf} |
| Q | 可能的最大运输量 | t/h | {tf/h} |
| V | 传送速度 (链速度) | m/min | m/min |
| H | 链轮中心距离 (垂直) | m | m |
| L | 链轮中心距离 (水平) | m | m |
| C | 链轮中心距 | m | m |
| M | 运行部的质量{重量} (链条×条数、桶、围裙等的质量{重量}) |
kg/m | {kgf/m} |
| f1 | 链与导轨之间的摩擦系数(表5,表6) | ||
| f2 | 搬运物与底板和侧板之间的滑动摩擦系数(表 7) | ||
| f | 直接装载时f=1刮运时f=f2/f1 | ||
| g | 重力加速度9.80665m/s 2 | ||
| W | 搬运物量(重量) 散装物 W=16.7 * ×Q/V {W=16.7*×Q/V} 可数输送物 W =搬运物量(千克/件)/ 装载间隔(米) {W =搬运物重量(kgf/件)/ 装载间隔(m)} |
kg/m | {kgf/m} |
注:用于将每米链条上散装物的质量(重量)换算成质量的系数为 16.7 = 1000/60
※若频繁进行正反转运转,则需要通过收紧装置将链条收紧,因此计算公式会与下述公式不同。
如果您使用收紧装置来收紧链条中的松弛部分,请使用此处问答 6 中的计算公式。
9.2链条张力计算 (表3)
| SI单位 | {重力单位} | |||||||||||||||||||||||||||||||||||||||||||||||||||||
|---|---|---|---|---|---|---|---|---|---|---|---|---|---|---|---|---|---|---|---|---|---|---|---|---|---|---|---|---|---|---|---|---|---|---|---|---|---|---|---|---|---|---|---|---|---|---|---|---|---|---|---|---|---|---|
|
水平交货
T1 = 1.35 ※1 × M × L1 × g 1000 ......kN T2 = ( L - L1) × M × f1 × g 1000 + T1 ......kN T3 = 1.1 ※2 × T2 ......kN TMAX = (W × f + M ) × L × f1 × g 1000 + T3 ......kN T1 = 1.35 × M × L1 ......{kgf} T2 = ( L - L1) × M × f1 + T1 ......{kgf} T3 = 1.1 × T2 ......{kgf} TMAX = (W × f + M ) × L × f1 + T3 ......{kgf}
|
||||||||||||||||||||||||||||||||||||||||||||||||||||||
|
水平交货
T1 = 1.35 × M × L1× g 1000 + 0.1※ × M × L × g 1000 ......kN T2 = 1.1 × T1 ......kN TMAX = (W × f + M) × L × f1 × g 1000 + T2 ......kN T1 = 1.35 × M × L1 + 0.1※ × M × L ......{kgf} T2 = 1.1 × T1 ......{kgf} TMAX = (W × f + M) × L × f1 ......{kgf}
|
||||||||||||||||||||||||||||||||||||||||||||||||||||||
|
垂直传送
TMAX = (W + M) × H × g 1000 + WT 2 × g 1000 ......kN TMAX = (W + M) × H + WT 2 ......{kgf} |
||||||||||||||||||||||||||||||||||||||||||||||||||||||
|
倾斜输送
T1 = M(Lf1 - H) × g 1000 ......kN 如果 T 1 < 0,则 T 2 = 0 T2 = 1.1 × T1 ......kN TMAX = W(Lf1 × f + H) × g 1000 + M(Lf1 + H) × g 1000 + T2 ......kN T1 = M(Lf1 - H) ......{kgf} 如果 T 1 < 0,则 T 2 = 0 T2 = 1.1 × T1 ......{kgf} TMAX = W(Lf1 × f + H) + M(Lf1 + H) + T2 ......{kgf} |
||||||||||||||||||||||||||||||||||||||||||||||||||||||
|
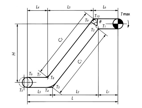
应用实例
T1= M × L1 × f1 × g 1000 ......kN T2= T1× Kc1 ......kN T3= M(L2f1 - H) × g 1000 + T2 ......kN T4= T3× Kc2 ......kN 如果 T 3 < 0,则 T 4 = 0 T5= M × L3 × f1 × g 1000 + T4 ......kN T6= 1.1 × T5 ......kN T7= (M + W × f) × L4 × f1 × g 1000 + T6 ......kN T8= T7× Kc3 ......kN T9= W(L5f1 × f + H) × g 1000 + M(L5f1 + H) × g 1000 + T8 ......kN T10 = T9× Kc4 ......kN TMAX = (M + W × f) × L6 × f1 × g 1000 + T10 ......kN 角系数Kc
T1 = M × L1 × f1 ......{kgf} T2 = T1 × Kc1 ......{kgf} T3 = M(L2f1 - H) + T2 ......{kgf} T4 = T3 × Kc2 ......{kgf} 如果 T 3 < 0,则 T 4 = 0 T5 = M × L3 × f1 + T4 ......{kgf} T6 = 1.1 × T5 ......{kgf} T7 = (M + W × f) × L4 × f1 + T6 ......{kgf} T8 = T7 × Kc3 ......{kgf} T9 = W(L5f1 × f + H) + M(L5f1 + H) + T8 ......{kgf} T10 = T9 × Kc4 ......{kgf} TMAX = (M + W × f) × L6 × f1 + T10 ......{kgf} |
||||||||||||||||||||||||||||||||||||||||||||||||||||||
|
倍速链示例
TMAX = 2.1M(L1 + L2) f1 ×
g
1000
+ (W × L1 × f1) TMAX = 2.1M(L1 + L2) f1 + (W × L1 × f1) + (W1 × L2 × f3) ......{kgf}
|
||||||||||||||||||||||||||||||||||||||||||||||||||||||
|
用于计算所需动力的链条张力T为下式。 水平T=T MAX-T 1 垂直T=T MAX-MH× g 1000 斜率T=T MAX-M (H-Lf 1) x g 1000 T = TMAX - MH T = TMAX - M(H - Lf1)
·动力需求计算 1kW = 1kN・m/s kW = T × V 60 1kW = 102kgf・m/s kW = T × V 102 × 60 链条与链轮的啮合,以及链轮的旋转摩擦阻力等动力损失视为10%左右。(1/0.9=1.1) 设驱动部的传动机械效率为η, kW = T × V 60 × 1.1 × 1 η kW = T × V 102 × 60 × 1.1 × 1 η |
||||||||||||||||||||||||||||||||||||||||||||||||||||||
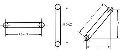
表4.悬链张力图

径向张力的计算方法
T1 = 1.35 × M × L1 × g 1000 ......kN
公式1.35为:。
10%时δ=0.10L 1
根据上图
δ
L 1
=0.10→
2T 1
ML 1
=2.7
T 1 =1.35×M×L 1 ×
g
1000
直链部分链长的求法
δ L1 = 0.10 → S L1 = 1.027
S = 1.027L1
表5.链条与导轨的滚动摩擦系数 (常温) f 1
| 滚子直径区分 (mm) |
润滑状态 | 润滑油用完时 | ||
|---|---|---|---|---|
| R、F滚子 | S、M、N滚子 | R、F滚子 | S、M、N滚子 | |
| D<65 | 0.08 | 0.16 | 0.15 | 0.24 |
| 65≦D<100 | 0.08 | 0.15 | 0.14 | 0.23 |
| 100≦D | 0.08 | 0.14 | 0.13 | 0.22 |
| RF-214 (例外) | 0.12 | 0.15 | 0.18 | 0.22 |
注)
- 1.加油为ISO VG100~150 (SAE30~40) 左右时
- 2.尘埃很少,常温下室内气氛的情况
- 3. 链条的顶部滚子与搬运物的顶部滚子和f1相同,与上述 R 滚子相同。
| 系列 | f1 |
|---|---|
| 塑料滚子系列 | 0.08(免加油) |
| 轴承滚子系列 | 0.03 (润滑状态) |
| 针筒系列 | 0.14 (润滑状态)、0.21 (润滑油耗尽) |
| EPC78 | 0.1 (润滑状态)、0.2 (水润滑)、0.25 (润滑油耗尽) |
表6. 链条与导轨之间的摩擦系数f1
| 搬运物的温度 ℃ | 润滑状态 | 润滑油耗尽 |
|---|---|---|
| 常温~400 | 0.20 | 0.30 |
| 400~600 | 0.30 | 0.35 |
| 600~800 | 0.35 | 0.40 |
| 800~1000 | - | 0.45 |
表7.搬运物与底板和侧板之间的摩擦系数f2
| 搬运物 | f2 | 表观比重 |
|---|---|---|
| 刻度 | 0.67 | 1.54 |
| 赤铁矿 | 0.47 | 2.99 |
| 黄铁矿 | 0.58 | 1.54 |
| 铁渣 | 0.48 | 0.90 |
| 废料 | 0.73 | 0.54 |
| 铅矿粉 | 0.77 | 3.26 |
| 锌矿粉 | 0.79 | 1.93 |
| 镍矿粉 | 0.45 | 0.92 |
| 铬矿粉 | 0.51 | 1.14 |
| 氧化铝 | 0.55 | 0.83 |
| 氧化镁 | 0.84 | 1.48 |
| 石膏 | 0.64 | 0.77 |
| 石英粉 | 0.55 | 1.24 |
| 长石 | 0.55 | 1.36 |
| 白云石 | 0.55 | 1.62 |
| 粘土 | 0.63 | 0.77 |
| 铸砂 | 0.41 | 1.59 |
| 磷矿石 | 0.42 | 1.51 |
| 生石灰 | 0.46 | 1.53 |
| 消石灰 | 0.63 | 0.69 |
| 石棉 | 0.58 | 0.19 |
| 石灰石 | 0.47 | 0.35~0.55 |
| 水泥 | 0.54 | 0.60~0.75 |
| 水泥熟料 | 0.46 | 1.30 |
| 木炭 | 0.41 | 0.44 |
| 碳 | 0.53 | 0.30 |
| 节距 | 0.41 | 0.70 |
| 纯碱 | 0.45 | 0.52 |
| 明矾 | 0.63 | 1.01 |
| 聚乙烯 | 0.52 | 0.34 |
| 胶粉 | 0.53 | 0.39 |
| 肥皂原料 | 0.27 | 0.65 |
| 尿素 | 0.63 | 0.64 |
| 氯化氨 | 0.79 | 0.67 |
| 氯化钙 | 0.43 | 0.68 |
| 硫化钙 | 0.64 | 1.01 |
| 碳酸钙 | 0.49 | 0.88 |
| 木屑 | 0.74 | 0.36 |
| 大米 | 0.4 | 0.77 |
| 大麦 | 0.71 | 0.39 |
| 小麦 | 0.43 | 0.73 |
| 大豆 | 0.41 | 0.68 |
| 玉米 | 0.4 | 0.71 |
| 淀粉 | 0.57 | 0.71 |
| 砂糖 | 0.47 | 0.68 |
| 岩盐 | 0.57 | 1.09 |
| 混合饲料 | 0.5 | 0.55 |
| 煤 | - | 0.30~0.70 |
| 焦炭 | - | 0.30~0.70 |
注)上述值会因干燥、潮湿而有所变化。
