技术资料减速机蜗轮减速机规格
标准端子箱规格
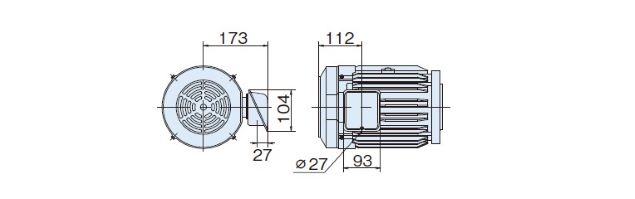
1.电机输出功率:0.1kW~0.4kW [树脂制]
| 端子尺寸 | 端子箱位置 | |||||||||||||
|---|---|---|---|---|---|---|---|---|---|---|---|---|---|---|
| 无制动器 | ![]() |
|
||||||||||||
| 制动装置 | ![]() |
|
2.电机输出功率:0.75kW [钢钣金]
| 端子尺寸 | 端子箱位置 | |||||||||||
|---|---|---|---|---|---|---|---|---|---|---|---|---|
| 无制动器 | ![]() |
|
||||||||||
| 制动装置 | ![]() |
|
3.电机输出功率:1.5kW~2.2kW [钢钣金]
| 端子尺寸 | 端子箱位置 | ||||||||||||||||
|---|---|---|---|---|---|---|---|---|---|---|---|---|---|---|---|---|---|
| 无制动器 | ![]() |
|
|||||||||||||||
| 制动装置 | ![]() |
|
4.电机输出功率:3.7kW [钢钣金]
| 端子尺寸 | 端子箱位置 | |
|---|---|---|
| 无制动器 | ![]() |
![]() |
| 制动装置 | ![]() |
![]() |
5.电机输出功率:5.5kW [钢钣金]
| 端子尺寸 | 端子箱位置 | |
|---|---|---|
| 无制动器 | ![]() |
![]() |
| 制动装置 | ![]() |
![]() |
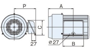
端子箱的安装方向
端子箱的安装方向可以90°间距变更。订购时请指示。
或者,拆下电机安装螺栓,转动电机,客户也可以变更安装方向。
端子箱的出口方向
间距为90°。
(5.5kW制动器无法变更)
订购时请指示。
(例:端子口方向F1)














