技术资料减速机蜗轮减速机规格
连线
1.旋转方向
| 电动机容量 | 连接 | 旋转方向 | 连接 | 旋转方向 |
|---|---|---|---|---|
| 0.1kW ~ 5.5kW |
![]() |
![]() |
![]() |
![]() |
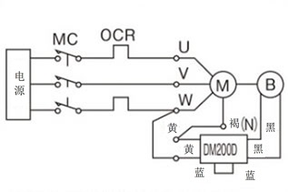
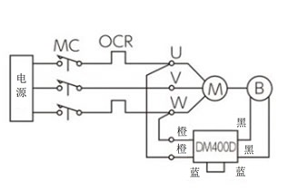
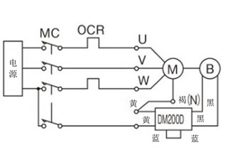
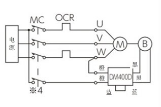
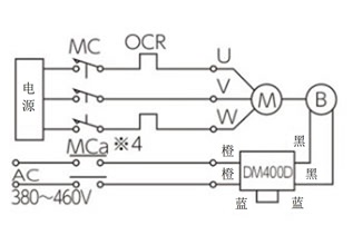
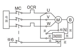
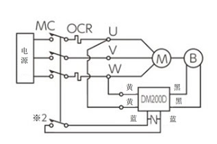
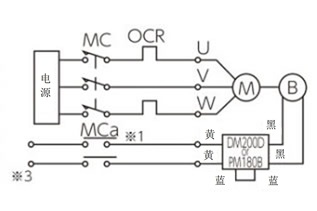
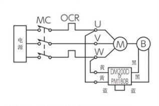
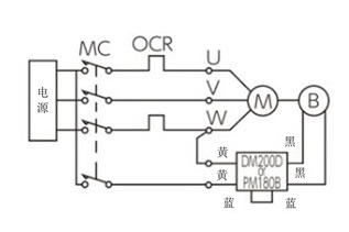
2.制动马达的接线
- ・标准产品出厂时均配备交流同时断开。
- ·由于响应时间因接线而异,请参考下图并根据用途进行选择。
| 用途 | 三相200V | 三相400V | |||
|---|---|---|---|---|---|
| 0.1kW ~ 5.5kW | 0.1kW ~ 0.4kW | 0.75kW ~ 3.7kW | 5.5kW | ||
| 交流同时断开 |
|
只有5.5kW是PM180B。 |
![]() |
![]() |
- |
| 交流另行断开 |
|
只有5.5kW是PM180B。 |
![]() |
![]() |
- |
| 交流另行操作 |
|
※3印部位制动器的供给电压,0.1kW、0.2kW为AC200V~AC254V |
注·请务必将用闭端接头布线的褐色 (N) 与端子台绝缘。 |
![]() |
![]() |
| 直流另行断开 |
|
PM180B不能直流切断。 |
![]() |
![]() |
- |
- M:电机
- B:制动器
- MC:电磁接触器
- MCa:辅助继电器
- OCR:过流继电器DM200D、PM180B、DM400D
- -N-:保护元件 (压敏电阻)
- 注1) 制动电压为DC90V。(在DM200D和PM180B上输入200V交流电)
- 注2)使用直流另行断开时,制动电源模块可能会因线路长度、接线方式、继电器类型等因素而损坏,因此需要在直流另行断开端子之间连接一个压敏电阻。将其连接在靠近制动电源模块(蓝色引线)的位置效果更佳。具体压敏电阻型号如下所示,但也可以使用等效型号的压敏电阻。对于DM200D,请选择470V的压敏电阻。(DM400D内置压敏电阻,无需外接。)
商品名称 制造商 型号 DM200D时 浪涌吸收器 Panasonic ERZV14D471 陶瓷压敏电阻 Nippon Chemi-Con TND14V-471KB00AAA0 - 注3) 请使用触点容量AC200V7A以上 (电阻负荷) 的※1中的辅助继电器 (MCa) 。
※2使用MC的辅助接点或辅助继电器时,接点容量请在AC200V10A以上 (电阻负荷) 。 - 注4) 请使用接点电压AC400~440V感应负荷1A以上的※4中的辅助继电器 (MCa) 。
- 注5) *5的辅助继电器 (MCa) 请串联2个或3个接点电压AC400~440V感应负荷1A以上的继电器使用。












