污泥搅拌机用链轮ACP型·ACR型·ACS型
水处理设施的沉淀池中使用的污泥搅拌机用链轮。
特性
- 备齐了替齿式 (块环替齿),大幅缩短了更换工时,无需分解轴只更换链轮或磨损部,降低了零件成本和废弃物,为提高维护效率、降低成本、减少废弃物做贡献。
产品目录、使用说明书
型号表示例
ACP链轮
| ACP04152 | - | 1C | 11T | - | RK |
| | 适用链条尺寸 |
| | | |
| 齿数 |
| 类型 无符号:一体式(方形轮毂组件式) RK:环形替换齿(D型分叉式) |
||
| 排数和轮毂类型 |
|||||
ACR链轮
| ACR810 | - | 1C | 11T | Q | - | BK |
| | 适用链条尺寸 |
| | | |
| 齿数 |
| 齿顶硬化处理 |
| 类型 无标记:一体式 BK:齿形镶块替换齿 RK:环形替换齿 (D型) |
||
| 排数和轮毂类型 |
||||||
ACS链轮
| ACS13078W | - | 1C | 11T | Q | - | BK |
| | 适用链条尺寸 |
| | | |
| 齿数 |
| 齿顶硬化处理 |
| 类型 无标记:一体式 BK:齿形镶块替换齿 RK:环形替换齿 (D型) |
||
| 排数和轮毂类型 |
||||||
- 1.请从下表中选择链轮的形状类型。
-
结构 规格代号 一体式 无符号 一体2割 (C割形) TS 齿状块替牙 BK 环置齿 (D型) RK - 2.材质组合如下表所示。
-
*如果牙齿材料为 SCS2 或 FCD600,齿顶经过硬化处理。 结构 材质 轮毂部、臂部 铸件结构 SCS2、FCD600、SCS13 焊接结构 SS400+S25C (轮毂和臂) 齿部 一体式·TS (C型) SCS2或FCD600 RK (D型) 选择SCS2或树脂制。 BK (牙形阻滞替牙) SCS2 - 3.左右轮毂长度的分配不同时,请注明各尺寸。
- 4. 涂装规格会因您指定的政府机构而异,因此请务必在提供指示之前参考客户的规格。
对于预留孔,我们的标准规格是涂一层富锌底漆;而对于成品孔,则是涂一层富锌底漆,再涂两层环氧树脂。
树脂、SCS13 和 300 系列不锈钢均未涂漆。所有部件的轴孔和轮毂端面均涂覆预浸油。 - 5.为了明确规格,请用图纸等指示。
商品一览表
- 【产品注意事项】
- - 订购时,请注明驱动轴直径、键尺寸、从动轴套筒外径尺寸和轮毂尺寸。
・以上列出了标准齿数,但我们也可以生产其他齿数的齿轮。如有需要,请另行联系我们。
- 如果链轮材料为300系列不锈钢或树脂,则链轮将采用特殊规格。
・对于方形轮毂装配,请指定精加工孔的尺寸。精加工孔的最大轴径为160mm。
・ 所示尺寸仅供参考,并非标准产品尺寸。询价时,请注明每件产品的尺寸和齿数,或附上图纸。
・所列尺寸为公称尺寸,可能与实际尺寸有所不同。
- 牙齿数量为 25 颗或以下时,仅提供 C 型。
| 一体式 | 一体式(方形轮毂组件式) | 齿状块替牙 | 环置齿 (D型) |
|---|---|---|---|
![]() |
![]() |
![]() |
![]() |
ACP型 (ACP型链的信息这里)
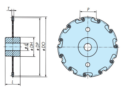
| 适用链条尺寸 | 链轮型号 | 类型 | 间距 P |
齿数 | 外径 ΦDO |
节距圆 直径 ΦDP |
齿宽 T |
轮毂尺寸 (参考值) | 预留孔 d (参考值) |
轴径 (参考值) |
约 质量 kg |
DXF图形 3D CAD数据 |
PDF图纸 | |
|---|---|---|---|---|---|---|---|---|---|---|---|---|---|---|
| 直径ΦDH | 长L | |||||||||||||
| ACP04152 | ACP04152-1C11T | 方形轮毂一体式 | 152.4 | 11 | 575 | 540.9 | 28 | 240 | 140 | - | - | - | DXF・3DCAD | 请咨询 |
| ACP04152P | ACP04152P-1C11T | 环置齿 (牙树脂) | 152.4 | 11 | 575 | 540.9 | 28 | 210 | 140 | 90 | 130 | 64 | 请咨询 | 请咨询 |
ACR型 (ACR型链的信息这里)
| 适用链条尺寸 | 链轮型号 | 类型 | 间距 P |
齿数 | 外径 ΦDO |
节距圆 直径 ΦDP |
齿宽 T |
轮毂尺寸 (参考值) | 预留孔 d (参考值) |
轴径 (参考值) |
约 质量 kg |
DXF图形 3D CAD数据 |
PDF图纸 | |
|---|---|---|---|---|---|---|---|---|---|---|---|---|---|---|
| 直径ΦDH | 长L | |||||||||||||
| ACR810 | ACR810-1C11TQ | 一体式 | 152.4 | 11 | 565 | 540.9 | 18 | 210 | 140 | 90 | 130 | 47 | DXF・3DCAD | 请咨询 |
| ACR810-1C11TQ-BK | 块替牙 | 152.4 | 11 | 565 | 540.9 | 18 | 210 | 140 | 90 | 130 | 47 | DXF・3DCAD | 请咨询 | |
| ACR810-1C11TQ-RK | 环置齿 (D型) | 152.4 | 11 | 565 | 540.9 | 18 | 210 | 140 | 90 | 130 | 47 | 请咨询 | 请咨询 | |
| ACR810SS | ACR810SS-1C11TQ | 一体式 | 152.4 | 11 | 565 | 540.9 | 18 | 200 | 130 | 80 | 125 | 55 | DXF・3DCAD | 请咨询 |
| ACR810SS-1C11TQ-BK | 块替牙 | 152.4 | 11 | 565 | 540.9 | 18 | 200 | 130 | 80 | 125 | 55 | DXF・3DCAD | 请咨询 | |
| ACR810SS-1C11TQ-RK | 环置齿 (D型) | 152.4 | 11 | 565 | 540.9 | 18 | 200 | 130 | 80 | 125 | 55 | 请咨询 | 请咨询 | |
| ACR815 | ACR815-1C11TQ | 一体式 | 152.4 | 11 | 567 | 540.9 | 22 | 210 | 140 | 90 | 130 | 53 | DXF・3DCAD | 请咨询 |
| ACR815-1C11TQ-BK | 块替牙 | 152.4 | 11 | 567 | 540.9 | 22 | 210 | 140 | 90 | 130 | 53 | DXF・3DCAD | 请咨询 | |
| ACR815-1C11TQ-RK | 环置齿 (D型) | 152.4 | 11 | 567 | 540.9 | 22 | 210 | 140 | 90 | 130 | 53 | 请咨询 | 请咨询 | |
| ACR816 | ACR816-1C11TQ | 一体式 | 152.4 | 11 | 566 | 540.9 | 22 | 210 | 140 | 90 | 130 | 53 | DXF・3DCAD | 请咨询 |
| ACR816-1C11TQ-BK | 块替牙 | 152.4 | 11 | 566 | 540.9 | 22 | 210 | 140 | 90 | 130 | 53 | 请咨询 | 请咨询 | |
| ACR816-1C11TQ-RK | 环置齿 (D型) | 152.4 | 11 | 566 | 540.9 | 22 | 210 | 140 | 90 | 130 | 53 | 请咨询 | 请咨询 | |
| ACR819 | ACR819-1C11TQ | 一体式 | 152.4 | 11 | 570 | 540.9 | 22 | 210 | 140 | 90 | 130 | 53 | DXF・3DCAD | 请咨询 |
| ACR819-1C11TQ-BK | 块替牙 | 152.4 | 11 | 570 | 540.9 | 22 | 210 | 140 | 90 | 130 | 53 | DXF・3DCAD | 请咨询 | |
| ACR819-1C11TQ-RK | 环置齿 (D型) | 152.4 | 11 | 570 | 540.9 | 22 | 210 | 140 | 90 | 130 | 53 | 请咨询 | 请咨询 | |
ACS型 (ACS型链信息此处)
| 适用链条尺寸 | 链轮型号 | 类型 | 间距 P |
齿数 | 外径 ΦDO |
节距圆 直径 ΦDP |
齿宽 T |
轮毂尺寸 (参考值) | 预留孔 d (参考值) |
轴径 (参考值) |
约 质量 kg |
DXF图形 3D CAD数据 |
PDF图纸 | |
|---|---|---|---|---|---|---|---|---|---|---|---|---|---|---|
| 直径ΦDH | 长L | |||||||||||||
| ACS13078W | ACS13078W-1C11TQ | 一体式 | 78.11 | 11 | 300 | 277.3 | 22 | 140 | 110 | 60 | 85 | 15 | DXF・3DCAD | 请咨询 |
| ACS13078W-1C11TQ-BK | 块替牙 | 78.11 | 11 | 300 | 277.3 | 22 | 140 | 110 | 60 | 85 | 15 | 请咨询 | 请咨询 | |
| ACS13078W-1C11TQ-RK | 环形替换齿 | 78.11 | 11 | 300 | 277.3 | 22 | 140 | 110 | 60 | 85 | 15 | 请咨询 | 请咨询 | |
| ACS13103W | ACS13103W-1C11TQ | 一体式 | 103.2 | 11 | 390 | 366.3 | 22 | 150 | 110 | 50 | 90 | 22 | DXF・3DCAD | 请咨询 |
| ACS13103W-1C11TQ-BK | 块替牙 | 103.2 | 11 | 390 | 366.3 | 22 | 150 | 110 | 50 | 90 | 22 | DXF・3DCAD | 请咨询 | |
| ACS13103W-1C11TQ-RK | 环形替换齿 | 103.2 | 11 | 390 | 366.3 | 22 | 150 | 110 | 50 | 90 | 22 | 请咨询 | 请咨询 | |
| ACS13152W | ACS13152W-1C11TQ | 一体式 | 152.4 | 11 | 565 | 540.9 | 22 | 150 | 130 | 60 | 90 | 36 | DXF・3DCAD | 请咨询 |
| ACS13152W-1C11TQ-BK | 块替牙 | 152.4 | 11 | 565 | 540.9 | 22 | 150 | 130 | 60 | 90 | 36 | DXF・3DCAD | 请咨询 | |
| ACS13152W-1C11TQ-RK | 环形替换齿 | 152.4 | 11 | 565 | 540.9 | 22 | 150 | 130 | 60 | 90 | 36 | 请咨询 | 请咨询 | |
| ACS15152W | ACS15152W-1C11TQ | 一体式 | 152.4 | 11 | 565 | 540.9 | 22 | 170 | 130 | 60 | 105 | 44 | DXF・3DCAD | 请咨询 |
| ACS15152W-1C11TQ-BK | 块替牙 | 152.4 | 11 | 565 | 540.9 | 22 | 170 | 130 | 60 | 105 | 44 | DXF・3DCAD | 请咨询 | |
| ACS15152W-1C11TQ-RK | 环形替换齿 | 152.4 | 11 | 565 | 540.9 | 22 | 170 | 130 | 60 | 105 | 44 | 请咨询 | 请咨询 | |
| ACS19152W | ACS19152W-1C11TQ | 一体式 | 152.4 | 11 | 565 | 540.9 | 25 | 210 | 140 | 80 | 130 | 51 | DXF・3DCAD | 请咨询 |
| ACS19152W-1C11TQ-BK | 块替牙 | 152.4 | 11 | 565 | 540.9 | 25 | 210 | 140 | 80 | 130 | 51 | DXF・3DCAD | 请咨询 | |
| ACS19152W-1C11TQ-RK | 环形替换齿 | 152.4 | 11 | 565 | 540.9 | 25 | 210 | 140 | 80 | 130 | 51 | 请咨询 | 请咨询 | |
| ACS25152W | ACS25152W-1C11TQ | 一体式 | 152.4 | 11 | 570 | 540.9 | 25 | 210 | 140 | 80 | 130 | 51 | DXF・3DCAD | 请咨询 |
| ACS25152W-1C11TQ-BK | 块替牙 | 152.4 | 11 | 570 | 540.9 | 25 | 210 | 140 | 80 | 130 | 51 | DXF・3DCAD | 请咨询 | |
| ACS25152W-1C11TQ-RK | 环形替换齿 | 152.4 | 11 | 570 | 540.9 | 25 | 210 | 140 | 80 | 130 | 51 | 请咨询 | 请咨询 | |
| ACS35152W | ACS35152W-1C11TQ | 一体式 | 152.4 | 11 | 570 | 540.9 | 32 | 210 | 140 | 80 | 130 | 62 | DXF・3DCAD | 请咨询 |
| ACS35152W-1C11TQ-BK | 块替牙 | 152.4 | 11 | 570 | 540.9 | 32 | 210 | 140 | 80 | 130 | 62 | DXF・3DCAD | 请咨询 | |
| ACS35152W-1C11TQ-RK | 环形替换齿 | 152.4 | 11 | 570 | 540.9 | 32 | 210 | 140 | 80 | 130 | 62 | 请咨询 | 请咨询 | |
お問合せ先について
ホームページからのお問合せ
中国語でのお問い合わせは、つばきグループホームページの問合せページを開きます。
英語でのお問い合わせは、つばきグループホームページの問合せページを開きます。





