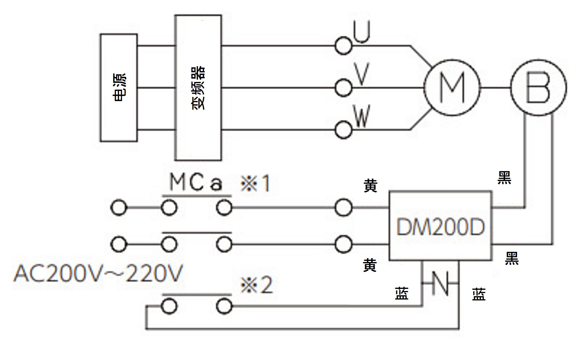
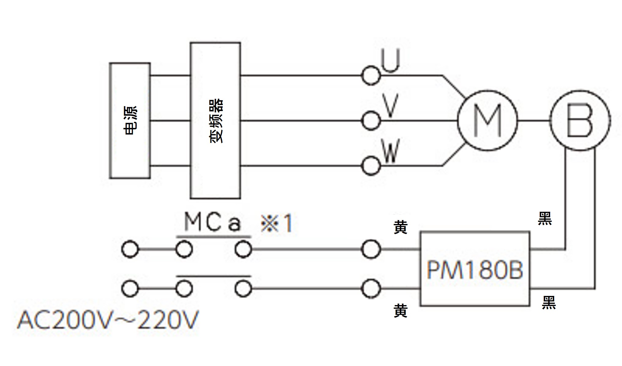
技术资料高速升降机链式作动机电机接线
三相电机接线和升降方向
三相电机接线(仅适用于变频器控制)
3.7kW
基本频率应设置为60Hz。
5.5kW
基本频率应设置为60Hz。
(M):电机 (B):制动器 MC:电磁接触器 MCa:辅助继电器OCR:过电流继电器
DM200D、PM180B:DC模块--N--:保护元件(压敏电阻)
| 商品名称 | 制造商 | 型号 | ||
|---|---|---|---|---|
| 浪涌吸收器 | Panasonic | ERZV14D471 | ||
| 陶瓷压敏电阻 | Nippon Chemi-Con | TND14V-471KB00AAA0 | ||
- 注1制动电压为DC90V。(在DM200D和PM180B上输入200V交流电)
- 注2:使用3.7kW电机时,制动功率模块可能会因接线长度、接线方式、继电器类型等原因而损坏,因此请在直流另行断开端子之间连接一个压敏电阻。
- 注3:*1中的辅助继电器(MCa)必须具有AC200V7A或以上的触点容量(阻性负载)。
*2 如果使用 MC 辅助触点或辅助继电器,则触点容量必须为 AC200V10A 或以上(阻性负载)。 - 注4将电源连接到制动电源模块附近 (蓝色引线部分) 更为有效。具体的压敏电阻的型号如下所示,等价品的压敏电阻也可以使用。变阻器电压DM200D请选择470V的。
