技术资料高速升降机Lift Master搬运
收货、搬运、安装
本节介绍Lift Master的一般操作方法。
详情请参阅产品附带的使用说明书。
收货检查
收到Lift Master后,请检查以下项目。
如有任何问题或疑问,请联系您购买该产品的商店。
- ·铭牌上的 [1] TYPE (型号)、[2] MFG NO. (生产编号)、[3] DRAWING NO. (图纸编号) 是否与您要求的一致 (图1)
- ·运输过程中是否有损坏?
- ·螺钉或螺母是否松动?
(图1) 识别铭牌
如有疑问,请联系 [1] TYPE (型号)、[2] MFG NO. (制造编号)、[3] DRAWING NO. (图纸编号) 。
安装
1.安装注意事项
| ⚠ 警告 |
|
|---|
2.安装程序
(1) 请事先用水平仪确认安装面的刚性是否足够,是否处于水平状态。
*确保安装面水平,有助于Lift Master实现精确的站立。
| ⚠ 警告 |
|
|---|
(2) 吊起本体时,首先请打开包装箱,在本体上部的眼螺栓上挂上尼龙吊环等吊具,使本体立起来。
就那样在起立的状态下将主体吊起,移动到安装位置。
※吊起本体时,请根据交货图确认质量,使用适当的吊具。
※下图为参考图。实际外形见交货图。
| ⚠ 警告 |
|
|---|
(3) 用M16×4个螺栓 (强度等级10.9以上) 临时固定升降机本体。
*请在贵公司准备安装螺栓。
| ⚠ 警告 |
|
|---|
(4) 根据需要调整级别。
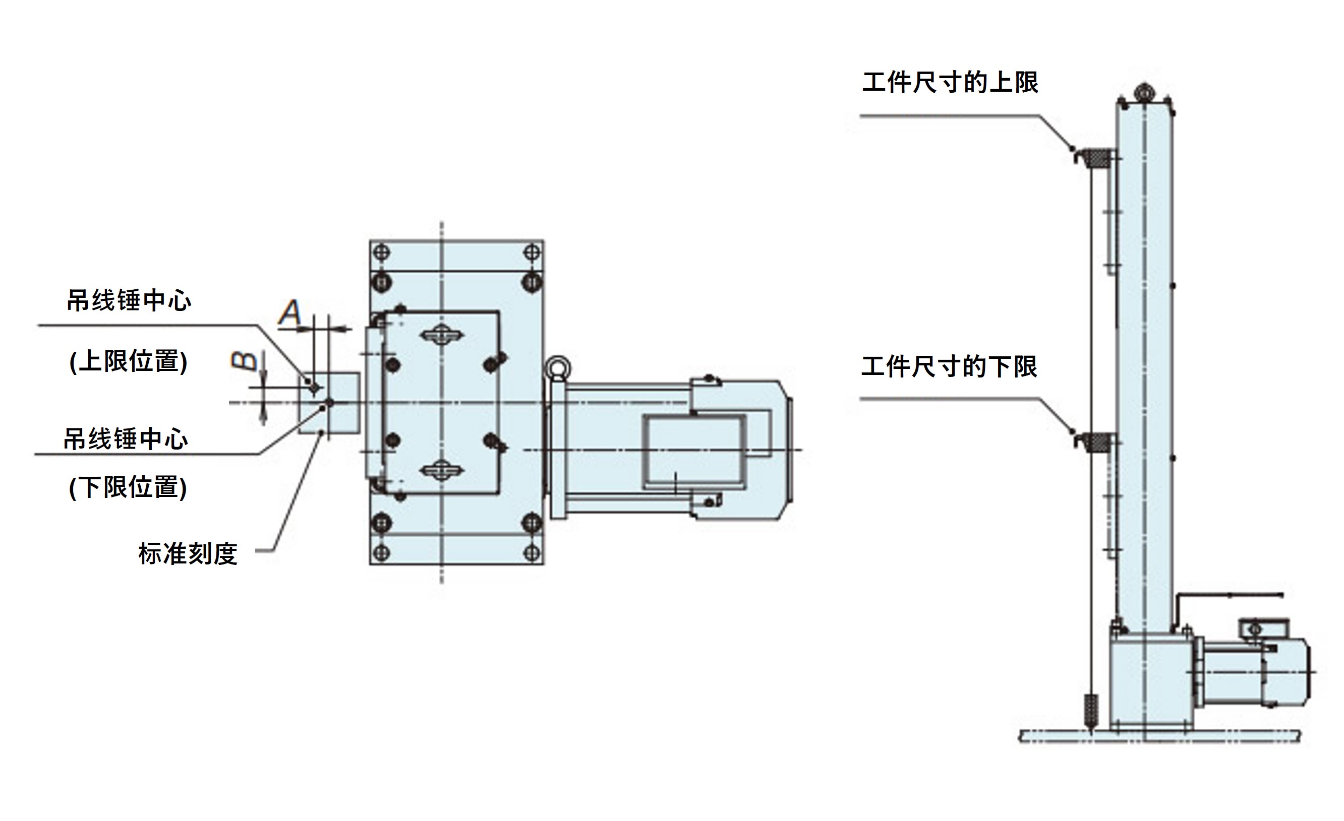
*要检查Lift Master的准确性,请使用铅锤或类似工具,如图右所示。
(调整Lift Master的上下限,使 A 和 B 尺寸的误差在 ±1 mm以内(大约)。)
(5) 调整水平后,请拧紧安装螺栓。(推荐拧紧扭矩289N・m)
(6) 实施试运行前,请确认安装螺栓的紧固状态没有问题。
[下摆图像]
