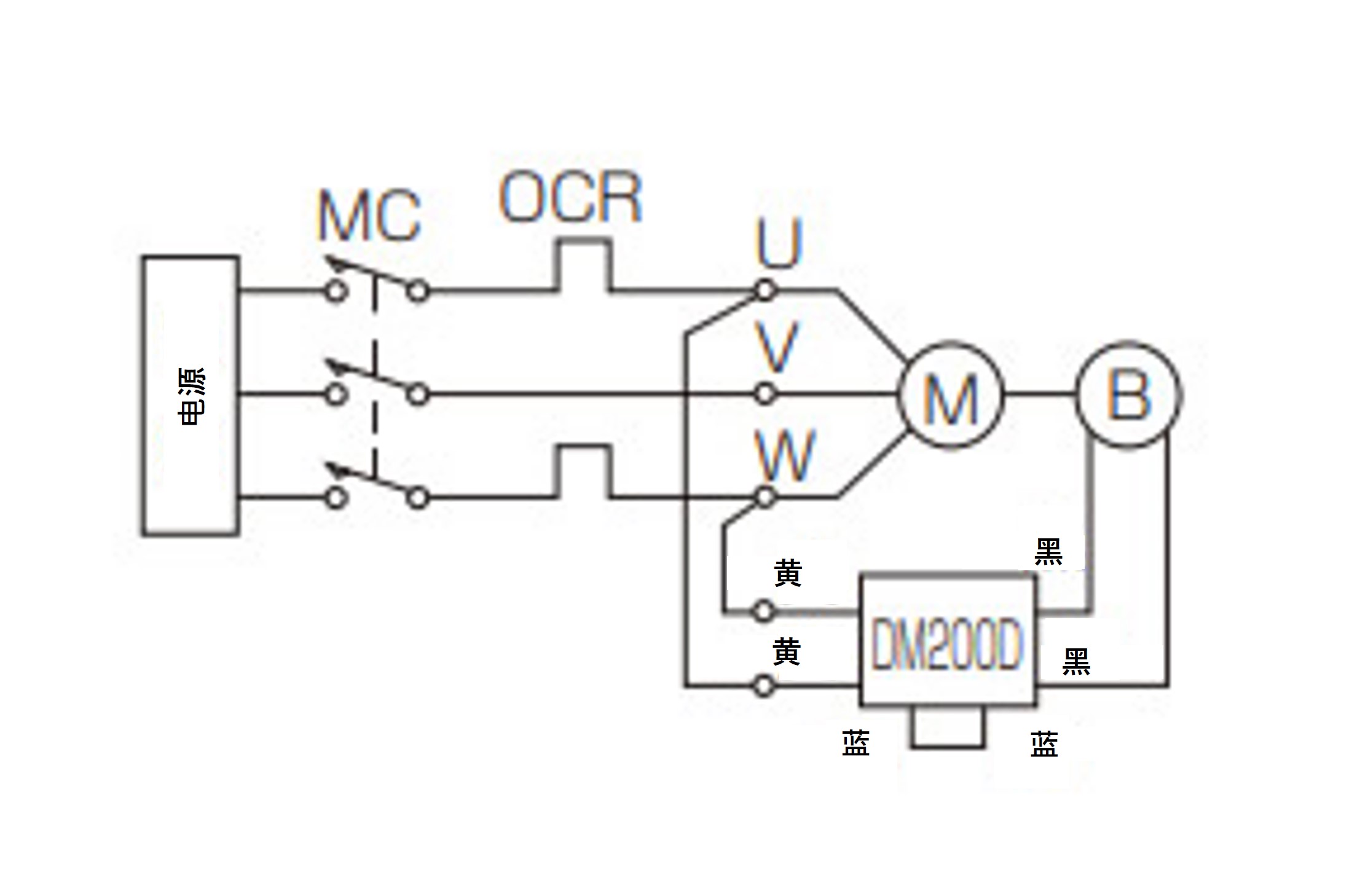
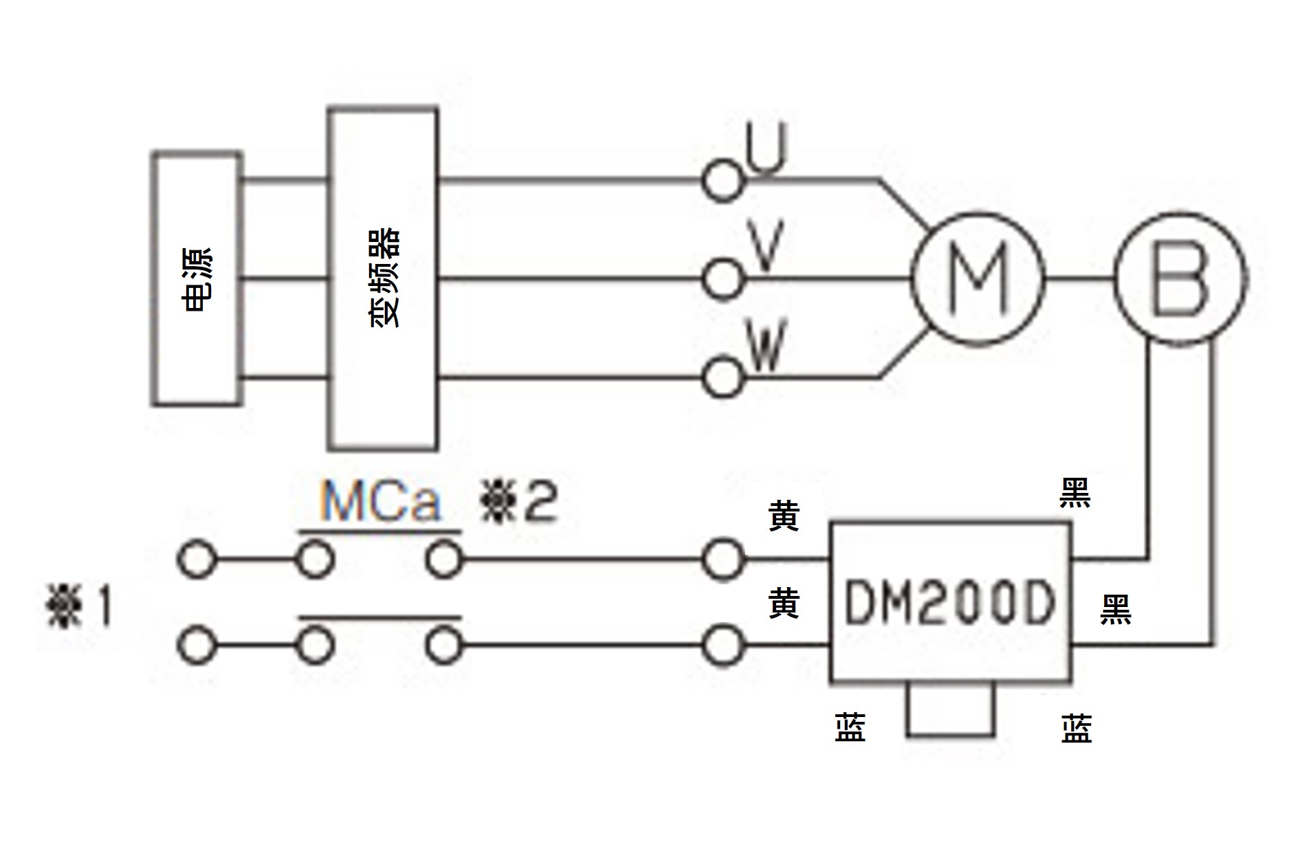
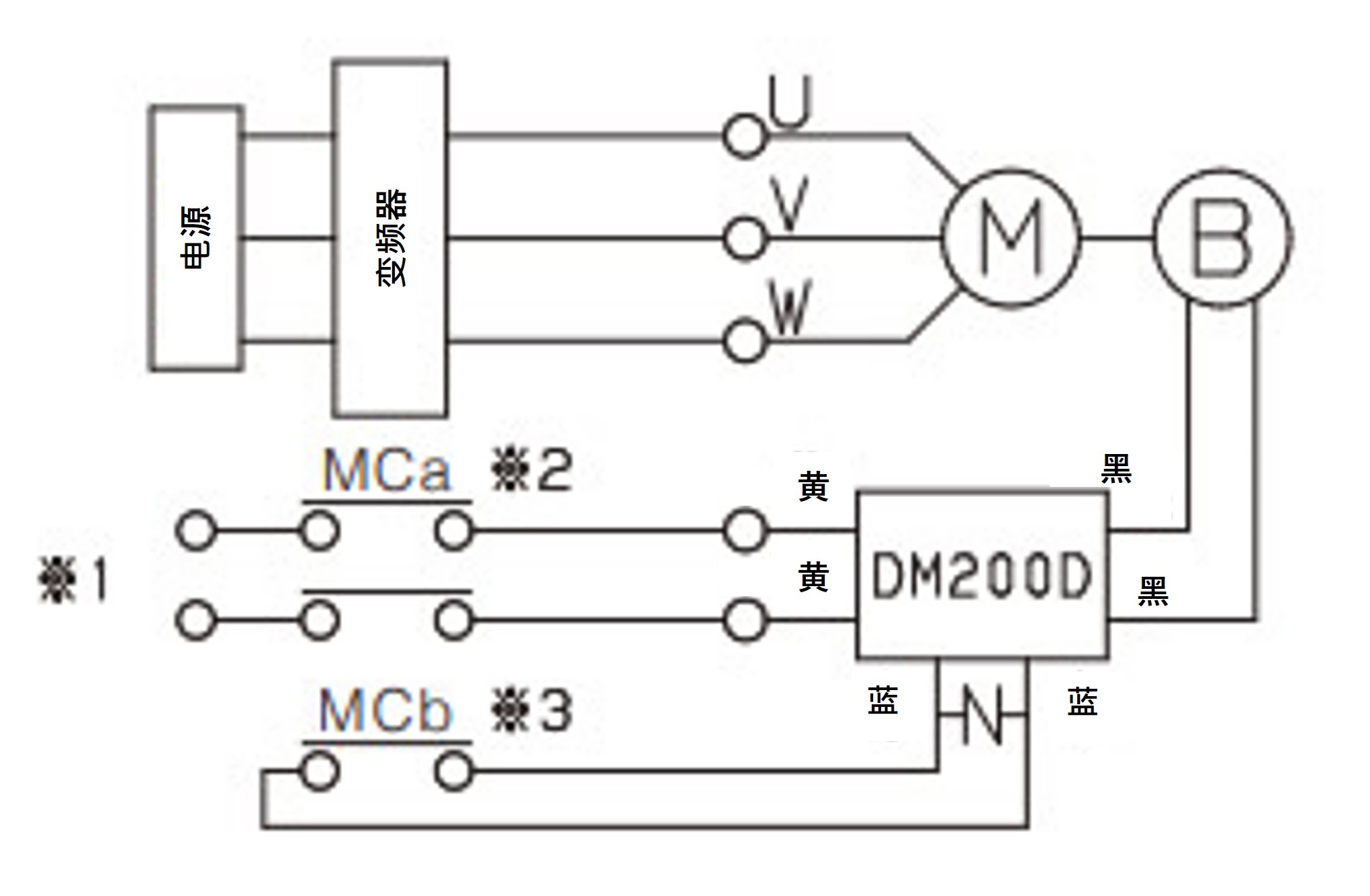
技术资料高速升降机Lift Master电机接线图(200V级)
电机接线(200V级)对于H速和U速,提升速度很快,因此请使用变频器控制来设置加/减速时间。
下图的正相连接中升降机的升降方向请确认各尺寸表。
| S速 | S 速、H 速、U 速(变频器驱动) | |
|---|---|---|
| 制动器同时断开 | 制动器交流另行操作 | 制动器交流另行操作+直流另行断开 (当需要精确停止时) |
![]() |
![]() |
![]() |
[M]:电机 [B]:制动器 MC:电磁接触器 MCa:辅助继电器OCR:过电流继电器 DM200D:DC模块--N--:保护元件(压敏电阻)
- 注1) 制动电压为DC90V。(200V交流电输入DM200D)
- 注2)当使用直流另行断开时,制动电源模块可能会因线路长度、接线方式、继电器类型等原因而损坏,因此请在直流另行断开端子之间连接一个压敏电阻。
- 注3)如果您使用功率为0.1kW至0.75kW的不同电压规格(例如AC230V)且交流另行操作,则制动器的供电电压会有所不同。请联系我们。
- 注 4)务必从变频器的主电源取制动电源,并确保制动操作与电机开/关同步。
- 注 5)打开和关闭 MCa 需要与变频器联锁,因此请参阅变频器的使用说明书。
- 注6) 将变阻器连接到制动电源模块附近 (蓝色引线部分) 更为有效。具体的压敏电阻的型号如下所示,等价品的压敏电阻也可以使用。变阻器电压DM200D请选择470V的。
- ※1号部位制动器的供给电压,0.1kW、0.2kW应为200V~254V交流电,0.4kW、0.75kW应为200V~220V交流电,1.5kW~2.2kW应为200V~230V交流电。
- *2辅助继电器(MCa)的触点容量必须为 AC200V7A 或更大(阻性负载)。
- *3 如果使用 MC 辅助触点或辅助继电器,触点容量必须为 AC200V10A 或以上(阻性负载)。
| 商品名称 | 制造商 | 型号 |
|---|---|---|
| DM200D时 | ||
| 浪涌吸收器 | Panasonic | ERZV14D471 |
| 陶瓷压敏电阻 | Nippon Chemi-Con | TND14V-471KB00AAA0 |
马达特性
带三相电动机
| 相数 | 输出 | 极数 | 频率Hz | 电压V | 额定电流A | 交流侧制动电流值 A (参考值) at 20°C |
|---|---|---|---|---|---|---|
| 三相 | 0.1kW | 4 | 50/60/60 | 200/200/220 (400/400/440) |
0.63/0.57/0.58 (0.32/0.29/0.29) |
0.12 |
| 0.4kW |
2.3/2.0/2.0 (1.2/1.0/1.0) |
0.16 | ||||
| 0.75kW | 50/60/60 (50/50/60/60) |
200/200/220 (380/400/400/440) |
4.0/3.5/3.4 (1.9/2.0/1.75/1.7) |
0.17 | ||
| 1.5kW |
6.5/6.1/5.8 (3.5/3.5/3.2/3.1) |
0.10 | ||||
| 2.2kW |
10.6/9.1/9.1 (5.2/5.4/4.6/4.6) |
0.10 |
注)带制动器时,制动器引线与电机引线连接的相位要加上上述制动器电流。
交流侧制动电流值为AC200V60Hz、AC100V60Hz时的值。
附带伺服马达
有关伺服电机的特性,请在确认“标准机型一览 (此处) ”的伺服电机型号名称后,参照电机制造商发行的资料。



