技术资料联轴器处理
夹爪式挠性L系列联轴器搬运
预留孔产品
1.轴孔加工、键槽加工
在对预留孔产品进行钻孔和键槽加工时,请按照以下步骤操作。
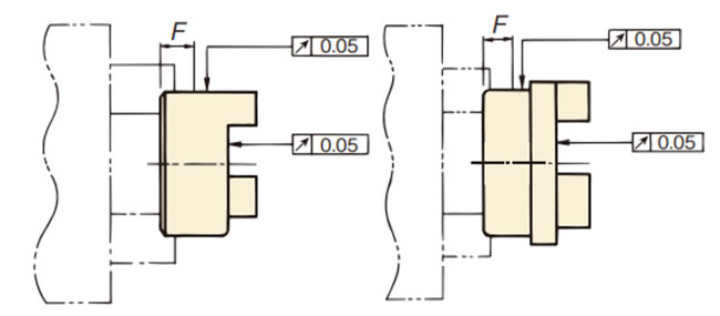
- (1) 夹紧毂部外径,并如图1所示进行找正加工。
烧结式轮毂和电镀式轮毂使用经过高温热处理的烧结铁合金材质,切削工具的刀具部分推荐使用(JIS记号9-20、K-01)的超硬材质。 (L190和L225为铸铁。) - (2)键槽的加工位置应避开爪状结构。表4列出了推荐的螺孔尺寸和位置。
- (3)对于轴孔加工公差,我们建议采用表 5 所示的间隙配合配合公差。避免采用会产生内部拉应力的安装方法,例如过盈配合动力锁。
图1.轴孔加工图
| 配合 | 配合 | 配合 | |||
|---|---|---|---|---|---|
| 轴公差 | 孔公差 | 轴公差 | 孔公差 | 轴公差 | 孔公差 |
| h6 h7 |
H7 | j6 j7 |
G7 | k6 k7 |
F7 |
| 烧结轮毂型,电镀规格 | 铝轮毂型 | |||||||||||||||||||
|---|---|---|---|---|---|---|---|---|---|---|---|---|---|---|---|---|---|---|---|---|
| 尺寸 | L035 | L050 | L070 | L075 | L090 | L095 | L099 | L100 | L110 | L150 | L190 | L225 | L050A | L070A | L075A | L090A | L095A | L100A | L110A | |
| L035F | L050F | L070F | L075F | L090F | L095F | L099F | L100F | L110F | L150F | L190F | L225F | |||||||||
| 螺孔尺寸 | M3 | M4 | M5 | M5 | M6 | M6 | M6 | M6 | M8 | M8 | M8 | M8 | M4 | M5 | M5 | M6 | M6 | M6 | M8 | |
| F(mm) | 3.0 | 8.00 | 9.5 | 10.5 | 10.5 | 12.5 | 13.5 | 12.5 | 20.5 | 17.5 | 25.5 | 25.5 | 8.0 | 9.5 | 10.5 | 10.5 | 10.5 | 17.0 | 20.5 | |
2.安装
- (1)在两个轴上放置轮毂和键。此时,请勿敲打轮毂或按键。键请好好磨合。
- (2) 固定螺丝请固定在两个地方。
- (3) 将刀片插入轮毂的一侧。
- (4) 装配两个轮毂时,确保两个轮毂的爪子端面与镶件端面共面。(图2)
- (5)此时,通过设置 S 尺寸(表 6)来校正不对中角(角度误差),使其在圆周上均匀分布,如图 3 所示。允许的不对中角(角度误差)θ 参见表 6。
- (6) 另外,如图3所示,请使直边接触轮毂外周,另外在相距约90°的2处使其在表6的ε值以下。镶件的使用寿命受对齐精度的影响很大。
图2
图3.定位图
| 尺寸 | 烧结轮毂 | L035 | L050 | L070 | L075 | L090 | L095 | L099 | L100 | L110 | L150 | L190 | L225 |
|---|---|---|---|---|---|---|---|---|---|---|---|---|---|
| 电镀规格 | L035F | L050F | L070F | L075F | L090F | L095F | L099F | L100F | L110F | L150F | L190F | L225F | |
| 铝制轮毂 | L050A | L070A | L075A | L090A | L095A | L100A | L110A | ||||||
| 容许偏心ε (mm) | 0.38 | 0.38 | 0.38 | 0.38 | 0.38 | 0.38 | 0.38 | 0.38 | 0.38 | 0.38 | 0.38 | 0.38 | |
| 允许角度偏差(角度误差)(θ°) | S, M款 | 1 | 1 | 1 | 1 | 1 | 1 | 1 | 1 | 1 | 1 | 1 | 1 |
| H款 | 0.5 | 0.5 | 0.5 | 0.5 | 0.5 | 0.5 | 0.5 | 0.5 | 0.5 | 0.5 | 0.5 | 0.5 | |
| S(mm) | 标准尺寸 | 0.6 | 1.9 | 1.7 | 1.7 | 1.7 | 1.7 | 1.7 | 1.9 | 2.3 | 2.0 | 2.3 | 2.3 |
| Endplay (轴向位移) | ±0.3 | ±0.5 | ±0.5 | ±0.5 | ±0.5 | ±0.5 | ±0.5 | ±0.7 | ±0.7 | ±0.7 | ±1.0 | ±1.0 | |
※铝制轮毂款式也可用于M型、H型,传递扭矩与S型相同。
- (7) 旋转速度超过2000r/m时,ε和θ的值推荐为表6的一半以下。
- (8) 另一种安装顺序是在轴上移动两个轮毂,使爪端面与镶件端面共面,如图4所示。对中的方法与 (5)、(6) 相同。对中后,请用右表 (表7) 的拧紧扭矩拧紧2处固定螺丝。
- (9) 为了防止固定螺丝松动,建议使用金属用粘合剂。
(推荐黏着剂:LockTite 262)
图4
| 固定螺丝 尺寸 |
M3 | M4 | M5 | M6 | M8 | M10 | M12 |
|---|---|---|---|---|---|---|---|
| 拧紧扭矩 N・m{kgf・m} |
0.78 {0.08} |
1.86 {0.19} |
3.63 {0.37} |
6.66 {0.68} |
16.2 {1.65} |
29.4 {3.0 } |
54.9 {5.6 } |
孔加工轮毂
1.安装前的确认
- (1) 轮毂现货上标有轴孔径、键的种类(J:新JIS键普通型,E:旧JIS键2种),请根据订购的尺寸确认轴孔径、键的种类。
- (2) 附带2个固定螺丝。
- (3) 轴孔直径Φ11以下没有键槽,因此使用2个固定螺丝进行安装。
- (4) 请确认安装轮毂的轴径公差是否符合表8的推荐公差。
| 配合 | 配合 | 配合 | |||
|---|---|---|---|---|---|
| 轴公差 | 孔公差 | 轴公差 | 孔公差 | 轴公差 | 孔公差 |
| h6 h7 |
H7 | j6 j7 |
G7 | k6 k7 |
+ 0.040 + 0.015 |
2.安装
请参阅上文关于安装预留孔部件的部分。
3.使用环境
- ·请尽量在通风良好的灰尘和湿气少的地方使用。
- ·请避免在有腐蚀性液体或气体的场所、易燃易爆的场所使用。
- ·请避免在室外使用。
4.检查
实际运行 1-2 小时后,重新检查赤纬(角度误差)和偏心率(平行误差)。
此外,请定期 (例如,每半年到一年) 检查部件异常和镶件磨损情况。
镶件是消耗品。请定期更换。
