技术资料减速机蜗轮减速机规格
制动器
1.制动特性
| 马达输出 | 三相 | 0.1kW | 0.2kW | 0.4kW | 0.75kW | 1.5kW | 2.2kW | 3.7kW | 5.5kW |
|---|---|---|---|---|---|---|---|---|---|
| 制动型号 | 三相200V | SLB01 | SLB02 | SLB04 | SLB07E | SLB15 | SLB22 | VNB371K NB-31190 | VNB55KE |
| 三相400V | SLB01 | SLB02 | SLB04V | SLB07E 180V | SLB15 180V | SLB22 180V | VNB371KV NB-31192 | VNB55KE | |
| DC模块 型号 |
三相200V | DM200D | DM200D | PM180B | |||||
| 三相400V | DM400D | ||||||||
| 额定转矩 | 静摩擦扭矩N·m | 0.98 | 1.96 | 3.92 | 7.35 | 15 | 22 | 37 | 55 |
| {kgf・m} | 0.1 | 0.2 | 0.40 | 0.75 | 1.50 | 2.20 | 3.77 | 5.61 | |
| 动摩擦扭矩N·m | 0.78 | 1.57 | 3.14 | 5.88 | 12.0 | 17.6 | 29.6 | 44 | |
| {kgf・m} | 0.08 | 0.16 | 0.32 | 0.60 | 1.20 | 1.79 | 3.02 | 4.48 | |
| 电压 | 三相200V | DC90V | DC90V | 瞬时180V 常时50V |
|||||
| 三相400V | DC180V | ||||||||
| 电流 at20°C A |
三相200V | 0.178 | 0.178 | 0.232 | 0.273 | 0.289 | 0.289 | 0.261 | 0.253 |
| 三相400V | 0.142 | 0.145 | 0.145 | 0.135 | |||||
| 容量 | at 20 ℃ W | 16.0 | 16.0 | 20.9 | 24.6/25.5 | 26.0/26.1 | 26.0/26.1 | 26.1/26.1 | 12.6/40.7 |
| 初始间隙mm | 0.15 ~ 0.20 | 0.15 ~ 0.20 | 0.15 ~ 0.20 | 0.15 ~ 0.20 | 0.15 ~ 0.20 | 0.15 ~ 0.20 | 0.3 | 0.35 | |
| 临界间隙mm | 0.5 | 0.5 | 0.5 | 0.5 | 0.5 | 0.5 | 1.2 | 1.2 | |
| 惯性矩kg·m 2 | 0.02×10-3 | 0.04×10-3 | 0.04×10-3 | 0.11×10-3 | 0.21×10-3 | 0.50×10-3 | 0.50×10-3 | 1.70×10-3 | |
| GD2 kgf ・m2 | 0.10×10-3 | 0.15×10-3 | 0.15×10-3 | 0.44×10-3 | 0.80×10-3 | 2.00×10-3 | 2.00×10-3 | 6.8×10-3 | |
| 总制动工作量J {kgf・m} |
1.31×108 | 1.85×108 | 1.85×108 | 3.66×108 | 3.73×108 | 3.73×108 | 13.5×108 | 24.7×108 | |
| 1.34×107 | 1.89×107 | 1.89×107 | 3.73×107 | 3.81×107 | 3.81×107 | 13.8×107 | 25.2×107 | ||
| 允许的启动频率 | 10次/分 | ||||||||
| 制动延迟时间 S (参考值) |
交流同时断开 | 0.18 ~ 0.25 | 0.15 ~ 0.21 | 0.14 ~ 0.17 | 0.20 ~ 0.24 | 0.30 ~ 0.45 | 0.30 ~ 0.45 | 0.50 ~ 0.70 (0.40 ~ 0.60) |
- |
| 交流另行断开 | 0.11 ~ 0.18 | 0.09 ~ 0.12 | 0.06 ~ 0.09 | 0.10 ~ 0.13 | 0.10 ~ 0.13 | 0.10 ~ 0.13 | 0.20 ~ 0.40 | - | |
| 交流另行操作 | 0.11 ~ 0.18 | 0.09 ~ 0.12 | 0.06 ~ 0.09 | 0.10 ~ 0.13 | 0.10 ~ 0.13 | 0.10 ~ 0.13 | 0.20 ~ 0.40 | 0.03 ~ 0.05 | |
| 直流另行断开 | 0.05 ~ 0.07 | 0.04 ~ 0.06 | 0.03 ~ 0.05 | 0.04 ~ 0.06 | 0.01 ~ 0.06 | 0.01 ~ 0.06 | - (0.02 ~ 0.04) |
- | |
- 注1) 额定扭矩表示磨合后的静摩擦扭矩、动摩擦扭矩。
- 注2)制动延迟时间是一个参考值,可能会因制动条件、使用条件、个人差异等而有所不同。如果您想缩短制动延迟时间(用于起重设备等),我们建议直流另行断开。
- 注3) 电流、容量为200V时/400V时的值。
2. 整流器(DC模块)
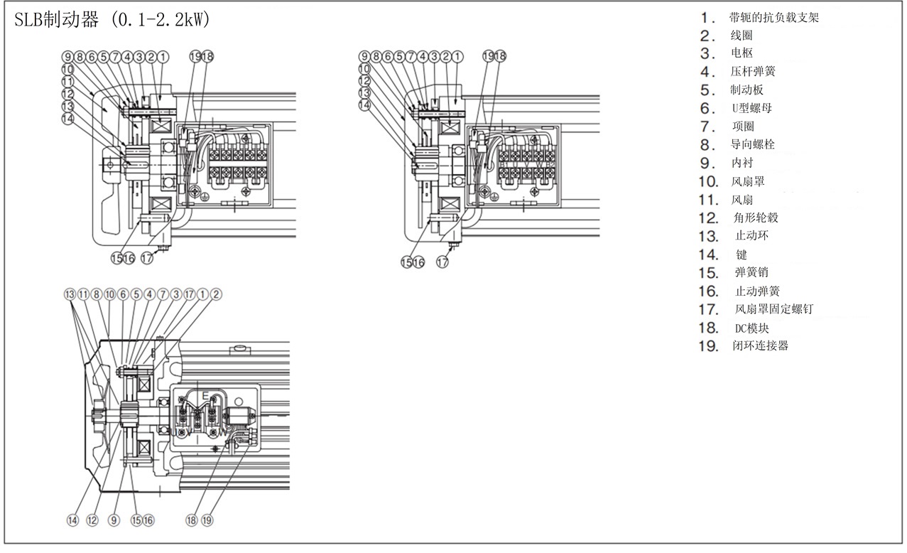
3.制动器结构
※手动释放 [标准配置:0.1kW至2.2kW]
- ·请在输出轴上没有负荷的状态下进行释放操作。
- ·卸下风扇盖并安装螺钉。
- ·操作结束后,请务必卸下螺钉并安装风扇盖,然后再开始运行。

注)1.5kW和2.2kW是M6螺钉。
