技术资料减速机小齿轮电机搬运
本节介绍齿轮减速电机、准双曲面齿轮减速电机和Croise减速电机的一般操作方法。
详情请参阅产品附带的使用说明书。
安装
1.安装方向
- ・齿轮减速电机、准双曲面齿轮减速电机、迷你系列
安装方向没有限制。水平、垂直、倾斜方向均可安装。
- -Croise减速电机
- CSMA·CSMR系列
13 至 28 号减速机框架的安装方向没有限制。它们可以以任何方向安装,水平、垂直或倾斜安装。
32 至 50 尺寸的减速机接头标准安装方向为水平。如果您需要不同的安装方向,请在订购时注明。 - HCMA·HCMR系列
标准为水平安装。其他安装方向时,请在安排时说明。
- CSMA·CSMR系列
安装
1.脚安装型
- ·请使用受运转振动影响小的坚固且平面度好的安装台,清除安装面的灰尘、异物后,用4个螺栓牢固固定。
- - 使用联轴器连接时,务必确保轴正确居中。轴的偏心会缩短轴承、齿轮和轴的使用寿命,还会导致噪音和振动。
- ·请正确对链子和传动带进行对中,调整张力,避免输出轴承受规定值以上的负荷。
- - 连接时,请注意不要用力敲击输出轴、联轴器、皮带轮或链轮,因为这可能会损坏输出轴轴承。
2.法兰安装型
- ·法兰安装型应使用受运转振动影响小的坚固且平面度好的产品,清除安装面的灰尘、异物后,请用4根螺栓牢固固定。
- - 使用联轴器连接时,务必确保轴正确居中。轴的偏心会缩短轴承、齿轮和轴的使用寿命,还会导致噪音和振动。
- ·请正确对链子和传动带进行对中,调整张力,避免输出轴承受规定值以上的负荷。
- - 连接时,请注意不要用力敲击输出轴、联轴器、皮带轮或链轮,因为这可能会损坏输出轴轴承。
3.面安装型
- ·安装在机器主体上时,请使用外壳的水龙头。
- - 使用联轴器连接时,务必确保轴正确居中。轴的偏心会缩短轴承、齿轮和轴的使用寿命,还会导致噪音和振动。
- ·请正确对链子和传动带进行对中,调整张力,避免输出轴承受规定值以上的负荷。
- - 连接时,请注意不要用力敲击输出轴、联轴器、皮带轮或链轮,因为这可能会损坏输出轴轴承。
4.空心轴形
4-1.从动轴上的安装
- ·中空轴内径公差由JISH8制造。从动轴的光洁度在通常情况下为h7,在冲击或径向负荷较大时,请将配合稍微拧紧到js6或k6左右。
- ·安装在从动轴上时,请在从动轴表面及中空输出轴内径涂布二硫化钼润滑脂后插入。
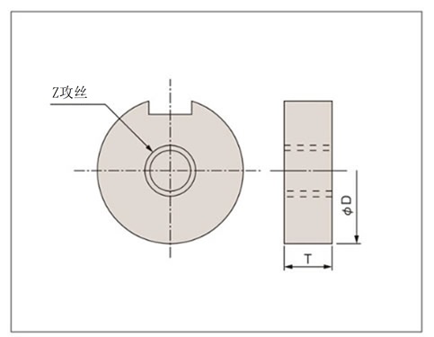
- ·如右记所示制作夹具后使用,即可顺利插入。
4-2.固定在从动轴上
A.从动轴有台阶时
如下图所示制作端板,固定中空输出轴和从动轴。
B.从动轴没有台阶时的例子
有两种固定方法:。
4-3.扭力臂止转
・使用内六角螺栓将扭矩臂连接到准双曲面准双曲面齿轮减速电机的驱动机侧。
扭矩臂的防旋转部分必须在准双曲面齿轮减速电机和从动轴之间留有一定的活动空间,并且绝对不能用防旋转螺栓固定扭矩臂。活动空间不足会导致减速机内部轴承损坏。
起动频率较高及正反反复运行时等,在扭矩臂与防转螺栓 (或垫片) 之间安装橡胶衬套可缓和冲击。
4-4.从动轴移除
- ·从空心输出轴中拔出从动轴,以避免在外壳和空心输出轴之间施加额外的力。
- ·制作右记的夹具使用的话,可以顺利地取下来。
钢板推荐尺寸 (HMMT·HMTA·HMTR·Close)
| 对象商品 (代表框号) |
输出空心轴孔径 | 链板 | 止动环尺寸 | ||
|---|---|---|---|---|---|
| ΦD | T | Z | |||
| HMMT40 | Φ18 | 17.5 | 8 | M8 | C18 |
| HMTA-20框架 | Φ20 | 19.5 | 6 | M8 | C20 |
| HMMT60・90 | Φ22 | 21.5 | 8 | M8 | C22 |
| CSMA-16框架 | Φ25 | 24.5 | 9 | M10 | C25 |
| HMTA-30边框 CSMA-22边框 |
Φ30 | 29.5 | 9 | M12 | C30 |
| HMTA-35框架 | Φ35 | 34.5 | 12 | M12 | C35 |
| CSMA-28框架 | Φ40 | 39.6 | 12 | M12 | C40 |
| HMTA-45框架 | Φ45 | 44.5 | 15 | M16 | C45 |
| CSMA-32框架 | Φ50 | 49.5 | 12 | M16 | C50 |
| HMTA-55框架 | Φ55 | 54.5 | 18 | M18 | C55 |
| CSMA-40框架 | Φ70 | 69.5 | 14 | M24 | C70 |
