技术资料减速机小型齿轮电机 电机规格
连接/旋转方向
1.连线
| 带三相电机 (40W~5.5kW) | 附单相电机 (40W~90W) | ||
|---|---|---|---|
![]() |
![]() |
![]() |
![]() |
| A | B | A | B |
注)单相马达采用电容器起动方式。电容器附在产品上,请接线后使用。
2.旋转方向
下图箭头显示连接A时从输出轴的方向。
对于连接B,沿与箭头相反的方向旋转。
齿轮减速电机
| 二级减速 |
|---|
![]() |
| 三级减速 |
![]() |
准双曲面齿轮减速电机
| 2级、4级减速 |
|---|
![]() |
| 三级减速 |
![]() |
Croise减速电机
| CSMA系列 |
|---|
![]() |
| HCMA系列 |
![]() |
准双曲面齿轮减速电机
| 二级减速 |
|---|
![]() |
| 三级减速 |
![]() |
制动马达的接线
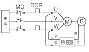
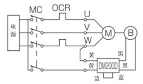
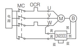
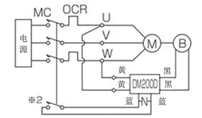
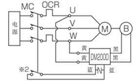
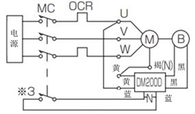
1. 200V级:0.1kW至5.5kW [齿轮减速电机、准双曲面齿轮减速电机、Croise减速电机]
- ・标准产品出厂时均配备交流同时断开。
- ·由于响应时间因接线而异,请参考下图并根据用途进行选择。
| 用途 | 齿轮减速电机、准双曲面齿轮减速电机、Croise减速电机 | |||
|---|---|---|---|---|
| 三相200V 0.1kW~0.55kW |
三相200V 0.75kW~3.7kW |
三相200V 5.5kW |
||
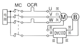
| 交流同时断开 |
|
![]() |
![]() |
![]() |
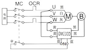
| 交流另行断开 |
|
![]() |
![]() |
![]() |
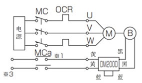
| 交流另行操作 |
|
※3印部位制动器的供给电压, |
※3印部位制动器的供给电压, |
![]() |
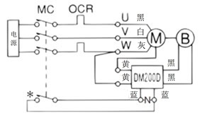
| 直流另行断开 |
|
![]() |
![]() |
- |
- M:电机
- B:制动器
- MC:电磁接触器
- MCa:辅助继电器
- OCR:过流继电器
- DM200D、PM180B:DC模块
- -N-:保护元件 (压敏电阻)
- 注1) 制动电压为DC90V。(在DM200D和PM180B上输入200V交流电)
- 注2)使用直流另行断开时,制动电源模块可能会因线路长度、接线方式、继电器类型等因素而损坏,因此需要在直流另行断开端子之间连接一个压敏电阻。最好将其连接在靠近制动电源模块的位置(蓝色引线)。具体压敏电阻型号如下所示,但也可以使用等效的压敏电阻。对于DM200D,请选择470V的压敏电阻。
商品名称 制造商 型号 DM200D时 浪涌吸收器 Panasonic ERZV14D471 陶瓷压敏电阻 Nippon Chemi-Con TND14V-471KB00AAA0 - 注3) 请使用触点容量AC200V7A以上 (电阻负荷) 的※1中的辅助继电器 (MCa) 。
※2使用MC的辅助接点或辅助继电器时,接点容量请在AC200V10A以上 (电阻负荷) 。
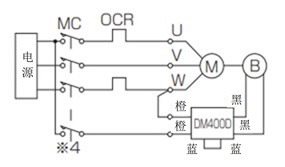
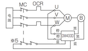
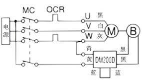
2. 400V级:0.1kW至5.5kW [齿轮减速电机、准双曲面齿轮减速电机、Croise减速电机]
- ・标准产品出厂时均配备交流同时断开。(*5.5kW规格的产品请另行咨询。)
- ·由于响应时间因接线而异,请参考下图并根据用途进行选择。
| 用途 | 齿轮减速电机、准双曲面齿轮减速电机、Croise减速电机 | |||
|---|---|---|---|---|
| 三相400V 0.1kW~0.55kW |
三相400V 0.75kW~3.7kW |
三相400V 5.5kW |
||
| 交流同时断开 |
|
![]() |
![]() |
- |
| 交流另行断开 |
|
![]() |
![]() |
- |
| 交流另行操作 |
|
注意:务必将带封闭端连接器的棕色 (N) 电线与接线端子绝缘。 |
0.75kW・3.7kW为380V~440V交流电 |
![]() |
| 直流另行断开 |
|
![]() |
![]() |
- |
- M:电机
- B:制动器
- MC:电磁接触器
- MCa:辅助继电器
- OCR:过流继电器
- DM200D、DM400D、PM180B:DC模块
- -N-:保护元件 (压敏电阻)
- 注1) 制动电压为DC90V。(200V交流电输入DM200D)
- 注2)使用直流另行断开时,制动电源模块可能会因线路长度、接线方式、继电器类型等因素而损坏,因此需要在直流另行断开端子之间连接一个压敏电阻。将其连接在靠近制动电源模块(蓝色引线)的位置效果更佳。具体压敏电阻型号如下所示,但也可以使用等效型号的压敏电阻。对于DM200D,请选择470V的压敏电阻。(DM400D内置压敏电阻,无需外接。)
商品名称 制造商 型号 DM200D时 浪涌吸收器 Panasonic ERZV14D471 陶瓷压敏电阻 Nippon Chemi-Con TND14V-471KB00AAA0 - 注3)5.5kW DC模块PM180B作为附件发货,因此客户必须自行接线。尺寸图在此处发布。
- 注 4) *2 中的辅助继电器(MCa) 必须具有 AC200V7A 或以上的触点容量(阻性负载)。
*3 如果使用 MC 辅助触点或辅助继电器,触点容量必须为 AC200V10A 或以上(阻性负载)。
*4 对于辅助继电器(MCa),请使用触点电压为 AC400 至 440V,感性负载为 1A 或以上的继电器。
*5辅助继电器(MCa) 应将两到三个单元串联使用,触点电压为 AC400 至 440V,感性负载为 1A 或以上。
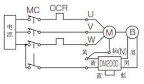
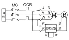
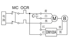
3. 40W、60W、90W [准双曲面齿轮减速电机迷你系列]
- ・标准产品出厂时均配备交流同时断开。
- ·由于响应时间因接线而异,请参考下图并根据用途进行选择。
| 用途 | 三相电机标准电压 200V级 |
三相电机倍电压 400V级 |
单相电机 100V |
|
|---|---|---|---|---|
| 交流同时断开 |
|
![]() |
![]() |
![]() |
| 交流另行断开 |
|
![]() |
![]() |
![]() |
| 交流另行操作 |
|
![]() |
注意:务必剪掉与封闭端连接器连接的 N 部分,并对 N 部分进行绝缘处理。 |
![]() |
| 直流另行断开 |
|
![]() |
![]() |
![]() |
- M:电机
- B:制动器
- MC:电磁接触器
- MCa:辅助继电器
- OCR:过流继电器
- C:电容器 (配件)
- DM200D、DM100A:DC模块
- -N-:保护元件 (压敏电阻)
- 注 1)接线完成后,在接通电源之前,请确保DC模块的黄色(或红色)引线接在电源侧,黑色引线接在制动侧。
- 注2)DC模块内置二极管,因此如果由于接线错误导致短路,DC模块将会损坏。
- 注3) 请根据需要在每个触点添加保护元件。
- 注 4)使用变频器时,请勿将其用于交流另行操作以外的电路。
- 注5)使用直流另行断开时,制动电源模块可能会因线路长度、接线方式、继电器类型等因素而损坏,因此需要在直流另行断开端子之间连接一个压敏电阻。最好将其连接在靠近制动电源模块的位置(连接到蓝色引线)。具体的压敏电阻型号如下,但也可以使用等效的压敏电阻。对于DM200D,请选择470V的压敏电阻。
商品名称 制造商 型号 DM100A、DM200D时 浪涌吸收器 Panasonic ERZV14D471 陶瓷压敏电阻 Nippon Chemi-Con TND14V-471KB00AAA0 - 注6) 单相电机运转用电容器
40W:15μF、60W:18μF、90W:27μF (均为耐压220V) 。 - 注7) 关于单相200V请咨询。
※电机发热
电机运行时,电机的内部损失全部变成热量,电机发热。
特别是单相电容运行型电机,负荷率低时发热高,根据条件有时在运行中电机外罩温度会超过90°C,但并非异常。
如果不小心碰到电机或将可燃物放置在附近,可能会导致意外事故,请充分注意。







































