小型输送链搬运技术资料

如何切割链条

如果您想改变所购链条的长度,请按照以下步骤切断和连接链条。

1.用研磨机削销钉的铆钉部分

使用砂轮机将外链节(带附件的那一侧)上的两个销钉的末端磨平,直到它们与外板齐平。

切记不要在研磨过程中使链条过热(图6和7)。

特别是对于Lambda链条,要缓慢操作,以避免油浸衬套过热。

アタッチメント付チェーン

图 6. 带附件的链条

ピンの端部を削る

图7.切削销钉的端部

2.在链钳和支架上设置链子

(1)S型滚轮(带A、SA、EP、GNK1附件)

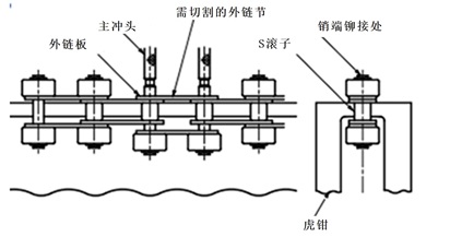
将附件面朝上,将要拆卸的零件的滚轮穿过链式虎钳的凹槽,并用链式虎钳的钳口轻轻拧紧(图 8 和图 9)。

チェーンバイスにチェーンをセット

图8.在链钳上设置链

チェーンをセットした断面

图9.设置链时的截面

(2)S型辊筒(带K、SK附件),R型辊筒(带K、SK附件),塑料R型辊筒,塑料组合链条(带附件)

此类型的链条在如图11-1所示的支座上承接链条。

另一种方法是将要拔出的销子部分放在链钳的末端,仅限于钢制S滚子型 (图11-2) 。

在任何情况下,为了使链条稳定,请在前后准备适当的支承台 (图10) 。

这种方法可以分离任何附件,但需要更大的力才能拔出销钉(第 3 项)。

受け台と支え台

图10.支座和支座

受け台の断面

图11-1.支承座的截面

チェーンバイスを使用

图11-2.使用链钳

(3)R 型辊(A、SA、EP,带附件)……塑料滚子不适用。

使用链式虎钳夹住没有附件一侧的板,并支撑 R 滚轮(图 13)。

此时,也请在前后准备适当的支承台 (图12) 。

チェーンバイスと支え台

图12链钳和支架

チェーンをセットした断面

图13.设置链条的截面

3.拔出销钉

  • (1) 将与链条尺寸相匹配的主冲头(参见“传动链和链轮”产品目录配件部分)套在用砂轮机磨平的销钉头上,然后用锤子敲击主冲头的头部。此时,交替敲击,使外链节上的两个销钉平行伸出。继续敲击,直到销钉即将从外侧链节中脱出(图 14)。
    一次パンチでピンをたたく

    图14.用一次冲头敲击销钉

  • (2) 使用辅助冲子(参见“传动链和链轮”产品目录附件部分)和锤子,从链节上拆下一对销钉。检查销钉拆卸位置的衬套是否从内板中脱出或变形。如果衬套脱出或变形,请勿使用该部件。

4. 如何切割塑料组合链条链(不带附件链条)

  • (1)用支架托住链条的外板,用专用冲头 (见图) 按住销头,然后用锤子轻轻敲击冲头 (图15) 。
  • (2)这个时候如果对工程塑料部分施加很大的力,可能会损坏,所以请注意。
    プラコンビを受け台にセットした断面

    图15. 支架上塑料组合链条装置的横截面图

    プラコンビの分解

    图 16.塑料组合链条的拆卸

安全注意事项

  • 1.对于铆钉销的一端,务必使用研磨机将铆钉部分削掉。就那样拔掉的话,反而会费事,弄坏链子。
  • 2.切勿重新使用卸下的部件。

5.如何切割倍速链

倍速チェーンの切り方
  • (1)用手持砂轮机将要切割外链节销端的铆钉去除。
  • (2)将倍速链(如果链条有盖罩,则在切断端拆下约三个链节的盖罩)放入链条钳(或同等工具)中,并使用主冲头或类似工具将销钉敲入,直到上外板脱落。
  • (3)也可以用叉状工具和链钳来切。
倍速チェーンの切り方

6.如何切割带侧置滚子链条

主体滚子为S型的切法

下面列出的是侧置滚子的塑料组合链条。

主体滚子为S型的切法
  • (1)决定要剪断哪个外链节并做好标记。
  • (2)如上图所示,在链钳 (另售商品) 上安装链条,用手工研磨机等削掉销端部的铆钉 (一侧的2处) 。
  • (3) 使用比链条销直径略细的销钉(相当于主冲头,需另行购买)来移除两个销钉。销钉稍稍移除后,即可移除两个上侧置滚子。(上图显示了已移除侧置滚子。)
  • (4)用较小的锤子直接敲击销钉,直到销钉末端到达外板顶面。此时,交替敲击销钉,使两个销钉被等量敲出。
    务必注意不要刮伤左右侧置滚子。
  • (5)使用一次冲孔,拔出两个销子,直到上面的外板脱落。

主体滚子为R型的切法

主体滚子为R型的切法
  • (1)决定要剪断哪个外链节并做好标记。
  • (2)首先,要拆下四个侧置滚子,用手持砂轮机磨掉销钉末端的铆钉(共有四个位置)。此时,磨至垫圈表面即可取下垫圈。
  • (3)拆下四个侧置滚子。(方法:将侧置滚子支撑在“接收架”上,用冲子敲出销钉末端,直到垫圈脱落。另一侧重复此操作。)
  • (4)如上图所示,在“底座”上设置链条,用锤子敲击第一次冲床,拔出2根销子。请适当准备“底座”。
  • (5)请按照“将主体滚子切成S型”中的 (4)、(5) 相同的要领进行操作。
  • (6)如果侧置滚子安装间隔超过两个链节,则需要拆除铆钉的位置会发生变化(见下图)。
主体滚子为R型的切法

如何使用侧置滚子切割塑料组合链条

- 当侧置滚子以交错排列形安装时

如何使用侧置滚子切割塑料组合链条
  • (1)决定要剪断哪个外链节并做好标记。
  • (2)与“切割S型主滚轮链条”类似,虽然可以将链条固定在链条夹具中,但内链节由工程塑料制成,会造成损坏。因此,这种切割方法不可行。
  • (3)如上图所示,用链钳轻轻拧紧销端部的垫圈。该链条的销端部没有铆钉,直接开始拆卸。
  • (4)使用比链条销子直径稍细的销子 (本公司单独销售的一次冲床或等价品),为了不造成大的冲击,用锤子慢慢地敲打一次冲床,将链条的销子拔出。(参照上图) 如上图所示,将插针从上侧的外板拔出的位置固定。
  • (5)用同样的方法拔出插针 (a) 和插针 (b) 即可切断。上图显示的是已经将插针 (a) 拔到指定位置后,已将插针 (b) 拔出的状态。
  • (6)丢弃切断的外链节(见下文)。
    切断した外リンク

・侧置滚子平行安装时

サイドローラの取付けが平行形の場合
  • (1)决定要剪断哪个外链节并做好标记。
  • (2)与“切割S型主滚轮链条”类似,虽然可以将链条固定在链条夹具中,但内链节由工程塑料制成,会造成损坏。因此,这种切割方法不可行。
  • (3)如图所示,用链式虎钳支撑上侧置滚子(A),并轻轻拧紧链式虎钳。此时,将待切割的外板移至链式虎钳边缘,如图所示。
  • (4)将主冲头放在侧置滚子(A)的销端,然后用轻锤缓慢敲击冲头。侧置滚子(A)将如图所示脱落。
    サイドローラ(A)
  • (5)要拆下侧置滚子(B),将链条翻过来,然后以与拆下滚轮(A)相同的方式将其拆下。
  • (6)如图所示,拆下链条上的侧置滚子(A)和(B),并将其放在“接收架”上。用锤子轻轻敲击主冲头,取出两个销钉。继续取出销钉,直至拆下上外链节。(请根据需要准备接收架。)
    受け台

7.带上滚子链条的切割方法

  • (1)在要切割的外链节上做标记。
    トップローラ付チェーンの切り方
  • (2)使用手动研磨机等削去主体销及顶辊销端部的铆钉。(仅链条一侧3处)
  • (3)以磨床的一侧为上侧,如图所示在“底座”上设置链条。请适当准备“底座”。
    另外,同时拔出包括顶杆销在内的3根销时,请将虚线所示部分做成一体的“支座”。
  • (4)用锤子敲击主冲孔 (或等价品),直到两个 (三个) 销钉从外板上松开 (如图所示),然后拔出销钉。
  • (5)接下来,要拆下顶部滚轮销,请按下图所示改变“接收底座”的位置。(如果外链节没有顶部滚轮,则无需执行此步骤。)
  • (6)按照 (4) 项中的步骤拔出上滚子销。
    受け台

如何连接链条

1.通过连接链节连接

  • 1)将连接链节插入内链节的连接部分,安装连接板,然后用卡簧或开口销固定。
  • 2)连接板和销钉是间隙配合,因此可以用手插入。
アタッチメント付チェーンの連結

图 17. 链条与附件的连接

2. 安装卡簧

务必将连接链节卡簧安装。忘记卡簧或安装不当都可能导致意外事故。

  • 1) RF2060、RS60 及更小尺寸链条的连接链节使用卡簧。连接时,将连接板插入销钉,然后将卡簧牢固地插入连接链节销钉的凹槽中(图 18 和图 19)。
  • 2)注意不要将卡簧的腿张得太开,因为它可能无法正确插入并脱落,从而造成意外事故(图 19 和 20)。
    クリップをピンの溝に挿入する

    图 18. 将卡簧插入销槽

    クリップをペンチで止める

    图 19. 用钳子固定卡簧

    クリップの取付け完了

    图 20.卡簧安装完成

  • 3)卡簧安装方向相对于链条运动方向一般如下图所示(图 21)。
    クリップの取付方向

    图 21.卡簧安装方向

3. 安装开口销

务必将连接链节的开口销牢固安装到位。忘记安装开口销或安装不当都可能导致意外事故。

  • 1)开口销两脚间距应呈约 60° 角(图 22)。请勿重复使用开口销或使用市售的开口销。
    割ピンの開脚

    图 22.开口销开口

  • 2)如何打开开口销
    割ピンの開脚要領

    图23.

    • (1)将开口销插入开口销孔中。
    • (2)用比开口销直径稍粗的销子轻轻敲击开口销的头部,使开口销的两脚稍微张开。
      割ピンの開脚

      图24.

    • (3) 将平头螺丝刀的刀尖插入开口销略微张开的腿部。
      割ピンの開脚

      图25.

      注意事项

      进行作业时,请充分注意不要让螺丝刀的前端打滑,碰到手等。

    • (4)将螺丝刀的尖端斜插入开口销,左右移动螺丝刀,打开开口销的两脚。
    • (5)此时,向下按压开口销开口销的头部,防止其从开口销孔中滑出。这样可以确保连接紧密。
    • (6)开口销腿的开口角度如上所述。

4.倍速链

1)使用卡簧连接(尺寸小于 RF2060)

  • (1)将连接链节的两个销穿过内链节的衬套,然后穿过连接板上的孔。
    クリップで継ぐ
  • (2)将卡簧牢固地放入销槽中。
    クリップで継ぐ

2) 使用开口销(RF2080) 连接

  • (1)将连接链节的两个销穿过内链节的衬套,然后穿过连接板上的孔。
  • (2)将开口销穿过销孔,将引脚打开约 60 度。
    割ピンで継ぐ

5. 带侧置滚子链条

使用连接链节将链条连接起来。

1)交错排列形侧置滚子接头

サイドローラが千鳥形の継ぎ方
  • (1)将连接链节的两个销钉插入每个内链节孔中,然后穿过间隙配合连接板。
  • (2)将开口销插入每个销钉中,并将开口销的引脚打开约 60°。

2)与平行侧置滚子连接

サイドローラが平行形の継ぎ方
  • (1)将连接链节的两个销钉穿过内链节的孔,然后穿过间隙配合连接板。
  • (2)如果销钉两端如图所示带有侧置滚子,则将侧置滚子和垫圈穿过销钉,并安装两个开口销。开口销的开口角度约为60°。

6.顶部滚子链条

  • (1)通过连接链节进行连接。
  • (2)将连接链节的两个销钉穿过内链节的衬套,然后再穿过连接板上的孔。(连接板为间隙配合。)
    卡簧形连接链节

    卡簧形连接链节

    开口销形连接链节

    开口销形连接链节

  • (3)将开口销或卡簧牢固地连接到销轴上。开口销的两脚应张开约 60 度。卡簧的安装方法详见倍速链部分。

顶部滚子链的连接链节

  • 1.连接链节有两种类型,所以订购连接链节时请务必小心。
  • 2. 顶部滚轮的外径在每节都有顶部滚轮的轴承座和每两节下面都有顶部滚轮的轴承座之间有所不同。请参考尺寸图。(双倍节距轴承座的顶部滚轮直径相同。)
  • 3. 如果连接链节除了顶部滚轮外还有附件,请在单独的图纸中注明等。(连接链节符号:JL)
每个链节均配有塑料顶板辊

型号表示例

RS40-1LTRPS - JL
|
本体链条

连接链节
每两个链节都配有塑料顶板滚轮

型号表示例

RS40-2LTRP - JL
|
本体链条

连接链节