水处理用输送机链轮BF型
驱动用BF链型链轮。
特性
- 备有两割 (C割形)、替齿式 (环形替齿) 系列,大幅缩短更换工时,无需分解轴,仅更换链轮或磨损部,减少零件成本和废弃物,为提高维护效率、降低成本、减少废弃物做贡献。
产品目录、使用说明书
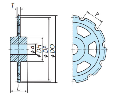
型号表示例
BF链轮
| BF120N | - | 1C | 15T | Q | - | TS |
| | 适用链条尺寸 |
| | | |
| 齿数 |
| 齿顶硬化处理 |
| 款式 无记号:一体式 TS:一体2割式 (C割式) RK:替换齿圈 (D割式) |
||
| 排数和轮毂类型 |
||||||
- 1.请从下表中选择链轮的形状类型。
-
结构 规格代号 一体式 无符号 一体2割 (C割形) TS 齿状块替牙 BK 环置齿 (D型) RK - 2.材质组合如下表所示。
-
*如果牙齿材料为 SCS2 或 FCD600,齿顶经过硬化处理。 结构 材质 轮毂部、臂部 铸件结构 SCS2、FCD600、SCS13 焊接结构 SS400+S25C (轮毂和臂) 齿部 一体式·TS (C型) SCS2或FCD600 RK (D型) 选择SCS2或树脂制。 BK (牙形阻滞替牙) SCS2 - 3.左右轮毂长度的分配不同时,请注明各尺寸。
- 4. 涂装规格会因您指定的政府机构而异,因此请务必在提供指示之前参考客户的规格。
对于预留孔,我们的标准规格是涂一层富锌底漆;而对于成品孔,则是涂一层富锌底漆,再涂两层环氧树脂。
树脂、SCS13 和 300 系列不锈钢均未涂漆。所有部件的轴孔和轮毂端面均涂覆预浸油。 - 5.为了明确规格,请用图纸等指示。
商品一览表
- 【产品注意事项】
- - 订购时,请注明驱动轴直径、键尺寸、从动轴套筒外径尺寸和轮毂尺寸。
・以上列出了标准齿数,但我们也可以生产其他齿数的齿轮。如有需要,请另行联系我们。
- 如果链轮材料为300系列不锈钢或树脂,则链轮将采用特殊规格。
・对于方形轮毂装配,请指定精加工孔的尺寸。精加工孔的最大轴径为160mm。
・ 所示尺寸仅供参考,并非标准产品尺寸。询价时,请注明每件产品的尺寸和齿数,或附上图纸。
・所列尺寸为公称尺寸,可能与实际尺寸有所不同。
- 牙齿数量为 25 颗或以下时,仅提供 C 型。
| 一体式 | 一体2割 (C割形) | 环置齿 (D型) |
|---|---|---|
![]() |
![]() |
![]() |
BF型 (BF型链的信息这里)
| 适用链条尺寸 | 链轮型号 | 类型 | 间距 P |
齿数 | 外径 ΦDO |
节距圆 直径 ΦDP |
齿宽 T |
轮毂尺寸 (参考值) | 预留孔 d (参考值) |
轴径 (参考值) |
约 质量 kg |
DXF图形 3D CAD数据 |
PDF图纸 | |
|---|---|---|---|---|---|---|---|---|---|---|---|---|---|---|
| 直径ΦDH | 长L | |||||||||||||
| BF120N | BF120N-1C15TQ | 一体式 | 38.1 | 15 | 202 | 183.25 | 24 | 110 | 100 | 55 | 65 | 9 | DXF・3DCAD | 请咨询 |
| BF120N-1C23TQ | 38.1 | 23 | 300 | 279.8 | 24 | 120 | 100 | 55 | 75 | 17 | DXF・3DCAD | 请咨询 | ||
| BF120N-1C40TQ | 38.1 | 40 | 507 | 485.6 | 24 | 170 | 130 | 80 | 105 | 49 | DXF・3DCAD | 请咨询 | ||
| BF120N-1C45TQ | 38.1 | 45 | 568 | 546.19 | 24 | 170 | 130 | 75 | 105 | 50 | DXF・3DCAD | 请咨询 | ||
| BF120N-1C40TQ-TS | 一体2割 (C割形) | 38.1 | 40 | 507 | 485.6 | 24 | 170 | 130 | 80 | 105 | 49 | 请咨询 | 请咨询 | |
| BF120N-1C45TQ-TS | 38.1 | 45 | 568 | 546.19 | 24 | 170 | 130 | 75 | 105 | 50 | 请咨询 | 请咨询 | ||
| BF120N-1C40TQ-RK | 环置齿 (D型) | 38.1 | 40 | 507 | 485.6 | 24 | 170 | 130 | 80 | 105 | 49 | 请咨询 | 请咨询 | |
| BF120N-1C45TQ-RK | 38.1 | 45 | 568 | 546.19 | 24 | 170 | 130 | 75 | 105 | 50 | 请咨询 | 请咨询 | ||
| BF140 | BF140-1C11TQ | 一体式 | 44.45 | 11 | 178 | 157.78 | 24 | 100 | 100 | 40 | 60 | 8 | DXF・3DCAD | 请咨询 |
| BF140-1C23TQ | 44.45 | 23 | 350 | 326.44 | 24 | 120 | 100 | 55 | 70 | 21 | DXF・3DCAD | 请咨询 | ||
| BF140-1C35TQ | 44.45 | 35 | 521 | 495.88 | 24 | 150 | 100 | 50 | 90 | 45 | DXF・3DCAD | 请咨询 | ||
| BF140-1C40TQ | 44.45 | 40 | 591 | 566.54 | 24 | 170 | 110 | 60 | 105 | 60 | DXF・3DCAD | 请咨询 | ||
| BF140-1C45TQ | 44.45 | 45 | 662 | 637.22 | 24 | 170 | 110 | 60 | 105 | 73 | DXF・3DCAD | 请咨询 | ||
| BF140-1C50TQ | 44.45 | 50 | 733 | 707.91 | 24 | 170 | 110 | 60 | 105 | 87 | DXF・3DCAD | 请咨询 | ||
| BF140-1C35TQ-TS | 一体2割 (C割形) | 44.45 | 35 | 521 | 495.88 | 24 | 150 | 100 | 50 | 90 | 45 | 请咨询 | 请咨询 | |
| BF140-1C40TQ-TS | 44.45 | 40 | 591 | 566.54 | 24 | 170 | 110 | 60 | 105 | 60 | 请咨询 | 请咨询 | ||
| BF140-1C45TQ-TS | 44.45 | 45 | 662 | 637.22 | 24 | 170 | 110 | 60 | 105 | 73 | 请咨询 | 请咨询 | ||
| BF140-1C50TQ-TS | 44.45 | 50 | 733 | 707.91 | 24 | 170 | 110 | 60 | 105 | 87 | 请咨询 | 请咨询 | ||
| BF140-1C35TQ-RK | 环置齿 (D型) | 44.45 | 35 | 521 | 495.88 | 24 | 150 | 100 | 50 | 90 | 45 | 请咨询 | 请咨询 | |
| BF140-1C40TQ-RK | 44.45 | 40 | 591 | 566.54 | 24 | 170 | 110 | 60 | 105 | 60 | 请咨询 | 请咨询 | ||
| BF140-1C45TQ-RK | 44.45 | 45 | 662 | 637.22 | 24 | 170 | 110 | 60 | 105 | 73 | 请咨询 | 请咨询 | ||
| BF140-1C50TQ-RK | 44.45 | 50 | 733 | 707.91 | 24 | 170 | 110 | 60 | 105 | 87 | 请咨询 | 请咨询 | ||
| BF140E | BF140E-1C11TQ | 一体式 | 44.45 | 11 | 178 | 157.78 | 24 | 100 | 100 | 40 | 60 | 8 | DXF・3DCAD | 请咨询 |
| BF140E-1C23TQ | 44.45 | 23 | 350 | 326.44 | 24 | 120 | 100 | 55 | 70 | 21 | DXF・3DCAD | 请咨询 | ||
| BF140E-1C35TQ | 44.45 | 35 | 521 | 495.88 | 24 | 150 | 100 | 50 | 90 | 45 | DXF・3DCAD | 请咨询 | ||
| BF140E-1C40TQ | 44.45 | 40 | 591 | 566.54 | 24 | 170 | 110 | 60 | 105 | 60 | DXF・3DCAD | 请咨询 | ||
| BF140E-1C45TQ | 44.45 | 45 | 662 | 637.22 | 24 | 170 | 110 | 60 | 105 | 73 | DXF・3DCAD | 请咨询 | ||
| BF140E-1C50TQ | 44.45 | 50 | 733 | 707.91 | 24 | 170 | 110 | 60 | 105 | 87 | DXF・3DCAD | 请咨询 | ||
| BF140E-1C35TQ-TS | 一体2割 (C割形) | 44.45 | 35 | 521 | 495.88 | 24 | 150 | 100 | 50 | 90 | 45 | 请咨询 | 请咨询 | |
| BF140E-1C40TQ-TS | 44.45 | 40 | 591 | 566.54 | 24 | 170 | 110 | 60 | 105 | 60 | 请咨询 | 请咨询 | ||
| BF140E-1C45TQ-TS | 44.45 | 45 | 662 | 637.22 | 24 | 170 | 110 | 60 | 105 | 73 | 请咨询 | 请咨询 | ||
| BF140E-1C50TQ-TS | 44.45 | 50 | 733 | 707.91 | 24 | 170 | 110 | 60 | 105 | 87 | 请咨询 | 请咨询 | ||
| BF140E-1C35TQ-RK | 环置齿 (D型) | 44.45 | 35 | 521 | 495.88 | 24 | 150 | 100 | 50 | 90 | 45 | 请咨询 | 请咨询 | |
| BF140E-1C40TQ-RK | 44.45 | 40 | 591 | 566.54 | 24 | 170 | 110 | 60 | 105 | 60 | 请咨询 | 请咨询 | ||
| BF140E-1C45TQ-RK | 44.45 | 45 | 662 | 637.22 | 24 | 170 | 110 | 60 | 105 | 73 | 请咨询 | 请咨询 | ||
| BF140E-1C50TQ-RK | 44.45 | 50 | 733 | 707.91 | 24 | 170 | 110 | 60 | 105 | 87 | 请咨询 | 请咨询 | ||
| BF160 | BF160-1C11TQ | 一体式 | 50.8 | 11 | 203 | 180.31 | 30 | 115 | 120 | 40 | 70 | 12 | DXF・3DCAD | 请咨询 |
| BF160-1C17TQ | 50.8 | 17 | 302 | 276.46 | 30 | 130 | 120 | 65 | 80 | 18 | DXF・3DCAD | 请咨询 | ||
| BF160-1C23TQ | 50.8 | 23 | 400 | 373.07 | 30 | 130 | 120 | 55 | 80 | 29 | DXF・3DCAD | 请咨询 | ||
| BF160-1C25TQ | 50.8 | 25 | 433 | 405.32 | 30 | 190 | 170 | 80 | 115 | 55 | DXF・3DCAD | 请咨询 | ||
| BF160-1C30TQ | 50.8 | 30 | 514 | 485.99 | 30 | 170 | 110 | 60 | 105 | 55 | DXF・3DCAD | 请咨询 | ||
| BF160-1C35TQ | 50.8 | 35 | 595 | 566.71 | 30 | 170 | 110 | 60 | 105 | 71 | DXF・3DCAD | 请咨询 | ||
| BF160-1C40TQ | 50.8 | 40 | 676 | 647.47 | 30 | 200 | 130 | 70 | 125 | 98 | DXF・3DCAD | 请咨询 | ||
| BF160-1C45TQ | 50.8 | 45 | 757 | 728.25 | 30 | 200 | 130 | 70 | 125 | 119 | DXF・3DCAD | 请咨询 | ||
| BF160-1C50TQ | 50.8 | 50 | 838 | 809.04 | 30 | 200 | 130 | 70 | 125 | 142 | DXF・3DCAD | 请咨询 | ||
| BF160-1C25TQ-TS | 一体2割 (C割形) | 50.8 | 25 | 433 | 405.32 | 30 | 190 | 170 | 80 | 115 | 55 | 请咨询 | 请咨询 | |
| BF160-1C30TQ-TS | 50.8 | 30 | 514 | 485.99 | 30 | 170 | 110 | 60 | 105 | 55 | 请咨询 | 请咨询 | ||
| BF160-1C35TQ-TS | 50.8 | 35 | 595 | 566.71 | 30 | 170 | 110 | 60 | 105 | 71 | 请咨询 | 请咨询 | ||
| BF160-1C40TQ-TS | 50.8 | 40 | 676 | 647.47 | 30 | 200 | 130 | 70 | 125 | 98 | 请咨询 | 请咨询 | ||
| BF160-1C45TQ-TS | 50.8 | 45 | 757 | 728.25 | 30 | 200 | 130 | 70 | 125 | 119 | 请咨询 | 请咨询 | ||
| BF160-1C50TQ-TS | 50.8 | 50 | 838 | 809.04 | 30 | 200 | 130 | 70 | 125 | 142 | 请咨询 | 请咨询 | ||
| BF160-1C25TQ-RK | 环置齿 (D型) | 50.8 | 25 | 433 | 405.32 | 30 | 190 | 170 | 80 | 115 | 55 | 请咨询 | 请咨询 | |
| BF160-1C30TQ-RK | 50.8 | 30 | 514 | 485.99 | 30 | 170 | 110 | 60 | 105 | 55 | 请咨询 | 请咨询 | ||
| BF160-1C35TQ-RK | 50.8 | 35 | 595 | 566.71 | 30 | 170 | 110 | 60 | 105 | 71 | 请咨询 | 请咨询 | ||
| BF160-1C40TQ-RK | 50.8 | 40 | 676 | 647.47 | 30 | 200 | 130 | 70 | 125 | 98 | 请咨询 | 请咨询 | ||
| BF160-1C45TQ-RK | 50.8 | 45 | 757 | 728.25 | 30 | 200 | 130 | 70 | 125 | 119 | 请咨询 | 请咨询 | ||
| BF160-1C50TQ-RK | 50.8 | 50 | 838 | 809.04 | 30 | 200 | 130 | 70 | 125 | 142 | 请咨询 | 请咨询 | ||
| BF160E | BF160E-1C11TQ | 一体式 | 50.8 | 11 | 203 | 180.31 | 30 | 115 | 120 | 40 | 70 | 12 | DXF・3DCAD | 请咨询 |
| BF160E-1C17TQ | 50.8 | 17 | 302 | 276.46 | 30 | 130 | 120 | 65 | 80 | 18 | DXF・3DCAD | 请咨询 | ||
| BF160E-1C23TQ | 50.8 | 23 | 400 | 373.07 | 30 | 130 | 120 | 55 | 80 | 29 | DXF・3DCAD | 请咨询 | ||
| BF160E-1C25TQ | 50.8 | 25 | 433 | 405.32 | 30 | 190 | 170 | 80 | 115 | 55 | DXF・3DCAD | 请咨询 | ||
| BF160E-1C30TQ | 50.8 | 30 | 514 | 485.99 | 30 | 170 | 110 | 60 | 105 | 55 | DXF・3DCAD | 请咨询 | ||
| BF160E-1C35TQ | 50.8 | 35 | 595 | 566.71 | 30 | 170 | 110 | 60 | 105 | 71 | DXF・3DCAD | 请咨询 | ||
| BF160E-1C40TQ | 50.8 | 40 | 676 | 647.47 | 30 | 200 | 130 | 70 | 125 | 98 | DXF・3DCAD | 请咨询 | ||
| BF160E-1C45TQ | 50.8 | 45 | 757 | 728.25 | 30 | 200 | 130 | 70 | 125 | 119 | DXF・3DCAD | 请咨询 | ||
| BF160E-1C50TQ | 50.8 | 50 | 838 | 809.04 | 30 | 200 | 130 | 70 | 125 | 142 | DXF・3DCAD | 请咨询 | ||
| BF160E-1C25TQ-TS | 一体2割 (C割形) | 50.8 | 25 | 433 | 405.32 | 30 | 190 | 170 | 80 | 115 | 55 | 请咨询 | 请咨询 | |
| BF160E-1C30TQ-TS | 50.8 | 30 | 514 | 485.99 | 30 | 170 | 110 | 60 | 105 | 55 | 请咨询 | 请咨询 | ||
| BF160E-1C35TQ-TS | 50.8 | 35 | 595 | 566.71 | 30 | 170 | 110 | 60 | 105 | 71 | 请咨询 | 请咨询 | ||
| BF160E-1C40TQ-TS | 50.8 | 40 | 676 | 647.47 | 30 | 200 | 130 | 70 | 125 | 98 | 请咨询 | 请咨询 | ||
| BF160E-1C45TQ-TS | 50.8 | 45 | 757 | 728.25 | 30 | 200 | 130 | 70 | 125 | 119 | 请咨询 | 请咨询 | ||
| BF160E-1C50TQ-TS | 50.8 | 50 | 838 | 809.04 | 30 | 200 | 130 | 70 | 125 | 142 | 请咨询 | 请咨询 | ||
| BF160E-1C25TQ-RK | 环置齿 (D型) | 50.8 | 25 | 433 | 405.32 | 30 | 190 | 170 | 80 | 115 | 55 | 请咨询 | 请咨询 | |
| BF160E-1C30TQ-RK | 50.8 | 30 | 514 | 485.99 | 30 | 170 | 110 | 60 | 105 | 55 | 请咨询 | 请咨询 | ||
| BF160E-1C35TQ-RK | 50.8 | 35 | 595 | 566.71 | 30 | 170 | 110 | 60 | 105 | 71 | 请咨询 | 请咨询 | ||
| BF160E-1C40TQ-RK | 50.8 | 40 | 676 | 647.47 | 30 | 200 | 130 | 70 | 125 | 98 | 请咨询 | 请咨询 | ||
| BF160E-1C45TQ-RK | 50.8 | 45 | 757 | 728.25 | 30 | 200 | 130 | 70 | 125 | 119 | 请咨询 | 请咨询 | ||
| BF160E-1C50TQ-RK | 50.8 | 50 | 838 | 809.04 | 30 | 200 | 130 | 70 | 125 | 142 | 请咨询 | 请咨询 | ||
| BF200 | BF200-1C11TQ | 一体式 | 63.5 | 11 | 254 | 225.39 | 36 | 145 | 120 | 50 | 85 | 21 | DXF・3DCAD | 请咨询 |
| BF200-1C24TQ | 63.5 | 24 | 520 | 486.49 | 36 | 160 | 110 | 70 | 95 | 61 | DXF・3DCAD | 请咨询 | ||
| BF200-1C35TQ | 63.5 | 35 | 744 | 708.39 | 36 | 250 | 160 | 90 | 155 | 150 | DXF・3DCAD | 请咨询 | ||
| BF200-1C40TQ | 63.5 | 40 | 845 | 809.34 | 36 | 250 | 160 | 90 | 155 | 185 | DXF・3DCAD | 请咨询 | ||
| BF200-1C45TQ | 63.5 | 45 | 946 | 910.31 | 36 | 280 | 180 | 100 | 175 | 242 | DXF・3DCAD | 请咨询 | ||
| BF200-1C35TQ-TS | 一体2割 (C割形) | 63.5 | 35 | 744 | 708.39 | 36 | 250 | 160 | 90 | 155 | 150 | 请咨询 | 请咨询 | |
| BF200-1C40TQ-TS | 63.5 | 40 | 845 | 809.34 | 36 | 250 | 160 | 90 | 155 | 185 | 请咨询 | 请咨询 | ||
| BF200-1C45TQ-TS | 63.5 | 45 | 946 | 910.31 | 36 | 280 | 180 | 100 | 175 | 242 | 请咨询 | 请咨询 | ||
| BF200-1C35TQ-RK | 环置齿 (D型) | 63.5 | 35 | 744 | 708.39 | 36 | 250 | 160 | 90 | 155 | 150 | 请咨询 | 请咨询 | |
| BF200-1C40TQ-RK | 63.5 | 40 | 845 | 809.34 | 36 | 250 | 160 | 90 | 155 | 185 | 请咨询 | 请咨询 | ||
| BF200-1C45TQ-RK | 63.5 | 45 | 946 | 910.31 | 36 | 280 | 180 | 100 | 175 | 242 | 请咨询 | 请咨询 | ||
| BF200E | BF200E-1C11TQ | 一体式 | 63.5 | 11 | 254 | 225.39 | 36 | 145 | 120 | 50 | 85 | 21 | DXF・3DCAD | 请咨询 |
| BF200E-1C24TQ | 63.5 | 24 | 520 | 486.49 | 36 | 160 | 110 | 70 | 95 | 61 | DXF・3DCAD | 请咨询 | ||
| BF200E-1C35TQ | 63.5 | 35 | 744 | 708.39 | 36 | 250 | 160 | 90 | 155 | 150 | DXF・3DCAD | 请咨询 | ||
| BF200E-1C40TQ | 63.5 | 40 | 845 | 809.34 | 36 | 250 | 160 | 90 | 155 | 185 | DXF・3DCAD | 请咨询 | ||
| BF200E-1C45TQ | 63.5 | 45 | 946 | 910.31 | 36 | 280 | 180 | 100 | 175 | 242 | DXF・3DCAD | 请咨询 | ||
| BF200E-1C35TQ-TS | 一体2割 (C割形) | 63.5 | 35 | 744 | 708.39 | 36 | 250 | 160 | 90 | 155 | 150 | 请咨询 | 请咨询 | |
| BF200E-1C40TQ-TS | 63.5 | 40 | 845 | 809.34 | 36 | 250 | 160 | 90 | 155 | 185 | 请咨询 | 请咨询 | ||
| BF200E-1C45TQ-TS | 63.5 | 45 | 946 | 910.31 | 36 | 280 | 180 | 100 | 175 | 242 | 请咨询 | 请咨询 | ||
| BF200E-1C35TQ-RK | 环置齿 (D型) | 63.5 | 35 | 744 | 708.39 | 36 | 250 | 160 | 90 | 155 | 150 | 请咨询 | 请咨询 | |
| BF200E-1C40TQ-RK | 63.5 | 40 | 845 | 809.34 | 36 | 250 | 160 | 90 | 155 | 185 | 请咨询 | 请咨询 | ||
| BF200E-1C45TQ-RK | 63.5 | 45 | 946 | 910.31 | 36 | 280 | 180 | 100 | 175 | 242 | 请咨询 | 请咨询 | ||
| BF240 | BF240-1C11TQ | 一体式 | 76.2 | 11 | 305 | 270.47 | 45 | 150 | 120 | 50 | 90 | 29 | DXF・3DCAD | 请咨询 |
| BF240-1C37TQ | 76.2 | 37 | 941 | 898.52 | 45 | 250 | 150 | 125 | 155 | 250 | DXF・3DCAD | 请咨询 | ||
| BF240-1C40TQ | 76.2 | 40 | 1014 | 971.21 | 45 | 250 | 160 | 125 | 155 | 293 | DXF・3DCAD | 请咨询 | ||
| BF240-1C37TQ-TS | 一体2割 (C割形) | 76.2 | 37 | 941 | 898.52 | 45 | 250 | 150 | 125 | 155 | 250 | 请咨询 | 请咨询 | |
| BF240-1C40TQ-TS | 76.2 | 40 | 1014 | 971.21 | 45 | 250 | 160 | 125 | 155 | 293 | 请咨询 | 请咨询 | ||
| BF240-1C37TQ-RK | 环置齿 (D型) | 76.2 | 37 | 941 | 898.52 | 45 | 250 | 150 | 125 | 155 | 250 | 请咨询 | 请咨询 | |
| BF240-1C40TQ-RK | 76.2 | 40 | 1014 | 971.21 | 45 | 250 | 160 | 125 | 155 | 293 | 请咨询 | 请咨询 | ||
お問合せ先について
ホームページからのお問合せ
中国語でのお問い合わせは、つばきグループホームページの問合せページを開きます。
英語でのお問い合わせは、つばきグループホームページの問合せページを開きます。




