U、T 和 G 系列电动缸通用的带制动器电机选件
备有可适应多种环境和地区的带特殊制动的马达作为选配件。
- 耐热
- 防水
- 变频器驱动器
- 耐压防爆
- 高效
- 国外标准
- 电动机先行安装
型号表示例
| LP | T | C | 4000 | L | 10 | V | T1 | LJ | - | TK |
| | 系列名称 (U・T・G) |
| 电压符号 |
| | |
| ※请在末尾追加-TK。 |
|||||||
| 电机选件 | ||||||||||
带刹车的马达种类介绍
| 马达 | 规格 | 符号 | 适用容量 (kW) |
容许周围温度 ※1 |
耐热等级 ※2 |
负载持续率 %ED |
额定时间 | 制动器用 电源模块 |
保护等级 |
|---|---|---|---|---|---|---|---|---|---|
| 典型值 (0.1~3.7kW) | 耐热B类 | - | 0.1~3.7 | -15~40℃ | B | 25 | S2 30min | 端子箱内置 | IP55 |
| 典型值 (5.5~15kW) | 耐热B类 | - | 5.5~15 | -15~40℃ | B | 25 | S1 | 端子箱内置 | IP55 |
| 耐热40°C F种 | 耐热等级F种 | T1 | 0.1~1.5 | 0~40℃ | F | 25 | S2 30min | 端子箱内置 | IP55 |
| 耐热60°C F种 | 耐热等级F种 | T2 | 0.1~1.5 | 0~60℃ | F | 15 | S2 15min | 另置※3 | IP55 |
| 耐热80°C F种 | 耐热等级F种 | T3 | 0.1~1.5 | 0~80℃ | F | 5 | S2 5min | 另置※3 | IP55 |
| 耐热80°C H种 | 耐热等级H种 | T4 | 0.1~1.5 | 0~80℃ | H | 15 | S2 15min | 另置※3 | IP55 |
| 保护等级IP56 | 满足比标准 (IP55) 更高的防水要求 | W | 0.1~1.5 | -15~40℃ | B | 25 | S2 30min | 端子箱内置 | IP56 |
| 变频器驱动器 | 可在6~60Hz的范围内进行恒推力运行 | Z | 0.1~1.5 | 0~40℃ | F | 25 | S2 30min | 端子箱内置 | IP55 |
| 耐压防爆 | 结构标准:d2G4 | D | 0.2~1.5 | -10~40℃ | B | 25 | S3 40% | - | IP44 |
| 高效电动机 | 高级效率IE3 | E | 0.75~11 | 0~40℃ | B | 25 | S1 | 端子箱内置 | IP55 |
| CE标记 | 适用标准EN60034-1 | N | 0.1~0.4 | -15~40℃ | B | 25 | S2 30min | 端子箱内置 | IP55 |
| 符合UL标准 | 适用标准UL1004 UL File No.E225995 |
N2 | 0.1~0.4 | -15~40℃ | A | 25 | S2 30min | 端子箱内置 | IP20 |
| 符合CCC标准 | 国家标准:GB12350 | N3 | 0.1~0.4 | -15~40℃ | E | 25 | S2 30min | 端子箱内置 | IP55 |
| 适配器规格 | 轻松安装您自备的马达 (尺寸如下) |
A | 0.1~7.5 | - | - | 25 | - | - | - |
- ※1不结露
- ※2刹车是耐热等级B种。
- ※3确保电源安装在40°C或更低的环境中。耐热80°C的电机端子为齿轮式。
耐热80°C H型电源模块的电源电压仅为200~220V。
电机基本规格
通用规格
- ・适用机型:电动缸U 系列、T 系列、G 系列
- ·适应电机容量:0.1kW~3.7kW
- ·全部室外规格 (IP55),带制动器
- ·耐热等级B
标准电压
·电压标记:无标记 (200V级)、V (400V级)
- 工作温度范围:-15~40°C (非冷凝)
- 负载持续率:25%ED
- 额定:S2 30min
- 制动电源模块:内置接线盒
·注释
另外切割刹车使用时请咨询。
异压对应
·电压符号:V1 (380V, 50Hz)、V2 (380V, 60Hz)、V3 (415V, 50Hz)、V4 (460V, 60Hz)
电动机变型
IP56规格:W
船舶、港湾相关的设备,要求高保护等级的情况很多。为了满足这一要求,它对应于IP56 (防尘型/防水型) 。
通用规格
- ・适用机型:电动缸U 系列、T 系列、G 系列
- ·适应电机容量:0.1kW~1.5kW
- ·全部为室外规格,带制动器
- ·耐热等级 (B)
支持IP56电机
·型号:W (200V级)、VW (400V级)
- 工作温度范围:-15~40°C
- 负载持续率:25%ED
- 额定:S2 30min
- 类型:全封闭自冷却型三相感应电机
耐热规格:T
与之前的型号相比,我们显著缩短了交货期并降低了价格。此外,我们现在能够达到以前无法实现的耐热等级“H”。
通用规格
- ・适用机型:电动缸U 系列、T 系列、G 系列
- ·适用电机容量:0.1kW~1.5kW (超过此容量请另行协商)
- ·所有室外规格 (IP55),带制动器 (制动器为耐热B级)
符合耐热等级“F”
40℃
·型号:T1 (200V级)、VT1 (400V级)、V1T1 (380V, 50Hz)、V2T1 (380V, 60Hz)、V3T1 (415V, 50Hz)、V4T1 (460V, 60Hz)
- 工作温度范围:0~40°C (非冷凝)
- 负载持续率:25%ED
- 额定:S2 30min
- 制动电源模块:内置接线盒
60℃
·型号:T2 (200V级)、VT2 (400V级)、V1T2 (380V, 50Hz)、V2T2 (380V, 60Hz)、V3T2 (415V, 50Hz)、V4T2 (460V, 60Hz)
- 工作温度范围:0~60°C (非冷凝)
- 负载持续率:15%ED
- 额定:S2 15min
- 制动电源模块:独立式(标准DC模块)
·安装在40°C或更低的环境中。
·想要内置端子箱的情况下,请咨询。
80℃
·型号:T3 (200V级)、VT3 (400V级)、V1T3 (380V, 50Hz)、V2T3 (380V, 60Hz)、V3T3 (415V, 50Hz)、V4T3 (460V, 60Hz)
- 工作温度范围:0~80°C (非冷凝)
- 负载持续率:5%ED
- 额定:S25min
- 制动电源模块:独立式(标准DC模块)
·安装在40°C或更低的环境中。
·注释
电机端子为齿轮式。
符合耐热等级“H”
·型号:T4 (200V级)、VT4 (400V级)、V1T4 (380V, 50Hz)、V2T4 (380V, 60Hz)、V3T4 (415V, 50Hz)、V4T4 (460V, 60Hz)
- 工作温度范围:0~80°C (非冷凝)
- 制动电源模块:独立式(专用DC模块)
·安装在40°C或更低的环境中。
·制动电源模块的电源电压仅为200~220V。
·注释
电机端子为齿轮式。
IE3 电机规格:E
标准电动缸中使用的制动电机是短时额定电机(S2)。
上述电机非IE3能效,可按客户要求装配IE3规格电机。
*注意:电机的大小、配线、电流值会发生变化,敬请注意。
通用规格
- ・适用机型:电动缸U 系列、T 系列
- ·适应电机容量:0.75kW~11kW
- ·全部室外规格 (IP55),带制动器
- ·工作温度范围:0~40°C (非冷凝)
- ·制动电源模块:内置接线盒
IE3 电机规格
·型号:E (200V级)、VE (400V级)
变频器规格:Z
与传统型号相比,我们显著缩短了产品交货期并降低了价格。速度控制,包括加/减速和变速,现在变得更加容易,提高了电动缸的可控性。
另外,标准是带刹车的室外规格。
通用规格
- ・适用机型:电动缸U 系列、T 系列、G 系列
- ·适应电机容量:0.1kW~1.5kW (也可满足以上要求)
- ·所有室外规格 (IP55),带制动器 (制动器为耐热B级)
- ·耐热等级F
- ·可在6~60Hz的范围内进行恒转矩运行。
兼容变频器驱动
·型号:Z (200V级)、ZV (400V级)
- 工作温度范围:0~40°C (非冷凝)
- 负载持续率:25%ED
- 额定:S2 30min
- 制动电源模块:内置接线盒
·注释
对制动电源模块施加正常的电源电压,而不是变频器输出电压。
200V 级产品的适用电源电压为 200 至 220V,400V 级产品的适用电源电压为 400 至 440V。
全局规格:N
符合全球指令、法规和体系(CE、UL、CCC)的电动缸现已上市。
可以用于出口到海外的设备。
通用规格
- ・适用机型:电动缸U 系列、T 系列、G 系列
- ·适应电机容量:0.1kW~0.4kW (也可满足以上要求)
- ·工作温度范围:-15~40°C (非冷凝)
- ·全部带刹车
·注释
仅限带制动马达为规格对应品。需要限位开关等时请咨询。
CE就绪
·型号:N (200V级)、VN (400V级)
·规格(N, VN均)保护形式:IP55
耐热等级: (B)

目标指令标准
对象指令:Low Voltage Directive 2014/35/EU (低电压指令)
对象规格:EN60034-1
(电机相关规定)
对于出口到欧洲的产品,如果没有标明证明符合欧洲EC指令中规定的安全要求事项的“CE标志”,就不能出口到欧洲市场。(CE合规性是在产品本身上粘贴“CE标记”以证明符合EC指令。)
UL就绪
·型号:N2 (230/240V, 60/60Hz)、VN2 (460V, 60Hz)
·规格(N2,VN2均)保护形式:IP20
耐热等级: (A)

目标指令标准File No.
标准:UL1004
UL File No.:E225995
UL是美国安全测试机构Underwriters Laboratories的缩写。(符合UL标准是指使用已获得UL标准认可的电机,并在产品上贴有表明已获得UL标准认证的UL标志。)
通过C-UR型号认证,符合UL和CSA规格。
支持CCC
·型号:N3 (200/220/200/220V, 50/50/60/60Hz, 0.4kW仅为220/220V, 50/60Hz)、VN3 (380V/50Hz)
·规格(N3,VN3均)保护形式:IP55
耐热等级: (E)
※()内因电机容量而异。

国家标准:GB12350
CCC是中国的强制认证制度,向中国出口1.1kW以下的电机时,需要具有表示强制认证的CCC标识。
进军中国,在商品质量认证中心 (CQC) 取得了认证。
耐压防爆规格:D
适用于 1 类和 2 类危险场所的耐压防爆型电动缸现已上市,交货期短。
耐压防爆结构是指容器内部发生爆炸性气体爆炸时,容器能够承受该压力,且不会引燃外部爆炸性气体的结构。
通用规格
- ・适用机型:电动缸U 系列、T 系列、G 系列
- ·适应电机容量:0.2kW~1.5kW (也可满足以上要求)
- ·全部室外规格 (IP44),带制动器
- ·耐热等级B
d2G4就绪
·型号:D (200V级)、VD (400V级)
- 工作温度范围:-10~40°C (非冷凝)
- 负载持续率:25%ED
- 额定:S3 40%
- 制动电源模块:无 (交流制动器)
·注释
附2个行程调整外部LS (另选配件) 也可对应耐压防爆规格。
请另行咨询。
制动马达选配符号列表
| 电机规格 | 电压频率 | |||||
|---|---|---|---|---|---|---|
| 200/200/220V 50/60/60Hz |
400/400/440V 50/60/60Hz |
380V 50Hz |
380V 60Hz |
415V 50Hz |
460V 60Hz |
|
| 标准 | 无符号 | V | V1 | V2 | V3 | V4 |
| 耐热40°C F种 | T1 | VT1 | V1T1 | V2T1 | V3T1 | V4T1 |
| 耐热60°C F种 | T2 | VT2 | V1T2 | V2T2 | V3T2 | V4T2 |
| 耐热80°C F种 | T3 | VT3 | V1T3 | V2T3 | V3T3 | V4T3 |
| 耐热80°C H种 | T4 | VT4 | V1T4 | V2T4 | V3T4 | V4T4 |
| 保护等级IP56 | W | VW | - | - | - | - |
| 变频器驱动器 | Z | ZV | - | - | - | - |
| 耐压防爆 | D | VD | - | - | - | - |
| 高效电动机 | E | VE | - | - | - | - |
| 电机规格 | 电压频率 | |||||
|---|---|---|---|---|---|---|
| 200/200/220V 50/60/60Hz |
230/240V 60/60Hz |
200/220/200/220V 50/50/60/60Hz |
380/400/400/440V 50/50/60/60Hz |
460V 60Hz |
380V 50Hz |
|
| CE标记 | N | - | - | VN | - | - |
| 符合UL标准 | - | N2 | - | - | VN2 | - |
| 符合CCC标准 | - | - | N3 | - | - | VN3 |
| 高效CE标记 | EN | - | - | VEN | - | - |
| 高效、支持UL规格 | - | EN2 | - | - | VEN2 | - |
| 高效·支持CCC规格 | - | - | EN3 | - | - | VEN3 |
- ※上述以外的带制动器电机特殊规格,电机选配标记均记载为“X”。
- ※所有机型都是报价品。
适配器规格:A
如果客户准备了所需的制造商、IEC、NEMA、国外规格或其他特殊的法兰马达,为了便于安装,本公司甚至准备了适配器。
此外,也适用于法兰尺寸和电机轴径特殊的产品。请咨询。
通用规格
- ・适用机型:电动缸U 系列、T 系列、G 系列
- ·适应电机容量:0.1kW~7.5kW
适配器支持
·型号:A (适用于所有带制动器的马达。)
・电动缸运行环境标准
- 可使用温度范围:-15~40°C (无结露) ※可对应40°C以上的温度。
- 负载持续率:在 25% 以内
·注释
- ·带制动马达的起动扭矩,请选择额定扭矩的200%以上。
- - 为了获得高效率,务必选择带制动器的电动缸。
- ·制动扭矩为额定扭矩的150%以上

适配器规格尺寸列表
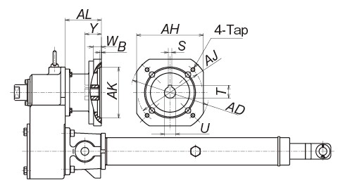
T系列适配器配合尺寸一览 (IEC规格电机)
| 边框编号 | 速度 | 电动机容量 | 边框编号 | AL | AD | AH | AK | B | AJ | S | T | U | W | Y | Tap dia | |
|---|---|---|---|---|---|---|---|---|---|---|---|---|---|---|---|---|
| LPTB LPTC |
250 | S | 0.1 | 63 | 80 | Φ160 | - | Φ110G7 | 4 | Φ130 | 4Js9 | 12.8 | Φ11F7 | 15 | 25 | 4-M8 |
| L | 0.1 | 72 | - | 5 | 14 | |||||||||||
| M | 0.2 | - | ||||||||||||||
| H | 0.4 | 71 | - | 5Js9 | 16.3 | Φ14F7 | 32 | |||||||||
| LPTB LPTC |
500 | S | 0.1 | 63 | 80 | Φ160 | - | Φ110G7 | 4 | Φ130 | 4Js9 | 12.8 | Φ11F7 | 15 | 25 | 4-M8 |
| L | 0.2 | 72 | - | 5 | 14 | |||||||||||
| M | 0.4 | 71 | - | 5Js9 | 16.3 | Φ14F7 | 32 | |||||||||
| H | 0.75 | 80 | 92 | Φ200 | □170 | Φ130H7 | 4 | Φ165 | 6Js9 | 21.8 | Φ19F7 | 20 | 42 | 4-M10 | ||
| LPTB LPTC |
1000 | S | 0.2 | 63 | 80 | Φ160 | - | Φ110G7 | 4 | Φ130 | 4Js9 | 12.8 | Φ11F7 | 15 | 25 | 4-M8 |
| L | 0.4 | 71 | 72 | - | 5 | 5Js9 | 16.3 | Φ14F7 | 14 | 32 | ||||||
| M | 0.75 | 80 | 92 | Φ200 | □170 | Φ130H7 | 4 | Φ165 | 6Js9 | 21.8 | Φ19F7 | 20 | 42 | 4-M10 | ||
| H | 1.5 | 90L | 8Js9 | 27.3 | Φ24F7 | 52 | ||||||||||
| LPTB LPTC |
2000 | S | 0.4 | 71 | 85 | Φ160 | - | Φ110G7 | 4 | Φ130 | 5Js9 | 16.3 | Φ14F7 | 15 | 32 | 4-M8 |
| L | 0.75 | 80 | 72 | Φ200 | - | Φ130G7 | 5 | Φ165 | 6Js9 | 21.8 | Φ19F7 | 16 | 42 | 4-M10 | ||
| M | 1.5 | 90L | - | 8Js9 | 27.3 | Φ24F7 | 52 | |||||||||
| H | 2.2 | 100L | 116 | Φ250 | □200 | Φ180H7 | 4.5 | Φ215 | 31.3 | Φ28F7 | 20 | 62 | 4-M12 | |||
| LPTB LPTC |
4000 | S | 0.75 | 80 | 90 | Φ200 | - | Φ130G7 | 4 | Φ165 | 6Js9 | 21.8 | Φ19F7 | 20 | 42 | 4-M10 |
| L | 1.5 | 90L | 72 | - | 5 | 8Js9 | 27.3 | Φ24F7 | 16 | 52 | ||||||
| M | 2.2 | 100L | 116 | Φ250 | □200 | Φ180H7 | 4.5 | Φ215 | 31.3 | Φ28F7 | 20 | 62 | 4-M12 | |||
| H | 3.7 | 112M | ||||||||||||||


