プラトップ®チェーンTTPM形 主要諸元

TTPM


特性

  • ・従来のプラトップチェーンの約1/2のチェーンピッチを採用。コンベヤの低騒音化や乗継部の省スペース化に有効です。
  • ・トッププレート幅50mmを採用。小物搬送物に最適です。

[点击放大]
※仅供参考。
PDF 外形图

请咨询

DXF图形数据

请参照下表
(点击此处查看DXF数据一览表)

产品目录、使用说明书

主要规格、价格、交货期

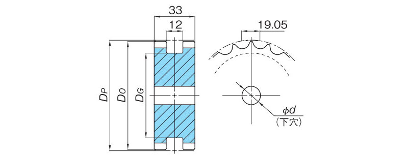
链节距(mm) 后弯半径mm
19.05 25

标准系列

规格
(点击可表示每个规格
的详细。)
规格代号 外观颜色 对应 容许张力
kN
容许速度
m/min
使用温度范围
°C
销材质 销类型 效率曲线图
有润滑 无润滑
普通
(无防静电)
W 白色 0.29 100 50 -20~80 SUS304 D销 显示效率曲线图
普通
(有防静电)
灰色 0.29 100 50 -20~80 SUS304 D销 显示效率曲线图
普通
(有防静电)
B 蓝色 0.29 100 50 -20~80 SUS304 D销 显示效率曲线图
普通
(有防静电)
BL 天蓝色 0.29 100 50 -20~80 SUS304 D销 显示效率曲线图
低摩擦、耐磨损 LFW 白色 0.29 100 50 -20~(65)80 SUS304 D销 显示效率曲线图
低摩擦、耐磨损 LFG 绿色 0.29 100 50 -20~(65)80 SUS304 D销 显示效率曲线图
低摩擦、耐磨损 LFB 褐色 0.29 100 50 -20~(65)80 SUS304 D销 显示效率曲线图
超低摩擦・耐磨损 ALF 浅蓝色 0.29 100 50 -20~80 SUS304 D销 显示效率曲线图
低摩擦 NLF 深灰 0.29 100 50 -20~(65)80 SUS304 D销 请咨询
低摩擦 WR 墨绿色 0.29 100 50 -20~80 SUS304 D销 请咨询

高级系列

规格
(点击可表示每个规格
的详细。)
规格代号 外观颜色 对应 容许张力
kN
容许速度
m/min
使用温度范围
°C
销材质 销类型 效率曲线图
有润滑 无润滑
低摩擦、耐磨损 HG 藏青色 0.29 100 50 -20~(65)80 SUS304 D销 请咨询
高温 HTW 白色 0.15 100 50 5~105 SUS304 D销
导电 E 黑色 0.24 100 50 -20~80 SUS304 D销
抗菌防霉 MWS 奶油 0.29 100 50 -20~(65)80 SUS304 D销
中摩擦
(干燥条件专用)
MF 黄色 0.2 - 50 -20~80 SUS304 D销
抗紫外线 UVR 浅灰色 0.29 100 50 -20~80 SUS304 D销

注記
 1.「●」:在庫品、「○」:注文生産品、「△」:注文生産品(都度見積品)。
  上記チェーン仕様表に記載の無い仕様については製作できません。
 2.使用温度範囲の(カッコ内数値)はウェット条件の場合です。
 3.従来までの丸ピンタイプ(TTDS-20形)とは連結可能です。
 4.プラピン仕様は製作できません。

适用规格的详细信息

规格 规格代号 通用 减少磨损粉的产生 减少摩擦阻碍(易滑) 增加摩擦阻碍(不易滑) 耐药性强 (不易腐蚀) 高速运转 在高温环境中使用 在低温环境中使用 仅在干条件下使用 导电性好 抗冲击 抗紫外线 希望抑制细菌的繁殖 使用金属检测器可检出碎片
标准
系列
普通 W           
           
B           
BL           
低摩擦・耐磨损 LFW           
LFG           
LFB           
超低摩擦・耐磨损 ALF            
低摩擦 NLF            
低摩擦 WR            
高机能
系列
低摩擦・耐磨损 HG            
高温 HTW           
导电 E             
抗菌防霉 MWS           
中等摩擦 (干) MF            
抗紫外线 UVR             
  • 注)◎:优、●:良、▲:可

适用链轮

※单击形状编号以显示详细信息。点击放大图像。


型号 齿数 节距圆直径
mm
预留孔
mm
最大轴孔直径
mm
类型
TTPM1200T 12 73.6 Φ15 Φ35 一体式
TTPM1400T 14 85.6 Φ40
TTPM1500T 15 91.6
TTPM1900T 19 115.7 Φ50
TTPM2100T 21 127.8
TTPM2300T 23 139.9

适用的塑料轨道

※单击形状编号以显示详细信息。点击放大图像。



导轨 材质符号 型号 厚度
mm

mm
主体 端板
PR-PH型 PLF PR-PH□□□-PLF PR-PH□□□E-PLF 3~5 20~40
PR型 M PR520-M PRE520-M 5 20

这款塑料轨道不耐热也不耐化学腐蚀。
如果您在特殊环境或特殊条件下使用本产品,请联系我们。

×
(可以通过拖动来移动)

标准规格[规格代号:无、G、W、B、BL、A]

链环采用通用聚甲醛

外观颜色:灰色

外观颜色:白色

外观颜色:蓝色

外观颜色:天蓝色

■通用类型
使用了机械性能优良的一般等级的聚甲醛树脂,适合一般用途。
■抗静电
它具有防静电功能,可防止静电引起的灰尘和磨损粉粘附。
(外观颜色:仅限灰色、蓝色、绿色、天蓝色) 注2
  • 注)1、规格代号为“无”、“B”、“G”的产品,包括不符合食品卫生法 (厚生省告示370号) 的产品。有关详细信息,请参阅此处
  • 注2:部分产品有规格代号,详情请参阅产品信息。
  • 注)3.有关外观颜色和防静电功能的可用性,请参阅产品页面。
  • 注 4:在普通规格的产品中也有像塑料辊道链条或塑料通用链条等,型号中无规格记号的产品
×
(可以通过拖动来移动)

低摩擦・耐磨损耐磨性 [规格代号:LF]

低摩擦・耐磨损聚缩醛链节

外观颜色:白色 [LFW]

外观颜色:绿色 [LFG]

外观颜色:褐色 [LFB]

■用途

  • 多种用途
  • 使用条件严酷(高速、高张力)而导致链条磨损且变长、或者使用普通规格时链条更换周期过短时。
  • 线路压力高,特别是需要防止产品划伤时
■保护搬运物
摩擦系数比标准规格低15~45%,可减轻货物堆积时的生产线压力,避免损伤输送物。
■ 使用寿命长(与标准规格相比)
由于链条张力降低,链条寿命比标准规格提高了 1.2 到 2 倍。
■顺利完成搬运物的分支和集合
■动力需求减少
■标准规格、LF和ALF规格的磨损伸长率性能
  • 注)
    规格代号为『LFB』的产品中,包含不符合食品卫生法 (厚生省告示370号) 的产品。有关详细信息,请参阅此处
×
(可以通过拖动来移动)

低摩擦・耐磨损耐磨性 [规格代号:CB]

由特殊低摩擦・耐磨损聚甲醛制成的链节

外观颜色:蓝色 [CB]

■用途

  • 线路压力高,特别是需要防止产品划伤时
  • 注)
    由于添加了硅胶类润滑剂,请勿在印刷工序中可能会产生印刷针孔问题的地方或因硅胶引起坏影响的条件下使用。
■保护搬运物
摩擦系数低于标准规格,降低了堆积期间的管线压力,使搬运物更不容易被刮伤。
■顺利完成搬运物的分支和集合
■动力需求减少
■仅适用以下链格式:。
  • 仅限WT2515G-M型、WT2515-W型、WT2515G-W型、WT2515F-W型、TTUPM838H型
×
(可以通过拖动来移动)

低摩擦・耐磨损[规格代号:ALF]

由低摩擦・耐磨损聚甲醛制成的链节

外观颜色:浅蓝色 [ALF]

■用途

  • 包装机前不能使用润滑剂且不能有磨损粉尘的工序
  • 饮料行业的干润滑工序
  • 带堆积的输送机
  • 饮料行业、检查机・印字输送机、单列输送线等链条速度快的工序
  • 注)1.由于添加了硅胶类润滑剂,请勿在印刷工序中可能会产生印刷针孔问题的地方或因硅胶引起坏影响的条件下使用。
  • 注)2、旧ULF规格于2018年9月末起停止售卖。
■保护搬运物
这是我们原创研发的材料,它混合了硅基润滑剂,专用于干式输送。在保持与之前的 ULF 规格相同的摩擦系数的同时,它显著减少了在无润滑条件下产生的磨损粉量。
■顺利完成搬运物的分支和集合
■动力需求减少
■与旧ULF规格的磨损量比较
65%down
  • ※以上图表为本公司内部测试结果,以旧ULF规格的磨损体积为100 (基准) 。
  • *与旧款ULF规格相比,ALF规格可减少磨损粉的产生,尤其适用于塑料轨道产品。如果您希望进一步减少磨损粉的产生,我们建议使用塑料轨道低摩擦耐磨型(PLF)产品。
×
(可以通过拖动来移动)

低摩擦规格 [规格代号:NLF]

链环采用低摩擦聚甲醛

外观颜色:深灰色 [NLF]

■用途

  • 多种用途
  • 线路压力高,特别是需要防止产品划伤时
■保护搬运物
摩擦系数比标准规格低 10% 至 30%,降低了堆积过程中的管路压力,使其不太可能刮伤搬运物。
■顺利完成搬运物的分支和集合
■动力需求减少
  • *容许张力与标准规格相同。
×
(可以通过拖动来移动)

低摩擦规格 [规格代号:WR]

链环采用耐腐蚀性聚甲醛

外观颜色:墨绿色 [WR]

■用途

  • 使用次氯酸钠等药品时
  • 线路压力高,特别是需要防止产品划伤时
■保护搬运物
摩擦系数比标准规格低 7% 至 28%,降低了堆积期间的管线压力,防止搬运物被刮伤。
■耐腐蚀性
提高了次氯酸钠等的耐腐蚀性,适用于饮料、食品的传送带。
■顺利完成搬运物的分支和集合
■动力需求减少
  • 容许张力与标准规格相同。
×
(可以通过拖动来移动)

耐热·高速规格 [规格代号:KV]

链环采用特殊工程塑料

外观颜色:黑色 [KV150・KV180・KV250]

■用途

  • 太阳能电池板的层压后工序的搬运
  • 从干燥炉中搬运印刷电路板
  • 热收缩炉内的搬运
  • 土锅的输送。
  • 面包炉出口的搬运
  • 用各种干燥炉搬运
  • 用热水、高浓度药品清洗工序中的搬运
  • 注射器的干燥过程工序上的输送
  • 饮料・灌装后封盖装置出口处的高速输送
  • 注)1.KV150不符合食品卫生法 (厚生省告示370号) 。
  • 注)2.KV150是干燥条件专用。
  • 注)3.请同时参照产品目录中耐热高速 (KV) 规格的使用注意事项。
  • 注)4、使用温度范围:-20~150°C (KV150),-20~180°C (KV180),-20~250°C (KV250)
■ 最高环境温度
  • 150°C (规格代号) :KV150
  • 180°C (规格代号) :KV180
  • 250°C (规格代号) :KV250
■最高速度
200m/min(适用于塑料顶板链条)
■耐化学性
对清洗、杀菌性的药品有很好的耐受性。
■导电性
表面电阻值低,不带静电。(1 X 10 6 Ω·cm) 适用于防止灰尘附着、火花。
■阻燃性
UL标准V-0级 (高阻燃性等级)

注)KV150除外

■噪音
与标准规格相比,它高 2 至 3 分贝。
■适用链条格式示例
  • BTC6型、TPU826-T型、RSP40型等
×
(可以通过拖动来移动)

低摩擦・耐磨损耐磨性 [规格代号:HG]

低摩擦・耐磨损聚缩醛链节

外观颜色:藏青色 [HG]

■用途

  • 包装机前不能使用润滑剂且不能有磨损粉尘的工序
  • 饮料行业、检测机、打印输送机、单片机等链条速度快的工序
  • 饮料行业的干润滑工序
  • 注)
    不符合食品卫生法 (厚生省告示370号) 。
    但已确认未溶出器具及容器包装规格试验 (合成树脂) 中所规定的物质。
■减少磨损粉尘的对策
它的耐磨性比低摩擦・耐磨损(LF)规格提高了20%,并且无需改造输送机或更换链轮即可替换为低摩擦・耐磨损(HG)规格。(更换链条时,我们建议同时更换导轨。特别是对于塑料轨道,我们建议低摩擦・耐磨损(PLF)规格。)
■保护搬运物
摩擦系数与低摩擦・耐磨损(LF) 规格相同,比标准规格低 15% 至 45%,从而降低了堆积期间的管线压力,并减少了刮伤运输物品的可能性。
■与各种规格的摩擦体积比较
20%down
  • ※以上图表是本公司内部测试的结果。LF规格的磨损体积为100 (基准) 。链条形式:TTP826、链条速度:60m/min、常温、干燥条件
  • 备注
    A公司等A公司制作的耐磨损规格链条, 链节材质: 聚酯类
    B公司等B公司制作的耐磨损规格链条, 链节材质: 聚缩醛类
■适用链条格式示例
  • WT1506-K型、TTP826型、RSP50型等
×
(可以通过拖动来移动)

高温规格 [规格代号:HTW]

链环采用聚丙烯

外观颜色:白色 [HTW]

■用途

  • 饮料·食品工厂的加热器,用于冷却的链条
  • 电池输送线
  • 略微倾斜的输送机
■ 最高环境温度:105℃
适用于饮料工厂中接触热水的输送物加热装置中和输送物高温杀菌冷却装置中的链条。
■耐化学性
含有酸、碱,耐药品性优异。
■高摩擦
摩擦系数约为标准规格的1.2至1.6倍。可用于干燥条件下轻微倾斜的输送作业。
■轻量
比聚甲醛制链轻40%左右。有降低所需动力的效果。
■适用链条格式示例
  • WT1907-K型、WT2506-K型、TTPM500型等
  • 注)1.WT2250FG型式的规格代号“HTW”不符合食品卫生法 (厚生省告示370号) 。
  • 注)2.最大容许张力约为标准规格的 40%。
  • 注)3、工作温度范围:5~105°C
×
(可以通过拖动来移动)

高速规格:干燥条件专用 [规格代号:HS]

链环采用特殊工程塑料

外观颜色:米色 [HS]

■用途

  • 制罐、空罐的高速搬运
  • 注)
    不符合食品卫生法 (厚生省告示370号) 。
    但已确认未溶出器具及容器包装规格试验 (合成树脂) 中所规定的物质。
■最高速度
230m/min (直线) 具有高限PV值。防止高速搬运中的熔化。
■适用链条格式示例
  • TPU826-T型、TP-OTD32型等
  • 注:1.最大容许张力约为标准规格的 80%。
  • 注)2.只有不锈钢销类型。
  • 注)3.干燥条件专用。
  • 注 4:对于高速使用,请使用不锈钢导轨(冷轧抛光规格),并根据应用情况使用塑料轨道特殊聚酰胺(SJ-CNO)。
  • 注)5、工作温度范围:-20~50°C
×
(可以通过拖动来移动)

低温规格 [规格代号:LTW]

链环采用聚乙烯

外观颜色:白色 [LTW]

■用途

  • 冷冻食品在冷冻输送机上的搬运
  • 干冰运输
■ 低环境温度
可在低至-70°C的低温环境下使用。
(标准规格适用于最高-20°C的温度)
■耐化学性
对药品表现出优异的耐腐蚀性。
■仅适用以下链格式:。
  • BTN5, BTC6, BTN6, BTC8
  • 注:1.最大容许张力约为标准规格的 33%。
  • 注)2、在-20°C以下使用时,需要特殊链轮,请向本公司咨询。
  • 注)3、工作温度范围:-70~60°C
×
(可以通过拖动来移动)

耐药品规格 [规格代号:Y]

链环采用特殊工程塑料

外观颜色:磨砂白色 [Y]

■用途

  • 在生产线上运输,例如锂离子电池 (电池)
  • 印刷电路板、硅晶圆在清洗线上的搬运
  • 用饮料、无菌填充室出口传送带搬运
  • 在食品工厂等需要用药品清洗的生产线上搬运
■耐化学性
对有机溶剂、无机盐酸类、碱、氧化剂、醋酸等很多药品都有耐腐蚀性。
■抗冲击性
与标准系列相比,树脂不易缺损。
■适用链条格式示例
  • TTP826型、TPRF2040型、RSP35型等
  • 注:1.最大容许张力约为标准规格的 50%。
  • 注)2.摩擦系数与标准规格相同。
  • 注)3.请勿在明火或高温下使用。
×
(可以通过拖动来移动)

超级耐药品规格[规格代号:SY]

链环采用特殊工程塑料

外观颜色:亚光白色 [SY]

■用途

  • 在生产线上运输,例如锂离子电池 (电池)
  • 印刷电路板、硅晶圆在清洗线上的搬运
  • 用饮料、无菌填充室出口传送带搬运
  • 在食品工厂等需要用药品清洗的生产线上搬运
■销材质采用钛合金
将耐化学药品性(Y)规格的销材质变更为钛合金,进一步提高了耐化学品性
■耐化学性
对盐酸、硫酸等,显示了腐蚀性更强的药品耐腐蚀性。
■适用链条格式示例
  • TTP826型、RSP40型等
  • 注:1.最大容许张力约为标准规格的 50%。
  • 注)2.摩擦系数与标准规格相同。
  • 注)3. 无法制作D销型、塑料销型。
  • 注)4.请勿在明火或高温下使用。
  • 注)5、工作温度范围:-20~80°C
×
(可以通过拖动来移动)

导电规格 [规格代号:E]

链环采用特殊工程塑料

外观颜色:黑色 [E]

■用途

  • 焊接印刷电路板后的搬运
  • 在太阳能电池板的层压过程之前和之后,将其运送到切割机
  • 可防止易拉罐的堆积输送导致的静电。
  • 清洗机干燥后的静电对策
  • 汽车零部件 (电气零部件) 的搬运
  • 注)
    不符合食品卫生法 (厚生省告示370号) 。
    但已确认未溶出器具及容器包装规格试验 (合成树脂) 中所规定的物质。
■优异的导电性
体积电阻率:1 X 10 6 Ω·cm 或更低(标准规格:1 X 10 14至 10 15 Ω·cm)
■静电抑制
抑制电气噪音、火花的产生。
注) 请使用钢制链轮、导轨等对传送带整体接地。
■适用链条格式示例
  • WT0705-W型、TTP826P型、RSP35型等
  • 注:1.最大容许张力约为标准规格的 70%。
  • 注)2.摩擦系数与标准规格相同。
×
(可以通过拖动来移动)

耐冲击规格:干燥条件专用 [规格代号:DIA]

链环采用特殊工程塑料

外观颜色:乳白色 [DIA]

■用途

  • 搬运稍重的机械零件
  • 直接输送食品(食品无任何包装的状态下输送)的干燥式输送机
  • 略微倾斜的食品输送机
  • 注)
    不符合食品卫生法 (厚生省告示370号) 。
    但已确认未溶出器具及容器包装规格试验 (合成树脂) 中所规定的物质。
■超耐冲击性
即使受到冲击树脂也不易碎裂。而且,即使链条断裂,树脂的碎片也不易飞散。可作为防止异物混入的对策。)
■高摩擦
摩擦系数是标准规格的1.2倍。可在干燥条件下用于轻微坡度路面。
■轻量
它比聚甲醛顶板链轻约 20%,因此更容易操作,并能有效降低所需的功率。
■耐冲击性(受到冲击时不易碎裂)
■适用链条格式示例
  • BTC8H-826-M型、TPUSR 550-T型、RSP60-2型等
  • 注:1.最大容许张力约为标准规格的 75%。
  • 注)2.干燥条件专用。
×
(可以通过拖动来移动)

抗冲击:适用于干燥和潮湿环境 [规格代号:DIY]

链环采用特殊工程塑料

外观颜色:绿色 [DIY]

■用途

  • 湿条件下的食品或容器搬运
  • 频繁杀菌清洗的情况
  • 使用聚甲醛链子,如果因缺少链子而困扰
  • 注)
    不符合食品卫生法 (厚生省告示370号) 。
    但已确认未溶出器具及容器包装规格试验 (合成树脂) 中所规定的物质。
■抗冲击性
与聚甲醛树脂制的相比,即使受到冲击也不容易缺损。
■耐化学性
对于清洗、杀菌的药品,耐化学品性优异。适用于频繁杀菌清洗的传送带。
■非粘性
这样可以防止搬运物粘附在链条上。
■耐冲击性(受到冲击时不易碎裂)
■抗紫外线
与聚甲醛树脂制的相比,耐候性优异。
■适用链条格式示例
  • BTC6型、TPRF2040型、RSP60型等
  • 注:1.最大容许张力约为标准规格的 75%。
  • 注)2.摩擦系数与标准规格相同。
  • 注)3.在低温环境等环境下,树脂碎片可能会飞散。
  • 注)4.请勿在明火或高温下使用。
×
(可以通过拖动来移动)

中摩擦规格:干燥条件专用 [规格代号:MF]

链环采用特殊聚甲醛

外观颜色:黄色 [MF]

■用途

  • 3~5°倾斜搬运
  • 防止搬运物在检验和打印传送带上过度滑动
    *取决于搬运物。
■最适合倾斜搬运
中等程度的高摩擦材料,适用于倾斜搬运。
■稳定输送
它适用于防止输送机启动和停止时搬运物发生错位,以及防止因加速而导致的打滑。
■适用链条格式示例
  • BTC6型、TTUP826P型、RSP40型等
  • 注:1.最大容许张力约为标准规格的 75%。
  • 注)2.摩擦系数是标准规格的1.1倍。
  • 注)2.干燥条件专用。
  • 注)4、工作温度范围:-20~80°C
×
(可以通过拖动来移动)

耐热、耐放射线性、耐真空规格 [规格代号:PK150]

链环和销钉采用PEEK树脂

外观颜色:浅褐 [PK150]

■用途

  • 烘干炉、烘箱等高温环境下及烘箱等的出入口移动单元
  • 在填充室内的清洗、杀菌等使用药品的环境下
  • 真空环境下的搬运
■ 最高环境温度:150℃
■耐化学性
对药品表现出优异的耐腐蚀性。
■抗辐射性
抗辐射性是热塑性树脂中最高的。
■真空中排放气体的产生少
■使用FDA认证的材料
■适用链条格式
  • WT0405-W
  • 注)工作温度范围:-20~150°C
×
(可以通过拖动来移动)

抗菌防霉规格 [规格代号:MWS]

链节由抗菌低摩擦・耐磨损聚缩醛制成

外观颜色:乳白色 [MWS]

■用途

  • 装瓶工厂内的清洗对策
  • 因工序上的水分及结露水而潮湿的输送机
    (特别是淋浴装置出入口及蒸煮器卸载部分等)
  • 有条件的传送带容易脏,防止发霉
■抗菌+防霉
采用与抗菌剂制造商共同开发的创新型抗菌剂。除了对在食品行业需要防范的大肠杆菌、黄色葡萄球菌、乳酸杆菌等具有抗菌效果外,还具有防霉功能,可有效防止青霉等。
■持久性
抗菌剂采用的是性能长期持续的无机抗菌剂。由于抗菌剂是在塑料材料制造阶段揉合而成的,因此均匀分散在整个连接处,即使表面磨损也能保持抗菌防霉功能。
■安全性
配合安全性高的抗菌剂。基础材料不符合《食品卫生法》 (厚生省告示370号) 。
但已确认未溶出器具及容器包装规格试验 (合成树脂) 中所规定的物质。
增加抗菌防霉机能,安全性更高。
■高级功能
抗菌剂对性能几乎没有影响,橡胶具有优异的低摩擦・耐磨损。连接件材料采用低摩擦・耐磨损(LF)材料制成。
  • 注:1.最大容许张力与标准规格相同。
  • 注2:摩擦系数与低摩擦・耐磨损(LF)规格相同。

抗菌防霉性能

35℃ X 24小时后的状态 (酵母属)
LF规格等价品 MWS规范

※试验方法
JIS Z2801:2010

  • 试验委托方株式会社卫生微生物研究中心
  • 试验报告书发行日期 2020年10月12日
  • 考试成绩书发行编号2020D-BT-0808

抗菌能力实验结果 (与没有抗菌剂的比较)

试验菌 试验品 接种后立刻 35°C X 24小时后
大肠杆菌 MWS 1.5 X 104 38
(无抗菌剂) 1.5 X 104 22 X 106
金黄色葡萄球菌 MWS 1.6 X 104 未检出
(无抗菌剂) 1.6 X 104 1.5 X 105
酵母属
(酵母的一种)
MWS 2.5 X 104 未检出
(无抗菌剂) 2.5 X 104 1.4 X 104
乳酸杆菌 MWS 6.4 X 105 1.3 X 102
(无抗菌剂) 6.4 X 105 6.9 X 104
致病性大肠杆菌
O-157 (H7)
MWS 1 X 103.9 未检出
(无抗菌剂) 1 X 103.9 1 X 103.4

霉菌发育试验结果 (与没有抗菌剂的比较)

试验霉菌 试验品 7天后 14天后 21天后
黑曲霉菌 MWS规范 0 0 0
(无抗菌剂) 0 1 2

●如何显示测试结果

查看 显示内容
0 肉眼或显微镜下均未观察到霉菌生长。在某些情况下,会发现一个阻塞区。
1 肉眼未见霉菌。显微镜下可以确认霉菌。
2 菌丝发育轻微,发育部分面积不超过总面积的25%。
3 可见中度的菌类发育,发育部分面积占整体面积的25%~50%。
4 菌类大量发育,发育部分面积占整体面积的50%~100%。
5 菌类发育非常激烈,发育程度覆盖整体面积。

※试验方法
JIS Z2911-2000 (A法)

  • 试验机构石冢硝子株式会社
  • 试验报告书发行日期 2020年9月25日
×
(可以通过拖动来移动)

金属检测规格 [规格代号:MPD/MPW]

链环采用特殊工程塑料

外观颜色:黑色 [MPD/MPW]

■用途

  • 橡胶化合物的搬运
  • 包装机前食品直送输送机
  • 食品(冷冻乌冬面等食品无任何包装的状态)的直接输送 (规格代号:MPW)
  • 面包厂的托盘搬运 (规格代号:MPD)
  • 注)
    不符合食品卫生法 (厚生省告示370号) 。
    但已确认未溶出器具及容器包装规格试验 (合成树脂) 中所规定的物质。
■金属探测器可检测
即使链条缺失并混入食品或橡胶化合物中,也可以通过金属探测器发现并防止流出。
■抗冲击性
即使施加冲击,碎片也不容易飞散。
■适用链条格式示例
  • TTUP826型、RSP60-CU-2型等
  • 注)1.MPD规格是干燥条件专用,MPW规格是干湿条件兼用。
  • 注 2)MPD 规范的最大容许张力约为标准规格的 80%,MPW 规范的最大容许张力约为标准规格的 40%。
  • 注)3、工作温度范围:-20~80°C (MPD),-20~60°C (MPW)
×
(可以通过拖动来移动)

低温·耐药品规格 [规格代号:UPE]

链环采用超高分子量聚乙烯

外观颜色:亚光白色 [UPE]

■用途

  • 冷冻食品保管仓库内搬运
  • 冷冻食品在冷冻输送机上的搬运
  • 异物混入对策和药品清洗食品搬运
  • 二次电池等需要耐化学品性的搬运
  • 在填充室内的清洗、杀菌等使用药品的环境下
■ 低环境温度
可在-70°C的环境温度下使用(标准规格最高可达-20°C)
■抗冲击性
具有非常高的耐冲击性,在低温环境下使用时也不易混入异物。
与聚甲醛树脂制相比,兼备常温环境使用时13倍、低温环境使用时26倍的耐冲击性。
■耐磨性
常温环境下使用时的磨损量与聚甲醛树脂制产品相比可降低约80%。
■耐化学性
对药品表现出优异的耐腐蚀性。
■使用FDA认证的材料
■适用链条格式
  • RSP80
  • 注:1.最大容许张力约为标准规格的 30%。
  • 注)2、工作温度范围:-70~60°C
  • 注)3.在-20°C以下使用时,需要特殊链轮,请向本公司咨询。
  • 注4:建议使用不锈钢(冷轧材料)作为运行导轨材料。不建议使用超高分子量聚乙烯(UHMW-PE),因为它们是同一种材料。
×
(可以通过拖动来移动)

耐酸规格 [规格代号:AR]

链环采用特殊聚甲醛

外观颜色:白色 [AR]

■耐腐蚀性
它比标准规格和低摩擦・耐磨损型(LF)规格具有更好的耐腐蚀性。
■腐蚀对策
适用于加入次氯酸钠的肥皂水的腐蚀对策等。
■适用链条格式示例
  • TTP826型、RSP35型等
  • 注)1.因为会被强酸、强碱侵害,所以请使用耐药品 (Y) 规格或超级耐药品 (SY) 规格。
  • 注)2.最大容许张力约为标准规格的 90%。
  • 注)3.摩擦系数与标准规格相同。
  • 注)4.无法制作塑料销型。
  • 注)5.不能在需要60°C以上温水的条件下使用。
  • 注)6、工作温度范围:-20~ (60) 80°C (60) 为湿条件时。
×
(可以通过拖动来移动)

防紫外线规格 [规格代号:UVR]

链环采用特殊聚甲醛

外观颜色:浅灰色 [UVR]

■用途

  • 在户外受紫外线辐射的运输
  • 标准规格等会受紫外线的影响而劣化,UVR规格可作为防止劣化、延长使用寿命的对策。
■抗紫外线
与标准规格和低摩擦・耐磨损(LF) 规格相比,该产品具有优异的抗紫外线降解(变色和强度损失)性能,适用于户外环境。
■适用链条格式示例
  • TTP826型,TTPH826P型,RSP50型等
  • 注:1.最大容许张力和摩擦系数与标准规格相同。
  • 注)2. 也有销类型。
  • 注3. 工作温度范围:-20 至 80°C。(60) 适用于销类型的潮湿环境。
×
(可以通过拖动来移动)

食品运输规格 [规格代号:PFS]

链环采用聚甲醛

外观颜色:尼罗兰色 [PFS]

■用途

  • 面包生产线的常温冷却工序中的搬运
  • 此外,食品生产线上的搬运
■符合欧洲塑料施工规范 (PIM)
使用符合PIM (欧洲塑料执法条例) 的原创椿本材料。
■适用链条格式示例
  • TTP826型、RSP40-T-CU型等
  • 注:1.最大容许张力和摩擦系数与标准规格相同。
  • 注)2.欧洲塑料施工规则 (PIM) 是在欧洲销售可直接与货物接触的塑料产品的基本规则。
  • 注 3.销类型不符合 PIM(欧洲塑料安装法规)。
×
(可以通过拖动来移动)

生物质规格 (BP) [规格代号:BP]

链节材料采用环保生物质塑料

外观颜色:墨绿色 [BPG]

■环保商品
通过使用对植物环境友好的生物质塑料,不仅可以节省石油资源,还可以通过生物质塑料的碳中和性来减少CO 2

※所谓生物质塑料:原料使用植物等可再生有机资源的塑料原材料


■适用链条格式示例
  • 仅RSP40型
  • 注:1.最大容许张力约为标准规格的 36%。
  • 注)2、工作温度范围:-20~80°C
  • 注)3.干燥条件专用。
  • 注)4.建议使用环境湿度为20~80%。在除此之外的湿度环境下使用时,请咨询本公司。
  • 注)5、不符合食品卫生法 (厚生省告示370号) 。
  • 注)6.根据生物量 (BP) 规格的材质特性,可能会有少许颜色不均匀。对产品性能方面没有影响。