顶板链的主要规格
形番:TPSS1400T
产品目录、使用说明书
适用链条
TPSS, TPUS, TPUS953Y-T-LAP, TPUS-LBP, TPUS-Y-T, TTUPS
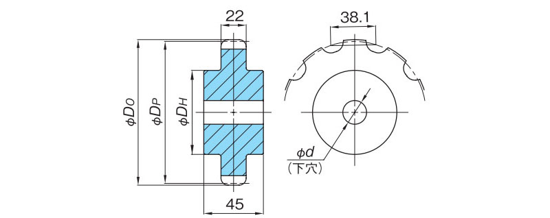
主要规格
| 型号 | 齿数 | 节距圆直径 DP mm | 外径 Do mm | 轴孔 形状 | 预留孔 mm |
轮毂直径 Dh mm |
概略质量 kg |
|---|---|---|---|---|---|---|---|
| TPSS1400T | 14 | 171.2 | 173 | 圆形 | 20 | 71 | 4.1 |
| 材质 | 类型 |
|---|---|
| 机械结构碳钢 | 一体式 |
注記
1.上記歯数以外も製作いたします。
お問合せ先について
ホームページからのお問合せ
中国語でのお問い合わせは、つばきグループホームページの問合せページを開きます。
英語でのお問い合わせは、つばきグループホームページの問合せページを開きます。


