关于TKR型塑料系列支撑滚轮的安装
TKR 型塑料电缆拖链配备了支撑滚轮,使其能够适应长行程。
安装支撑滚轮时,针对每种电缆拖链型号设定支撑滚轮安装间隔,以确保电缆拖链桥架运行稳定。
支持滚子请参考以下链接内容,按设置支持滚子场合的能力图使用。
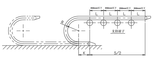
TKR15H22 (旧TKR0150)
支承辊的安装间隔请设定为L=350mm以下。
通过安装四个或更多支撑滚轮,移动行程可以延长至最大 2.2 米。
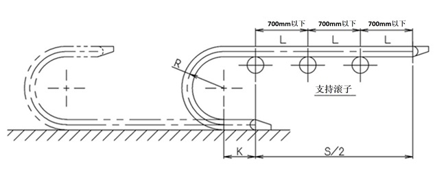
TKR20H28 (旧TKR0200H28)
支承辊的安装间隔请设定为L=700mm以下。
通过安装三个或更多支撑滚轮,移动行程可以延长至最大 3.3 米。
TKR26H40 (旧TKR0260)
支承辊的安装间隔请设定为L=700mm以下。
通过安装三个或更多支撑滚轮,移动行程可以延长至最大 3.6 米。
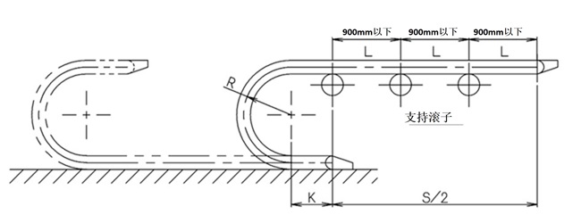
TKR28H52 (旧TKR0280)
支承辊的安装间隔请设定为L=900mm以下。
通过安装三个或更多支撑滚轮,移动行程可以延长至最大 5.0 米。
TKR28H52-EX
支承辊的安装间隔请设定为L=900mm以下。
通过安装三个或更多支撑滚轮,移动行程可以延长至最大 11.88 米。
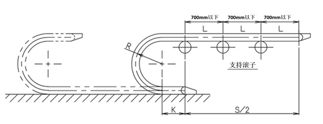
TKR37H28
支承辊的安装间隔请设定为L=700mm以下。
通过安装四个或更多支撑滚轮,移动行程可以延长至最大 5.1 米。

